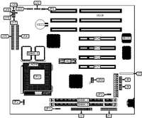
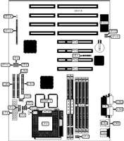
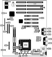
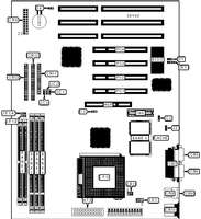
Motherboards. Pentium (socket 4,5,7)

I-Z

I-BUS   LEOPARDSHARK I-BUS   MAKO I-BUS   SHARK I-BUS   SHARK II I-BUS   TIGERSHARK IBM CORPORATION   APTIVA 2134/2176 A-1 IBM CORPORATION   APTIVA 2136 IBM CORPORATION   APTIVA 2140 TYPE A-1 IBM CORPORATION   APTIVA 2142 TYPE A-1 IBM CORPORATION   APTIVA 2144 TYPE G-1 IBM CORPORATION   APTIVA 2144, 2168 TYPE H-2, I-2 IBM CORPORATION   APTIVA 2153 SL-A IBM CORPORATION   APTIVA 2156 SL-A IBM CORPORATION   APTIVA 2159 IBM CORPORATION   APTIVA 2161 IBM CORPORATION   APTIVA 2162 IBM CORPORATION   APTIVA M30 (250-0441), APTIVA M31 (250-0441), APTIVA M40 (12-10609), APTIVA M41 (250-0442), APTIVA M50 (250-0440), APTIVA M53 (250-0443), APTIVA M71 (250-0444) IBM CORPORATION   PC 330 P-60, PC 350 P-60 IBM CORPORATION   PC 330 SERIES (TYPE 6575) IBM CORPORATION   PC 330/350 SERIES (TYPE 6577, 6587) IBM CORPORATION   PC 330/350 SERIES (TYPE 65X6) IBM CORPORATION   PC 330/350 SERIES (TYPE 65X6) (100-166MHZ) IBM CORPORATION   PC 340 SERIES (TYPE 6560) IBM CORPORATION   PC 350 SERIES (TYPE 6585) IBM CORPORATION   PC 360-S150 (TYPE 6598) IBM CORPORATION   PC 365 (TYPE 6589) IBM CORPORATION   PC 730, PC 750 IBM CORPORATION   PC 730/750 SERIES (TYPE 6877, 6887) IBM CORPORATION   PC SERVER 300 (TYPE 8640) OPO, 1P0, OPT, 1PT IBM CORPORATION   PC SERVER 310 - TYPE 8639 IBM CORPORATION   PC SERVER 320 (TYPE 8640) IBM CORPORATION   PC SERVER 320 (TYPE 8640) IBM CORPORATION   PC SERVER 520 (TYPE 8641) MODEL EZO, EZV, EZL, EZS, EZE IBM CORPORATION   PC SERVER 520 (TYPE 8641) MODEL MZO, MZV, MZS, MZL, MZE IBM CORPORATION   PC300 (TYPE 6272, 6282) ICL   AC41644/41647 MODELS E450/X450 ICL   ERGOPRO D5 P-SERIES ICL   ERGOPRO D5/60 ICL   ERGOPRO D5/60 REV. 1 ICL   ERGOPRO E450, ERGOPRO E650, ERGOPRO S450, ERGOPRO S650, ERGOPRO X650 ICL   ERGOPRO E5 ICL   INDIANA D-SERIES ICL   TEAMSERVER F5/60 ICL   TEAMSERVER FI ICL   TEAMSERVER H53NI ICL   VALUEPLUS MD/P60 SERIES INDUSTRIAL COMPUTER SOURCE   586MBH SERIES INDUSTRIAL COMPUTER SOURCE   586MBHP SERIES INDUSTRIAL COMPUTER SOURCE   SB586P (V) INDUSTRIAL COMPUTER SOURCE   SB586T SERIES INSIDE TECHNOLOGY A/S   686LCD/S INTEL CORPORATION   ADVANCED/AS INTEL CORPORATION   ADVANCED/ATX INTEL CORPORATION   ADVANCED/EV (REV. 2) INTEL CORPORATION   ADVANCED/MA (MONACO) INTEL CORPORATION   ADVANCED/ML INTEL CORPORATION   ADVANCED/MN (MORRISSON) INTEL CORPORATION   ADVANCED/RH LPX INTEL CORPORATION   ADVANCED/ZE BABY-AT (ZAPPA) INTEL CORPORATION   ADVANCED/ZP INTEL CORPORATION   AG430HX INTEL CORPORATION   ALTSERVER/CS INTEL CORPORATION   AN430TX INTEL CORPORATION   CN430TX INTEL CORPORATION   CU430HX INTEL CORPORATION   ENDEAVOUR INTEL CORPORATION   LT430TX INTEL CORPORATION   NP430HX INTEL CORPORATION   NV430VX INTEL CORPORATION   PENTIUM 90MHZ INTEL CORPORATION   PENTIUM HENDRIX INTEL CORPORATION   PLATO P54C/PCI QUIN-51 INTEL CORPORATION   PLATO P54C/PCI QUIN-51 INTEL CORPORATION   PLATO P54C/PCI QUIN-51 INTEL CORPORATION   PREMIERE/PCI (P5-PCI BATMAN) INTEL CORPORATION   PREMIERE/PCI BABY-AT (VER. 2) INTEL CORPORATION   PREMIERE/PCI BABY-AT VER. 1 INTEL CORPORATION   PREMIERE/PCI II BABY-AT INTEL CORPORATION   PREMIERE/PCI LC INTEL CORPORATION   PREMIERE/PCI LPX INTEL CORPORATION   PREMIERE/PCI LX INTEL CORPORATION   PTI-5 ADVANCED/ZP INTEL CORPORATION   RU430HX INTEL CORPORATION   TC430HX INTEL CORPORATION   TE430VX INTEL CORPORATION   ZAPPA EXPANDABLE DESKTOP (P54C-PCI TRITON) IPC CORPORATION   IPC SE/SEL/VALUEMAGIC/FAMILYMAGIC (MB586PCI) IPC CORPORATION, LTD.   IPC SE (MB586PCI#10), SEL (MB586PCI#10), VALUEMAGIC (MB586PCI#10) IWILL CORPORATION   XA100 J-BOND COMPUTER SYSTEMS CORPORATION   PCI Pentium J-BOND COMPUTER SYSTEMS CORPORATION   PCI500C-E J-BOND COMPUTER SYSTEMS CORPORATION   PCI500C-G J-BOND COMPUTER SYSTEMS CORPORATION   PCI500C-G J-BOND COMPUTER SYSTEMS CORPORATION   PCI500C-G2 J-BOND COMPUTER SYSTEMS CORPORATION   PCI500C-H J-BOND COMPUTER SYSTEMS CORPORATION   PCI500C-H2 J-BOND COMPUTER SYSTEMS CORPORATION   PCI500C-H4 J-BOND COMPUTER SYSTEMS CORPORATION   PCI500C-J J-MARK COMPUTER CORPORATION   5TXC J-MARK COMPUTER CORPORATION   J-571B J-MARK COMPUTER CORPORATION   J-591A J-MARK COMPUTER CORPORATION   J-597A J-MARK COMPUTER CORPORATION   J-5TXA, J-5TXA/L J-MARK COMPUTER CORPORATION   J-5TXBR2 J-MARK COMPUTER CORPORATION   J-646B J-MARK COMPUTER CORPORATION   J-648A J-MARK COMPUTER CORPORATION   J-648AP J-MARK COMPUTER CORPORATION   J-656B J-MARK COMPUTER CORPORATION   J-656C J-MARK COMPUTER CORPORATION   J-656HXA J-MARK COMPUTER CORPORATION   J-656VXB J-MARK COMPUTER CORPORATION   J-656VXC J-MARK COMPUTER CORPORATION   J-656VXD J-MARK COMPUTER CORPORATION   J-656VXDP J-MARK COMPUTER CORPORATION   J-TX98 R2 J-MARK COMPUTER CORPORATION   SUPER TX KADATCO CO., LTD.   AM-430TX KADATCO CO., LTD.   AM-430TX+ KADATCO CO., LTD.   AM-432TX/ATX KADATCO CO., LTD.   AM-433TX/ATX KADATCO CO., LTD.   AM-433VX KADATCO CO., LTD.   AM-436TX KADATCO CO., LTD.   AM-438VX KADATCO CO., LTD.   AM-439VX KADATCO CO., LTD.   AM-535 KADATCO CO., LTD.   AM-538 KADATCO CO., LTD.   AM-539 KADATCO CO., LTD.   AM-548 LANNER ELECTRONICS, INC.   AP-500 LANNER ELECTRONICS, INC.   AP-50IFA LANNER ELECTRONICS, INC.   AP-50IFV LANNER ELECTRONICS, INC.   AP-520 LANNER ELECTRONICS, INC.   AP-5200IF LANNER ELECTRONICS, INC.   AP-5200IH LANNER ELECTRONICS, INC.   AP-5200SH LANNER ELECTRONICS, INC.   AP-540 LANNER ELECTRONICS, INC.   AP-540TX LANNER ELECTRONICS, INC.   AP-545V LANNER ELECTRONICS, INC.   AP-560 LANNER ELECTRONICS, INC.   AP-560E LANNER ELECTRONICS, INC.   AP-560E LANNER ELECTRONICS, INC.   EM-500 LANNER ELECTRONICS, INC.   EM-586 LANNER ELECTRONICS, INC.   TF-586VM LCI   PENTIUM PCI/ISA 90/100 LION COMPUTERS, INC.   NICE GREEN PENTIUM PCI/ISA 60/66 LION COMPUTERS, INC.   NICE PENTIUM PCI/ISA 90/100 LONGBAR DEVELOPMENT, LTD.   LB-530 LUCKY STAR TECHNOLOGY CO., LTD   5I-VX1E LUCKY STAR TECHNOLOGY CO., LTD.   5AMVP3 LUCKY STAR TECHNOLOGY CO., LTD.   5ATX2 LUCKY STAR TECHNOLOGY CO., LTD.   5AVP3 LUCKY STAR TECHNOLOGY CO., LTD.   5GXM LUCKY STAR TECHNOLOGY CO., LTD.   5I-TX12 LUCKY STAR TECHNOLOGY CO., LTD.   5I-TX1A LUCKY STAR TECHNOLOGY CO., LTD.   5I-TX1B LUCKY STAR TECHNOLOGY CO., LTD.   5I-TX1C LUCKY STAR TECHNOLOGY CO., LTD.   5I-TX2A LUCKY STAR TECHNOLOGY CO., LTD.   5I-VX1C LUCKY STAR TECHNOLOGY CO., LTD.   5I-VX1F LUCKY STAR TECHNOLOGY CO., LTD.   5I-VX2B LUCKY STAR TECHNOLOGY CO., LTD.   5I-VX2C LUCKY STAR TECHNOLOGY CO., LTD.   5MVP3 LUCKY STAR TECHNOLOGY CO., LTD.   5TX2B LUCKY STAR TECHNOLOGY CO., LTD.   5V-1A (VER. 2.0) LUCKY STAR TECHNOLOGY CO., LTD.   5V-1A (VER. 2.2A) LUCKY STAR TECHNOLOGY CO., LTD.   5V-IB LUCKY STAR TECHNOLOGY CO., LTD.   5VP3 LUCKY STAR TECHNOLOGY CO., LTD.   5VPX2 M TECHNOLOGIES, INC.   P5-SP M TECHNOLOGIES, INC.   P54C-SP M TECHNOLOGIES, INC.   R512 PENTIUM PCI M TECHNOLOGY, INC.   R525 PENTIUM PCI M TECHNOLOGY, INC.   R525 PENTIUM PCI (VER.2) M TECHNOLOGY, INC.   R526 PENTIUM PCI/ISA M TECHNOLOGY, INC.   R526 PENTIUM PCI/ISA MTI-526 M TECHNOLOGY, INC.   R527 PENTIUM PCI/ISA M TECHNOLOGY, INC.   R527 PENTIUM PCI/ISA MTI-R527 M TECHNOLOGY, INC.   R528 PENTIUM PCI/ISA M TECHNOLOGY, INC.   R529 PENTIUM PCI/ISA M TECHNOLOGY, INC.   R533 PENTIUM PCI/ISA M TECHNOLOGY, INC.   R534F MUSTANG M TECHNOLOGY, INC.   R534G MUSTANG M TECHNOLOGY, INC.   R539 MIG M TECHNOLOGY, INC.   R541 MIG M TECHNOLOGY, INC.   R542 MUSTANG-ULTRA (VER. 1) M TECHNOLOGY, INC.   R542 MUSTANG-ULTRA (VER. 2) M TECHNOLOGY, INC.   R552 PENTIUM PCI/ISA M TECHNOLOGY, INC.   R557MIG M TECHNOLOGY, INC.   R558 MUSTANG-ULTRA MAGITRONICS   A-P591JH MAGITRONICS   A-P596CV-A MAGITRONICS   A-P596JH-A MAGITRONICS   A-P597CVI-A MAGITRONICS   A-P597JH2-A (REV. 1.4 VER. 1) MAGITRONICS   A-P597JH2-A (REV. 1.4 VER. 2) MAGITRONICS   A-P597JT MECER CORPORATION   B910 MECER CORPORATION   B920 MECER CORPORATION   B930/B930 VER. B MICRO EQUIPMENT CORPORATION   PH5 (REV. 1.3) MICRO EQUIPMENT CORPORATION   PN5 PCI (REV. 1.4) MICRO EQUIPMENT CORPORATION   PR5 PCI (REV. 1.1) MICRO EQUIPMENT CORPORATION   PR5 R2 PCI (REV 2.01) MICRO EQUIPMENT CORPORATION   PT5 R2 PCI (REV. 2.11) MICRO-STAR INTERNATIONAL CO., LTD.   MS-5103 MICRO-STAR INTERNATIONAL CO., LTD.   MS-5103 PCI/ISA 586MCI MICRO-STAR INTERNATIONAL CO., LTD.   MS-5106 MICRO-STAR INTERNATIONAL CO., LTD.   MS-5107 MICRO-STAR INTERNATIONAL CO., LTD.   MS-5108 MICRO-STAR INTERNATIONAL CO., LTD.   MS-5109 MICRO-STAR INTERNATIONAL CO., LTD.   MS-5111 MICRO-STAR INTERNATIONAL CO., LTD.   MS-5116 MICRO-STAR INTERNATIONAL CO., LTD.   MS-5117 MICRO-STAR INTERNATIONAL CO., LTD.   MS-5118 MICRO-STAR INTERNATIONAL CO., LTD.   MS-5119 MICRO-STAR INTERNATIONAL CO., LTD.   MS-5120 MICRO-STAR INTERNATIONAL CO., LTD.   MS-5120 MICRO-STAR INTERNATIONAL CO., LTD.   MS-5122 MICRO-STAR INTERNATIONAL CO., LTD.   MS-5123 MICRO-STAR INTERNATIONAL CO., LTD.   MS-5128 MICRO-STAR INTERNATIONAL CO., LTD.   MS-5128 (VER. 1.1) MICRO-STAR INTERNATIONAL CO., LTD.   MS-5129 MICRO-STAR INTERNATIONAL CO., LTD.   MS-5130 (VER 1.1) MICRO-STAR INTERNATIONAL CO., LTD.   MS-5136 MICRO-STAR INTERNATIONAL CO., LTD.   MS-5136 (VER 1.0) MICRO-STAR INTERNATIONAL CO., LTD.   MS-5143 MICRO-STAR INTERNATIONAL CO., LTD.   MS-5143 (VER. 2) MICRO-STAR INTERNATIONAL CO., LTD.   MS-5144 MICRO-STAR INTERNATIONAL CO., LTD.   MS-5145 MICRO-STAR INTERNATIONAL CO., LTD.   MS-5146 MICRO-STAR INTERNATIONAL CO., LTD.   MS-5148 MICRO-STAR INTERNATIONAL CO., LTD.   MS-5149 MICRO-STAR INTERNATIONAL CO., LTD.   MS-5156 MICRO-STAR INTERNATIONAL CO., LTD.   MS-5158 MICRO-STAR INTERNATIONAL CO., LTD.   MS-5163 MICRO-STAR INTERNATIONAL CO., LTD.   MS-5164 MICRO-STAR INTERNATIONAL CO., LTD.   MS-5165 MICRO-STAR INTERNATIONAL CO., LTD.   MS-5167 MICRO-STAR INTERNATIONAL CO., LTD.   MS-5168 MICRO-STAR INTERNATIONAL CO., LTD.   MS-5169 MICRO-STAR INTERNATIONAL CO., LTD.   MS-5170 MICRO-STAR INTERNATIONAL CO., LTD.   MS-5172 MICRO-STAR INTERNATIONAL CO., LTD.   MS-5176 MICRO-STAR INTERNATIONAL CO., LTD.   MS-5182 MICROMODULE SYSTEMS, INC.   GEMINI (REV. 2.0) MICRONICS COMPUTERS, INC   M54SI MICRONICS COMPUTERS, INC.   CYCLONE MICRONICS COMPUTERS, INC.   D5CUB PCI/ISA MICRONICS COMPUTERS, INC.   LPX54 (REV. 3A) MICRONICS COMPUTERS, INC.   M54E2 MICRONICS COMPUTERS, INC.   M54HI, M54HI (REV. 2A) MICRONICS COMPUTERS, INC.   M54HI-PLUS MICRONICS COMPUTERS, INC.   M54LI (REV. 1B) MICRONICS COMPUTERS, INC.   M54PE (REV. 4A) MICRONICS COMPUTERS, INC.   M54PI (DIABLO BOARD) MICRONICS COMPUTERS, INC.   M55HI-PLUS MICRONICS COMPUTERS, INC.   M5PE SYSTEM BOARD MICRONICS COMPUTERS, INC.   M5PI SYSTEM BOARD MICRONICS COMPUTERS, INC.   M7S-HI MICRONICS COMPUTERS, INC.   THUNDERBOLT MICRONICS COMPUTERS, INC.   TWISTER MICRONICS COMPUTERS, INC.   TWISTER AT MICRONICS COMPUTERS, INC.   TWISTER AT (REV. 1B) MITAC INTERNATIONAL COMPUTER   PH5400TX MITAC INTERNATIONAL CORPORATION   PB5400S MITAC INTERNATIONAL CORPORATION   PB5400T MITAC INTERNATIONAL CORPORATION   PH5400V MITAC INTERNATIONAL CORPORATION   PH5400VR MODULAR CIRCUIT TECHNOLOGY   JDR-P586-60 MODULAR CIRCUIT TECHNOLOGY   MCT-M586-60/66 MODULAR CIRCUIT TECHNOLOGY   MCT-M586-90 MOTOROLA, INC.   NLXP55 MOTOROLA, INC.   PV5000 MYLEX CORPORATION   MGPS-PNTM MYLEX CORPORATION   MGPT-PNTM-B1 MYLEX CORPORATION   MGPT-PNTM-B2 MYLEX CORPORATION   MPE-PNTM NEXGEN, INC.   NEXGEN VL NIAGARA SMD TECHNOLOGY, INC.   NT924 NIAGARA SMD TECHNOLOGY, INC.   NT924 (REV. 2) NIAGARA SMD TECHNOLOGY, INC.   NT924 REV-PB CACHE NIAGARA SMD TECHNOLOGY, INC.   NT928 S4 NIAGARA SMD TECHNOLOGY, INC.   NT944 NORTHGATE COMPUTER SYSTEMS, INC.   ELEGANCE PENTIUM 90 OCEAN INFORMATION SYSTEMS, INC.   BISON II REV. 1.0 OCEAN INFORMATION SYSTEMS, INC.   BISON III REV. 1.0 OCEAN INFORMATION SYSTEMS, INC.   RHINO 5 OCEAN INFORMATION SYSTEMS, INC.   RHINO 6VX OCEAN INFORMATION SYSTEMS, INC.   RHINO 9 (VER. 1.0) OCEAN INFORMATION SYSTEMS, INC.   RHINO 9 (VER. 1.01) PACKARD BELL   PENTIUM 90MHZ PC CHIPS MANUFACTURING, LTD.   M558 PC CHIPS MANUFACTURING, LTD.   M559 PC CHIPS MANUFACTURING, LTD.   M570 PC CHIPS MANUFACTURING, LTD.   M571 PC CHIPS MANUFACTURING, LTD.   M572 PC CHIPS MANUFACTURING, LTD.   M573 PC CHIPS MANUFACTURING, LTD.   M575 PC CHIPS MANUFACTURING, LTD.   M577 PC CHIPS MANUFACTURING, LTD.   M590 PC WARE INTERNATIONAL, INC.   MB-ARIES PC WARE INTERNATIONAL, INC.   MB-ARIES + PC WARE INTERNATIONAL, INC.   MB-ARIES II PC WARE INTERNATIONAL, INC.   MB-PISCES PC WARE INTERNATIONAL, INC.   MB-PISCES + PC WARE INTERNATIONAL, INC.   MB-TRITON W PC WAVE, INC.   M-560 PC WAVE, INC.   M537 PC WAVE, INC.   M550 PC WAVE, INC.   M558 PC WAVE, INC.   M559 PC WAVE, INC.   M565 PC WAVE, INC.   M567 PC WAVE, INC.   M571 PC WAVE, INC.   M572 PC WAVE, INC.   M575 PEACOCK AG   INTEL PENTIUM PCI BATMAN REVENGE PHILIPS CONSUMER ELECTRONICS, CO.   E520 PHILIPS CONSUMER ELECTRONICS, CO.   E530 PHILIPS CONSUMER ELECTRONICS, CO.   E532-R2 PHILIPS CONSUMER ELECTRONICS, CO.   E562 PHILIPS CONSUMER ELECTRONICS, CO.   E853 PINE TECHNOLOGY   PT-2003 PINE TECHNOLOGY   PT-726 PINE TECHNOLOGY   PT-7542 PINE TECHNOLOGY   PT-7602 PIONEX TECHNOLOGIES, INC.   MB-8500TAC-A (VER. 4) PIONEX TECHNOLOGIES, INC.   MB-8500TAC-A (VER. 5) PIONEX TECHNOLOGIES, INC.   MB-8500TUC PIONEX TECHNOLOGIES, INC.   MB-8500TUR PIONEX TECHNOLOGIES, INC.   MB-8500TVX PROGEN TECHNOLOGY, INC.   PTI SQ588 SIS PURETEK INDUSTRIAL CO., LTD.   PT-5001 QDI COMPUTER, INC.   P5I430HX-T2 FRONTIER QDI COMPUTER, INC.   P5I430HX280-T2 FRONTIER QDI COMPUTER, INC.   P5I430TX TITANIUM IB QDI COMPUTER, INC.   P5I430TX TITANIUM IB+ QDI COMPUTER, INC.   P5I430TX-250 QDI COMPUTER, INC.   P5I430TX-400 QDI COMPUTER, INC.   P5I430TX-MATXB TITANIUM IIIB QDI COMPUTER, INC.   P5I430TX/IIB TITANIUM IIB QDI COMPUTER, INC.   P5I430VX-250 EXPLORER QDI COMPUTER, INC.   P5I430VX-250DM EXPLORER II QDI COMPUTER, INC.   P5I430VX-250DM EXPLORER II (SPEED EASY) QDI COMPUTER, INC.   QDI-437FX-250 QDI COMPUTER, INC.   QDI-437FX-FMB (P5I437) QDI COMPUTER, INC.   V5P596P2 PENTIUM VL QUICK TECHNOLOGY, INC.   586 SP QUICK TECHNOLOGY, INC.   P54AS QUICK TECHNOLOGY, INC.   P54ASW QUICK TECHNOLOGY, INC.   P54SP QUICK TECHNOLOGY, INC.   P54TS/P54TSW/P54TSW2 QUICK TECHNOLOGY, INC.   P55XB2 RELIALOGIC CORPORATION PRIVATE, LTD.   SI54A RELIALOGIC CORPORATION PRIVATE, LTD.   SI54AEIO REPLY CORPORATION   PROLINEA,VALUEPOINT,PS/1 PENTATHLON/PCI ROBOTECH, INC.   COBRA RS P60 ROBOTECH, INC.   COBRA-XLP-PCI ROBOTECH, INC.   COBRA-XLT ROBOTECH, INC.   PENTIUM 60MHZ SEANIX TECHNOLOGY, INC.   ASI 9000 SEANIX TECHNOLOGY, INC.   OEM-I HX SEANIX TECHNOLOGY, INC.   P5-PCI-VL SEANIX TECHNOLOGY, INC.   PC54CVIP (VER. 1.0) SEANIX TECHNOLOGY, INC.   YUKON HX SEANIX TECHNOLOGY, INC.   YUKON SYSTEM BOARD SEANIX TECHNOLOGY, INC.   YUKON TX SHUTTLE COMPUTER INTERNATIONAL, INC.   HOT-503 SHUTTLE COMPUTER INTERNATIONAL, INC.   HOT-523 SHUTTLE COMPUTER INTERNATIONAL, INC.   HOT-528 SHUTTLE COMPUTER INTERNATIONAL, INC.   HOT-539 SHUTTLE COMPUTER INTERNATIONAL, INC.   HOT-541 SHUTTLE COMPUTER INTERNATIONAL, INC.   HOT-541 (REV. 1) SHUTTLE COMPUTER INTERNATIONAL, INC.   HOT-541 (VER. 2.2) SHUTTLE COMPUTER INTERNATIONAL, INC.   HOT-543 SHUTTLE COMPUTER INTERNATIONAL, INC.   HOT-553 SHUTTLE COMPUTER INTERNATIONAL, INC.   HOT-555 SHUTTLE COMPUTER INTERNATIONAL, INC.   HOT-555A SHUTTLE COMPUTER INTERNATIONAL, INC.   HOT-557 SHUTTLE COMPUTER INTERNATIONAL, INC.   HOT-557 (VER. 1.5) SHUTTLE COMPUTER INTERNATIONAL, INC.   HOT-559 SHUTTLE COMPUTER INTERNATIONAL, INC.   HOT-559 (VER. 1.3) SHUTTLE COMPUTER INTERNATIONAL, INC.   HOT-559S (VER. 1.3) SHUTTLE COMPUTER INTERNATIONAL, INC.   HOT-565 SHUTTLE COMPUTER INTERNATIONAL, INC.   HOT-566 SHUTTLE COMPUTER INTERNATIONAL, INC.   HOT-567 SHUTTLE COMPUTER INTERNATIONAL, INC.   HOT-569 (VER. 2.0) SHUTTLE COMPUTER INTERNATIONAL, INC.   HOT-571 SHUTTLE COMPUTER INTERNATIONAL, INC.   HOT-579 SHUTTLE COMPUTER INTERNATIONAL, INC.   HOT-591 SHUTTLE COMPUTER INTERNATIONAL, INC.   HOT-591P SHUTTLE COMPUTER INTERNATIONAL, INC.   HOT-595 SHUTTLE COMPUTER INTERNATIONAL, INC.   HOT-603 SIEMENS NIXDORF   SYSTEM BOARD D1034 SIEMENS NIXDORF   SYSTEM BOARD D1042 SIEMENS NIXDORF   SYSTEM BOARD D873 SIEMENS NIXDORF INFORMATIONSSYSTEME AG   S26361-D808-A21 SIEMENS NIXDORF INFORMATIONSSYSTEME AG   S26361-D818 SIEMENS NIXDORF INFORMATIONSSYSTEME AG   S26361-D841 SIEMENS NIXDORF INFORMATIONSSYSTEME AG   S26361-D842 SIEMENS NIXDORF INFORMATIONSSYSTEME AG   S26361-D842 SIEMENS NIXDORF INFORMATIONSSYSTEME AG   S26361-D858 SIEMENS NIXDORF INFORMATIONSSYSTEME AG   SYSTEM BOARD D823 SIEMENS NIXDORF INFORMATIONSSYSTEME AG   SYSTEM BOARD D841 SIEMENS NIXDORF INFORMATIONSSYSTEME AG   SYSTEM BOARD D912 SIEMENS NIXDORF INFORMATIONSSYSTEME AG   SYSTEM BOARD D943 SIEMENS NIXDORF INFORMATIONSSYSTEME AG   SYSTEM BOARD D963 SIEMENS NIXDORF INFORMATIONSSYSTEME AG   SYSTEM BOARD D969 SIEMENS NIXDORF INFORMATIONSSYSTEME AG   SYSTEM BOARD D983 SIEMENS NIXDORF INFORMATIONSSYSTEME AG   SYSTEM BOARD PCD-5H SIEMENS-NIXDORF INFORMATIONSSYSTEME AG   SYSTEM BOARD D1025 SIEMENS-NIXDORF INFORMATIONSSYSTEME AG   SYSTEM BOARD D990 SILICON STAR INTERNATIONAL, INC.   IT5H SILICON STAR INTERNATIONAL, INC.   IT5V SILICON STAR INTERNATIONAL, INC.   PE5 (REV. 1.2) SILICON STAR INTERNATIONAL, INC.   PE5 (REV. 1B) SILICON STAR INTERNATIONAL, INC.   PG5 PCI SILICON STAR INTERNATIONAL, INC.   PH5 (REV. 1.1) SILICON STAR INTERNATIONAL, INC.   PK5 (REV. 1.1) SILICON STAR INTERNATIONAL, INC.   PK5 PCI SILICON STAR INTERNATIONAL, INC.   PN5 SILICON STAR INTERNATIONAL, INC.   PN5 (REV. 1.4) SILICON STAR INTERNATIONAL, INC.   PN5 PCI (REV. 1.2) SILICON STAR INTERNATIONAL, INC.   PR5 (REV. 1.01) SILICON STAR INTERNATIONAL, INC.   PR5 PCI (REV. 1.0) SILICON STAR INTERNATIONAL, INC.   PR5 R2 PCI (REV (2.01) SILICON STAR INTERNATIONAL, INC.   PR5B (REV. 1.01) SILICON STAR INTERNATIONAL, INC.   PS5 PCI SILICON STAR INTERNATIONAL, INC.   PT5 R2 PCI SILICON STAR INTERNATIONAL, INC.   SM5 SILICON STAR INTERNATIONAL, INC.   SM5-A SIMA TECHNOLOGY CO., LTD.   I430VX MAINBOARD SKYWELL TECHNOLOGY CORPORATION, LTD.   I430VX SKYWELL TECHNOLOGY CORPORATION, LTD.   VT586TX SOLTEK COMPUTER ,INC.   82430VX, P54CX/P55C SOLTEK COMPUTER, INC.   SL-53A2, SL-53A5 SOLTEK COMPUTER, INC.   SL-53E5 SOLTEK COMPUTER, INC.   SL-54A2-S, SL-54A5-S SOLTEK COMPUTER, INC.   SL-54T5 SOLTEK COMPUTER, INC.   SL-54U5, SL-54U1 SOLTEK COMPUTER, INC.   SL-55A2, SL-55A5 SOLTEK, INC.   SL-53D2, SL-53D5 SOLTEK, INC.   SL-54P2, SL-54P5, SL-54R2, SL-54R5, SL-54S2, SL-54S5 SOLTEK, INC.   SL-56A2, SL-56A5 SOYO COMPUTER CO., LTD.   5BT5 SOYO COMPUTER CO., LTD.   5EA5/A5C SOYO COMPUTER CO., LTD.   5EAS5 SOYO COMPUTER CO., LTD.   5ED5, 5EDM SOYO COMPUTER CO., LTD.   5TF0/F2/F5 SOYO COMPUTER CO., LTD.   5TH0/H2/H5 SOYO COMPUTER CO., LTD.   5TS0/S2/S5 SOYO COMPUTER CO., LTD.   5TT5 SOYO COMPUTER CO., LTD.   5TX2/X5 SOYO COMPUTER CO., LTD.   5V A0/A2/A5 SOYO COMPUTER CO., LTD.   5VC2/C5/C5M SOYO COMPUTER CO., LTD.   5VD2/D5 SOYO COMPUTER CO., LTD.   5VM2/M5 SOYO COMPUTER CO., LTD.   5VX0/X2/X5 SOYO COMPUTER CO., LTD.   5XA5, 5XAE5 SOYO COMPUTER CO., LTD.   5XB5 SOYO COMPUTER CO., LTD.   PENTIUM (P54C) PCI MAINBOARD SOYO COMPUTER CO., LTD.   SY-032 A2/A5/A1M SOYO COMPUTER CO., LTD.   SY-033 A2/A5/A1M SOYO COMPUTER CO., LTD.   SY-5BT5 (VER. 1.1) SOYO COMPUTER CO., LTD.   SY-5EH5 SOYO COMPUTER CO., LTD.   SY-5EHM SOYO COMPUTER CO., LTD.   SY-5EMA+ SOYO COMPUTER CO., LTD.   SY-5EMM SOYO COMPUTER CO., LTD.   SY-5SM2/M5 SOYO COMPUTER CO., LTD.   SY-5STM SOYO COMPUTER CO., LTD.   SY-5TA2, SY-5TA5 SOYO COMPUTER CO., LTD.   SY-5TC2/C5 SOYO COMPUTER CO., LTD.   SY-5TE2/E5/E0 SOYO TECHNOLOGY COMPANY, INC.   SY-05TA2/A5 SOYO TECHNOLOGY COMPANY, LTD.   PENTIUM (P54C) EISA PCI MAINBOARD SPRING CIRCLE COMPUTER, INC.   ST586 REV. P550 PCI MB SPRINT MANUFACTURING CORPORATION   MB-P5N DP SPRINT MANUFACTURING CORPORATION   MB-P5N SP SPRINT MANUFACTURING CORPORATION   MB-P5VI SUK JUNG ELECTRONIC CO., LTD.   PTM VX2 SUK JUNG ELECTRONIC CO., LTD.   SJ-PTM HX SUPER MICRO   P54CT-PCI (REV. 1.2) SUPER MICRO   P54VL-PCI SUPER MICRO   P55CMA, P55CMS (REV. 2.0) SUPER MICRO   P55CMA/P55CMS (REV. 1.1) SUPER MICRO   P55CWA (REV. 1.3) SUPER MICRO   P55CWS (REV. 1.3) SUPER MICRO   P5MMA2 SUPER MICRO   P5MMA98 SUPER MICRO   P5MMS98, P5MMS2 SUPER MICRO   P5STD SUPER MICRO   P5STE SUPER MICRO   P5VL-PCI SUPERPOWER COMPUTER CO., LTD.   SP-586TA SUPERPOWER COMPUTER CO., LTD.   SP-586TB SUPERPOWER COMPUTER CO., LTD.   SP-A586B SUPERPOWER COMPUTER CO., LTD.   SP-V586A SUPERPOWER COMPUTER CO., LTD.   SP-V586B TAKEN CORPORATION   ATX586 TAKEN CORPORATION   TX2 TAKEN CORPORATION   VX3 TECHMEDIA COMPUTER SYSTEMS CORPORATION   TMB-I430VX-ATX TECHNOLAND, INC.   PEAK 500I, 500P TECHNOLAND, INC.   PEAK 501I, 501P TECHNOLAND, INC.   PEAK 5020 TECHNOLAND, INC.   PEAK 520 TECHNOLAND, INC.   PEAK 520S TECHNOLAND, INC.   PEAK 521 TECHNOLAND, INC.   PEAK 521S TECHNOLAND, INC.   PEAK 530 TECHNOLAND, INC.   PEAK 550 TECHNOLAND, INC.   PEAK 560 TECHNOLAND, INC.   PEAK 560S TEKNOR INDUSTRIAL COMPUTERS, INC.   AI5VG+ (100MHZ) (VER. 1.0B) TEKNOR INDUSTRIAL COMPUTERS, INC.   PCI-934 TEKNOR INDUSTRIAL COMPUTERS, INC.   PCI-935 TEKNOR INDUSTRIAL COMPUTERS, INC.   TEK 932 TEKNOR INDUSTRIAL COMPUTERS, INC.   TEK933 TEKNOR INDUSTRIAL COMPUTERS, INC.   TEK936 TEKNOR INDUSTRIAL COMPUTERS, INC.   VIPER 820 TEKNOR INDUSTRIAL COMPUTERS, INC.   VIPER821 TEKRAM TECHNOLOGY CO., INC.   P5H30-NS/WS TEKRAM TECHNOLOGY CO., LTD.   P5H30 TEKRAM TECHNOLOGY CO., LTD.   P5H30-WS TEKRAM TECHNOLOGY CO., LTD.   P5MVP-A4 TEKRAM TECHNOLOGY CO., LTD.   P5MVP-B4 TEKRAM TECHNOLOGY CO., LTD.   P5T30-A4 TEKRAM TECHNOLOGY CO., LTD.   P5T30-B4 TEKRAM TECHNOLOGY CO., LTD.   P5T30-B4E TEKRAM TECHNOLOGY CO., LTD.   P5V30-B4 TEKRAM TECHNOLOGY CO., LTD.   P5VP3-B3 TEXAS MICRO SYSTEMS, INC.   PE5000HX TEXAS MICRO, INC.   L5000HX SBC TEXAS MICRO, INC.   P5000HX SBC TEXAS MICRO, INC.   P5000HX WMB TEXAS MICRO, INC.   P5000HX-M SBC TEXAS MICRO, INC.   P5000HX-M-WMB TEXAS MICRO, INC.   P5000HX2 SBC TEXAS MICRO, INC.   P5000HX2-M SBC TEXAS MICRO, INC.   PF5000HX2 SBC TEXAS MICRO, INC.   PF5000HX2-M SBC TEXAS MICRO, INC.   PV5000HX2 SBC TEXAS MICRO, INC.   PV5000HX2-M SBC TEXAS MICROSYSTEMS, INC.   D560C TEXAS MICROSYSTEMS, INC.   P5000HX TEXAS MICROSYSTEMS, INC.   P560C TEXAS MICROSYSTEMS, INC.   P575/90 TEXAS MICROSYSTEMS, INC.   PV5000HX TMC RESEARCH CORPORATION   AI5TH (VER. 1.0E) TMC RESEARCH CORPORATION   AI5TT (VER. 1.0) TMC RESEARCH CORPORATION   AI5TT (VER. 1.1) TMC RESEARCH CORPORATION   AI5TV (VER. 1.3C) TMC RESEARCH CORPORATION   AI5TV (VER. 2.2) TMC RESEARCH CORPORATION   AI5VG (VER. 1.0) TMC RESEARCH CORPORATION   AI5VG+ (66MHZ) (VER. 1.0B) TMC RESEARCH CORPORATION   AI5VP (VER. 1.0A) TMC RESEARCH CORPORATION   CAT54IT, CAP54IT (VERSIONS 1.0 AND 1.00) TMC RESEARCH CORPORATION   CI5TT (VER. 1.1) TMC RESEARCH CORPORATION   CI5TTL (VER. 1.1), CI5TTL(D) (VER. 1.1) TMC RESEARCH CORPORATION   CI5TTP (VER. 1.0) TMC RESEARCH CORPORATION   CI5TTPX (VER. 1.0) TMC RESEARCH CORPORATION   CI5TTV (VER. 1.1) TMC RESEARCH CORPORATION   ICT54IT TMC RESEARCH CORPORATION   LI5TV (VER. 1.0A) TMC RESEARCH CORPORATION   PAT45PVS (VER.2.0) TMC RESEARCH CORPORATION   PAT54PV (VER 1.0A, 1.1A) TMC RESEARCH CORPORATION   PAT58PV (VER. 1.2A) TMC RESEARCH CORPORATION   PCI54AG (VER. 1.0) TMC RESEARCH CORPORATION   PCI54AL (VER. 1.0A) TMC RESEARCH CORPORATION   PCI54IT (VER. 0.10) TMC RESEARCH CORPORATION   PCI54IT (VER. 0.10C) TMC RESEARCH CORPORATION   PCI54ITS (VER. 2.0) TMC RESEARCH CORPORATION   PCI54PL (VER. 1.0) TMC RESEARCH CORPORATION   PCI54PL VERSION 1.0A TMC RESEARCH CORPORATION   PCI54PV (VER. 1.2A) TMC RESEARCH CORPORATION   PCI54PV III (VER. 0.10) TMC RESEARCH CORPORATION   PCI54PV4 (VER. 2.10) TMC RESEARCH CORPORATION   PCI54SP (VER. 1.0) TMC RESEARCH CORPORATION   PCI54ST (VER. 1.0A) TMC RESEARCH CORPORATION   PCI54SV (VER. 0.0) TMC RESEARCH CORPORATION   PCI58AL (VER. 1.0) TMC RESEARCH CORPORATION   PCI58PL (VER. 1.0B) TMC RESEARCH CORPORATION   PCI58PV (VER 1.0A) TMC RESEARCH CORPORATION   PCI58SP (VER. 1.0) TMC RESEARCH CORPORATION   PET58PV (VER. 1.0) TMC RESEARCH CORPORATION   SI5TT (VER. 1.0) TMC RESEARCH CORPORATION   TI5TH (VER. 1.0B) TMC RESEARCH CORPORATION   TI5TT (VER. 1.0B) TMC RESEARCH CORPORATION   TI5TT (VER. 1.1) TMC RESEARCH CORPORATION   TI5TV (A) (VER. 3.0B) TMC RESEARCH CORPORATION   TI5VG (VER. 1.0A) TMC RESEARCH CORPORATION   TI5VG+ 100MHZ (VER. 1.0B) TMC RESEARCH CORPORATION   TI5VG+ 66MHZ (VER. 1.0B) TMC RESERCH CORPORATION   AI5TH (VER. 1.0) TORONTO MICROELECTRONICS, INC.   TME2106 TOTEM TECHNOLOGY CO., LTD.   TM-586 AL100 TOTEM TECHNOLOGY CO., LTD.   TM-586 IP2 TOTEM TECHNOLOGY CO., LTD.   TM-586 IV2 TOTEM TECHNOLOGY CO., LTD.   TM-586 TX1 TOTEM TECHNOLOGY CO., LTD.   TM-586 TX3 TOTEM TECHNOLOGY CO., LTD.   TM-586 TX4 TOTEM TECHNOLOGY CO., LTD.   TM-586VA TOTEM TECHNOLOGY CO., LTD.   TM-P2EXAT TRENTON TECHNOLOGY, INC.   TR-P5EISA TRENTON TECHNOLOGY, INC.   TR-P5PCI TRENTON TECHNOLOGY, INC.   TR-T2PCI TRENTON TECHNOLOGY, INC.   TR-T2VPCI TRIGEM MICROSYSTEM, INC.   RD535 TRIGEM MICROSYSTEMS, INC.   LI545 TULIP COMPUTERS   TR 586 EISA (VER. 1) (TC37) TULIP COMPUTERS   TULIP IMPRESSION LINE COMFORT/COMPACT/EXTEND 5/75 TYAN COMPUTER CORPORATION   S1441 PENTIUM-VL (Rev. 1.0) TYAN COMPUTER CORPORATION   S1441 PENTIUM-VL (Revision 1.1) TYAN COMPUTER CORPORATION   S1452 REV. 1.0 TYAN COMPUTER CORPORATION   S1461 TYAN COMPUTER CORPORATION   S1462 TYAN COMPUTER CORPORATION   S1462 REV. 2.0 TYAN COMPUTER CORPORATION   S1466 TYAN COMPUTER CORPORATION   S1468 TYAN COMPUTER CORPORATION   S1469 TYAN COMPUTER CORPORATION   S1470 TYAN COMPUTER CORPORATION   S1471 TYAN COMPUTER CORPORATION   S1472 TYAN COMPUTER CORPORATION   S1562D (REV. 1.0) TYAN COMPUTER CORPORATION   S1562D (REV. 1.1) TYAN COMPUTER CORPORATION   S1562S (REV. 1.0) TYAN COMPUTER CORPORATION   S1562S (REV. 1.1) TYAN COMPUTER CORPORATION   S1563D (REV. 1.0) TYAN COMPUTER CORPORATION   S1563S (REV. 1.0) TYAN COMPUTER CORPORATION   S1564D TYAN COMPUTER CORPORATION   S1564S TYAN COMPUTER CORPORATION   S1570 (REV. 1.0) TYAN COMPUTER CORPORATION   S1571 TYAN COMPUTER CORPORATION   S1572 TYAN COMPUTER CORPORATION   S1573S TYAN COMPUTER CORPORATION   S1576S TYAN COMPUTER CORPORATION   S1590 UNIDENTIFED   SQ-595 UNIDENTIFIED   HP5-ISA-6A6B1 UNIDENTIFIED   MB-54VP UNIDENTIFIED   P5 UNIDENTIFIED   P54C MAINBOARD UNIDENTIFIED   P54C-IP UNIDENTIFIED   P54C-SC UNIDENTIFIED   P55-ET UNIDENTIFIED   P55-TH UNIDENTIFIED   PCI TR5 UNIDENTIFIED   PM586PA PCI UNIDENTIFIED   POWERSPEC VEXTREC   GMB-P57IPS (VER. 3.03) VEXTREC TECHNOLOGY INC.   GMB-P57IAX (VER. 1.20) VEXTREC TECHNOLOGY INC.   GMB-P57IPS (VER. 2.01) VEXTREC TECHNOLOGY INC.   GMB-P57IPS (VER. 3.01) VEXTREC TECHNOLOGY, INC.   GMB-P56IAX (VER. 1.02) VEXTREC TECHNOLOGY, INC.   GMB-P56IPA (VER. 1.01) VEXTREC TECHNOLOGY, INC.   GMB-P56IPS (VER. 1.06) VEXTREC TECHNOLOGY, INC.   GMB-P56IPS (VER. 3.02) VEXTREC TECHNOLOGY, INC.   GMB-P56IPS (VER. 5.02) VEXTREC TECHNOLOGY, INC.   GMB-P56VPS (VER. 1.10) VEXTREC TECHNOLOGY, INC.   GMB-P57IAA (VER. 1.10) VEXTREC TECHNOLOGY, INC.   GMB-P57IPA (VER. 1.21) VEXTREC TECHNOLOGY, INC.   GMB-P57IPS (VER. 3.05) VEXTREC TECHNOLOGY, INC.   GMB-P57IPS (VER. 5.03) VEXTREC TECHNOLOGY, INC.   GMB-P57IPS (VER. 5.03) VEXTREC TECHNOLOGY, INC.   GMB-P57SAX (VER. 1.20) VEXTREC TECHNOLOGY, INC.   GMB-P57VPS (VER. 3.02) VEXTREC TECHNOLOGY, INC.   GMB-P58VAX (VER. 1.10) VEXTREC TECNHOLOGY, INC.   GMB-P54SPS (VER. 2.00) VEXTREC	 COMPUTER, INC.   GMB-P57IPS (VER. 5.11) VISION TECHNOLOGIES   INFINITY VISION TECHNOLOGIES   PVPT VISION TECHNOLOGIES   VISION 2010 VISION TECHNOLOGIES   VS PT VTECH INDUSTRIES, INC.   MB520N VTECH INDUSTRIES, INC.   MB520ND WIN LAN ENTERPRISE CO., LTD.   EL-EP05 WIN LAN ENTERPRISE CO., LTD.   EL-EP06 WIN LAN ENTERPRISE CO., LTD.   EL-EP06-V5 WYSE TECHNOLOGY, INC.   WYSE SERIES 6000I (MODEL 665) YOUNG MICRO SYSTEMS, INC.   ADVANCED/ML YOUNG MICRO SYSTEMS, INC.   CROSS P5-VIP (REV 1.0) YOUNG MICRO SYSTEMS, INC.   CROSS P5-VLB YOUNG MICRO SYSTEMS, INC.   CROSS P54C-VIP (REV. 1.0) YOUNG MICRO SYSTEMS, INC.   MB-5820 YOUNG MICRO SYSTEMS, INC.   TC430HX YOUNG MICRO SYSTEMS, INC.   VEGA MERCURY PENTIUM PCI YOUNG MICRO SYSTEMS, INC.   VEGA P54C-IDP YOUNG MICRO SYSTEMS, INC.   VEGA VI-P5-IP ZENITH DATA SYSTEMS, INC.   Z-SERVER WL ZEOS INTERNATIONAL, LTD.   PANTERA Pentium ZIDA TECHNOLOGIES INC.   5DTX (VER. 1.00) ZIDA TECHNOLOGIES INC.   5DXP (VER. 1.0, 2.0) ZIDA TECHNOLOGIES INC.   5DXP (VER. 3.10) ZIDA TECHNOLOGIES INC.   5STX (VER. 1.10) ZIDA TECHNOLOGIES INC.   5STX-E (VER. 1.10) ZIDA TECHNOLOGIES INC.   5STX-J98 (VER. 1.01) ZIDA TECHNOLOGIES INC.   5SVA (VER. 1.60), 5SVA-E (VER. 1.60) ZIDA TECHNOLOGIES INC.   GMB-P55IPS (VER. 1.52) ZIDA TECHNOLOGIES INC.   TX98 (VER. 1.01) ZIDA TECHNOLOGIES INC.   TX98-3D (VER. 1.01) ZIDA TECHNOLOGIES, INC.   5DHX (VER. 1.20) ZIDA TECHNOLOGIES, INC.   5DTX-TC/JY (VER. 2.00) ZIDA TECHNOLOGIES, INC.   5DVX (VER. 1.30) ZIDA TECHNOLOGIES, INC.   5SVX (VER. 1.30)