TYAN COMPUTER CORPORATION

S1576S

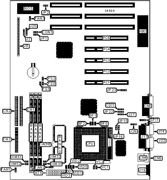
Device Type

Mainboard

Processor

CX 6X86/CX 6X86L/CX 686MX/AM K5/AM K6/Pentium

Processor Speed

75/90/100/120/133/150/166/200/233MHz

Chip Set

Intel

Video Chip Set

None

Maximum Onboard Memory

256MB (EDO & SDRAM supported)

Maximum Video Memory

None

Cache

512KB

BIOS

Award

Dimensions

305mm x 244mm

I/O Options

32-bit PCI slots (5), floppy drive interface, game port, green PC connector, IDE interfaces (2), parallel port, PS/2 mouse port, serial ports (2), IR connector, USB connectors (2), ATX power connector

NPU Options

None

CONNECTIONS

Purpose

Location

Purpose

Location

ATX power connector

ATX

Green PC connector

J8/pins 3 & 4

IDE interface 2

CN1

IR connector

J8/pins 6 - 11

IDE interface 1

CN2

IDE interface LED 1

J8/pins 13 & 14

Floppy drive interface

CN3

IDE interface LED 2

J8/pins 15 & 16

USB connector 1

CN4

Power LED

J8/pins 18 & 20

USB connector 2

CN5

Reset switch

J8/pins 22 & 23

Game port

CN6

Speaker

J8/pins 24 - 27

Wake on LAN connector

CON1

Serial port 1

J14

Chassis fan power

FAN1

Parallel port

J17

Chassis fan power

FAN2

PS/2 mouse port

J19

Chassis fan power

FAN3

Serial port 2

J22

IR connector

J2

32-bit PCI slots

PC1 – PC5

Soft off power supply

J8/pins 1 & 2

   

USER CONFIGURABLE SETTINGS

Function

Label

Position

»

Factory configured - do not alter

CDI1

Unidentified

»

Factory configured - do not alter

J25

Unidentified

»

Factory configured - do not alter

J26

Unidentified

»

Factory configured - do not alter

J27

Unidentified

»

CMOS memory normal operation

JP1

Pins 1 & 2 closed

 

CMOS memory clear

JP1

Pins 2 & 3 closed

 

Flash BIOS voltage select 12v

JP2

Pins 2 & 3 closed

 

Flash BIOS voltage select 5v

JP2

Pins 1 & 2 closed

»

Factory configured - do not alter

JP22

Unidentified

»

Factory configured - do not alter

JP23

Unidentified

DIMM CONFIGURATION

Size

Bank 0

Bank 1

Bank 2

8MB

(1) 1M x 64

None

None

16MB

(1) 2M x 64

None

None

16MB

(1) 1M x 64

(1) 1M x 64

None

24MB

(1) 2M x 64

(1) 1M x 64

None

24MB

(1) 1M x 64

(1) 1M x 64

(1) 1M x 64

DIMM CONFIGURATION (CON’T)

Size

Bank 0

Bank 1

Bank 2

32MB

(1) 4M x 64

None

None

32MB

(1) 2M x 64

(1) 1M x 64

(1) 1M x 64

32MB

(1) 2M x 64

(1) 2M x 64

None

40MB

(1) 4M x 64

(1) 1M x 64

None

40MB

(1) 2M x 64

(1) 2M x 64

(1) 1M x 64

48MB

(1) 4M x 64

(1) 1M x 64

(1) 1M x 64

48MB

(1) 4M x 64

(1) 2M x 64

None

48MB

(1) 2M x 64

(1) 2M x 64

(1) 2M x 64

56MB

(1) 4M x 64

(1) 2M x 64

(1) 1M x 64

64MB

(1) 8M x 64

None

None

64MB

(1) 4M x 64

(1) 2M x 64

(1) 2M x 64

64MB

(1) 4M x 64

(1) 4M x 64

None

72MB

(1) 8M x 64

(1) 1M x 64

None

72MB

(1) 4M x 64

(1) 4M x 64

(1) 1M x 64

80MB

(1) 8M x 64

(1) 1M x 64

(1) 1M x 64

80MB

(1) 8M x 64

(1) 2M x 64

None

80MB

(1) 4M x 64

(1) 4M x 64

(1) 2M x 64

88MB

(1) 8M x 64

(1) 2M x 64

(1) 1M x 64

96MB

(1) 8M x 64

(1) 2M x 64

(1) 2M x 64

96MB

(1) 8M x 64

(1) 4M x 64

None

96MB

(1) 4M x 64

(1) 4M x 64

(1) 4M x 64

104MB

(1) 8M x 64

(1) 4M x 64

(1) 1M x 64

112MB

(1) 8M x 64

(1) 4M x 64

(1) 2M x 64

128MB

(1) 16M x 64

None

None

128MB

(1) 8M x 64

(1) 4M x 64

(1) 4M x 64

128MB

(1) 8M x 64

(1) 8M x 64

None

136MB

(1) 16M x 64

(1) 1M x 64

None

136MB

(1) 8M x 64

(1) 8M x 64

(1) 1M x 64

144MB

(1) 16M x 64

(1) 1M x 64

(1) 1M x 64

144MB

(1) 16M x 64

(1) 2M x 64

None

144MB

(1) 8M x 64

(1) 8M x 64

(1) 2M x 64

152MB

(1) 16M x 64

(1) 2M x 64

(1) 1M x 64

160MB

(1) 16M x 64

(1) 2M x 64

(1) 2M x 64

160MB

(1) 16M x 64

(1) 4M x 64

None

DIMM CONFIGURATION (CON’T)

Size

Bank 0

Bank 1

Bank 2

160MB

(1) 8M x 64

(1) 8M x 64

(1) 4M x 64

168MB

(1) 16M x 64

(1) 4M x 64

(1) 1M x 64

176MB

(1) 16M x 64

(1) 4M x 64

(1) 2M x 64

192MB

(1) 16M x 64

(1) 4M x 64

(1) 4M x 64

192MB

(1) 16M x 64

(1) 8M x 64

None

192MB

(1) 8M x 64

(1) 8M x 64

(1) 8M x 64

200MB

(1) 16M x 64

(1) 8M x 64

(1) 1M x 64

208MB

(1) 16M x 64

(1) 8M x 64

(1) 2M x 64

224MB

(1) 16M x 64

(1) 8M x 64

(1) 4M x 64

256MB

(1) 16M x 64

(1) 8M x 64

(1) 8M x 64

Note: Board accepts EDO & SDRAM memory.

DIMM VOLTAGE CONFIGURATION

Voltage

DIM31

DIM32

DIM51

DIM52

3.3v

Closed

Closed

Open

Open

5v

Open

Open

Closed

Closed

CACHE CONFIGURATION

Size

Bank 0

512KB

(2) 64K x 32

CPU SPEED SELECTION (CX 6X86)

CPU speed

Clock speed

Multiplier

BF0

BF1

BF2

FS0

FS1

FS2

120MHz

50MHz

2x

Closed

Open

Open

Closed

Closed

Closed

150MHz

60MHz

2x

Closed

Open

Open

Closed

Open

Open

166MHz

66MHz

2x

Closed

Open

Open

Open

Open

Open

200MHz

75MHz

2x

Closed

Open

Open

Open

Closed

Open

CPU SPEED SELECTION (CX 6X86L)

CPU speed

Clock speed

Multiplier

BF0

BF1

BF2

FS0

FS1

FS2

150MHz

60MHz

2x

Closed

Open

Open

Closed

Open

Open

166MHz

66MHz

2x

Closed

Open

Open

Open

Open

Open

200MHz

75MHz

2x

Closed

Open

Open

Open

Closed

Open

CPU SPEED SELECTION (CX 6X86MX)

CPU speed

Clock speed

Multiplier

BF0

BF1

BF2

FS0

FS1

FS2

166MHz

60MHz

2.5x

Closed

Closed

Open

Closed

Open

Open

166MHz

66MHz

2x

Closed

Open

Open

Open

Open

Open

200MHz

66MHz

2.5x

Closed

Closed

Open

Open

Open

Open

200MHz

75MHz

2x

Closed

Open

Open

Open

Closed

Open

233MHz

66MHz

3x

Open

Closed

Open

Open

Open

Open

233MHz

75MHz

2.5x

Closed

Closed

Open

Open

Closed

Open

CPU SPEED SELECTION (AM K5)

CPU speed

Clock speed

Multiplier

BF0

BF1

BF2

FS0

FS1

FS2

90MHz

60MHz

1.5x

Open

Open

Open

Closed

Open

Open

100MHz

66MHz

1.5x

Open

Open

Open

Open

Open

Open

120MHz

60MHz

2x

Closed

Open

Open

Closed

Open

Open

133MHz

66MHz

2x

Closed

Open

Open

Open

Open

Open

166MHz

66MHz

2.5x

Closed

Closed

Open

Open

Open

Open

CPU SPEED SELECTION (AM K6)

CPU speed

Clock speed

Multiplier

BF0

BF1

BF2

FS0

FS1

FS2

166MHz

66MHz

2.5x

Closed

Closed

Open

Open

Open

Open

200MHz

66MHz

3x

Open

Closed

Open

Open

Open

Open

233MHz

66MHz

3.5x

Open

Open

Open

Open

Open

Open

CPU SPEED SELECTION (INTEL)

CPU speed

Clock speed

Multiplier

BF0

BF1

BF2

FS0

FS1

FS2

75MHz

50MHz

1.5x

Open

Open

Open

Closed

Closed

Closed

90MHz

60MHz

1.5x

Open

Open

Open

Closed

Open

Open

100MHz

66MHz

1.5x

Open

Open

Open

Open

Open

Open

120MHz

60MHz

2x

Closed

Open

Open

Closed

Open

Open

133MHz

66MHz

2x

Closed

Open

Open

Open

Open

Open

150MHz

60MHz

2.5x

Closed

Closed

Open

Closed

Open

Open

166MHz

66MHz

2.5x

Closed

Closed

Open

Open

Open

Open

200MHz

66MHz

3x

Open

Closed

Open

Open

Open

Open

CPU SPEED SELECTION (INTEL MMX)

CPU speed

Clock speed

Multiplier

BF0

BF1

BF2

FS0

FS1

FS2

166MHz

66MHz

2.5x

Closed

Closed

Open

Open

Open

Open

200MHz

66MHz

3x

Open

Closed

Open

Open

Open

Open

233MHz

66MHz

3.5x

Open

Open

Open

Open

Open

Open

CPU TYPE SELECTION

Type

VC1

VC2

AM K5

Open

Open

AM K6

Closed

Closed

CX 6X86

Open

Open

CX 6X86L

Closed

Closed

CX 6X86MX

Closed

Closed

P54C

Open

Open

P55C

Closed

Closed

CPU VOLTAGE SELECTION

Voltage

VID0

VID1

VID2

VID3

2.0v

Open

Open

Open

Open

2.1v

Closed

Open

Open

Open

2.2v

Open

Closed

Open

Open

2.3v

Closed

Closed

Open

Open

2.4v

Open

Open

Closed

Open

2.5v

Closed

Open

Closed

Open

2.6v

Open

Closed

Closed

Open

2.7v

Closed

Closed

Closed

Open

2.8v

Open

Open

Open

Closed

2.9v

Closed

Open

Open

Closed

3.0v

Open

Closed

Open

Closed

3.1v

Closed

Closed

Open

Closed

3.2v

Open

Open

Closed

Closed

3.3v

Closed

Open

Closed

Closed

3.4v

Open

Closed

Closed

Closed

3.5v

Closed

Closed

Closed

Closed

SERIAL PORT SELECTION

Setting

JP15

JP16

Used as serial port

Pins 1 & 2 closed

Pins 1 & 2 closed

Used as IR port

Pins 2 & 3 closed

Pins 2 & 3 closed