INTEL CORPORATION

TE430VX

Processor

Pentium

Processor Speed

75/90/100/120/133/150/166/200MHz

Chip Set

Intel

Video Chip Set

S3

Maximum Onboard Memory

128MB (EDO supported)

Maximum Video Memory

2MB

Cache

256/512KB

BIOS

AMI

Dimensions

305mm x 244mm

I/O Options

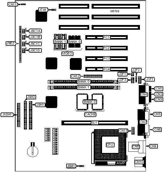
32-bit PCI slots (4), CD-ROM interface, floppy drive interface, green PC connector, IDE interfaces (2), parallel port, PS/2 mouse port, serial ports (2), VESA feature connector, VGA port, cache slot, IR connector, USB connectors (2), modem blaster connector, wave table connector, telephony connector, microphone in connector, line in connector, line out connector, MIDI/game port

NPU Options

None

CONNECTIONS

Purpose

Location

Purpose

Location

Microphone connector

CN1

CD-ROM connector

J2F2

Line in connector

CN2

Wave table connector

J2F3

Line out connector

CN3

Power on connector

J9E2 pins 1 & 2

MIDI/game port

CN4

Green PC connector

J9E2 pins 3 & 4

VGA port

CN5

IR connector

J9E2 pins 6 - 11

Serial port 1

CN6

IDE interface LED

J9E2 pins 13 - 16

Parallel port

CN7

Green PC LED

J9E2 pins 18 - 21

USB connector

CN8

Reset switch

J9E2 pins 22 & 23

USB connector

CN9

Speaker

J9E2 pins 24 - 27

PS/2 mouse port

CN10

IDE interface 1

J9H1

Chassis fan power

CN11

IDE interface 2

J9H2

VESA feature connector

CN12

Floppy drive interface

J10H1

Serial port 2

CN13

32-bit PCI slots

PC1 - PC4

Modem blaster connector

J1F1

Cache slot

SL1

Telephony connector

J2F1

   

USER CONFIGURABLE SETTINGS

Function

Label

Position

»

Flash BIOS normal operation

J7A1

Pins 1 & 2 closed

 

Flash BIOS recovery mode

J7A1

Pins 2 & 3 closed

»

Password normal operation

J9C1A

Pins 1 & 2 closed

 

Password clear

J9C1A

Pins 2 & 3 closed

»

CMOS memory normal operation

J9C1A

Pins 4 & 5 closed

 

CMOS memory clear

J9C1A

Pins 5 & 6 closed

»

Setup access enabled

J9C1B

Pins 1 & 2 closed

 

Setup access disabled

J9C1B

Pins 2 & 3 closed

»

Factory configured - do not alter

J9C1B

Open

DRAM CONFIGURATION (SDRAM)

Size

Bank 0

Bank 1

8MB

(1) 1M x 64

None

16MB

(1) 2M x 64

None

32MB

(1) 4M x 64

None

16MB

(1) 1M x 64

(1) 1M x 64

24MB

(1) 2M x 64

(1) 1M x 64

40MB

(1) 4M x 64

(1) 1M x 64

32MB

(1) 2M x 64

(1) 2M x 64

48MB

(1) 4M x 64

(1) 2M x 64

64MB

(1) 4M x 64

(1) 4M x 64

DRAM CONFIGURATION (DIMM EDO)

Size

Bank 0

Bank 1

8MB

(1) 1M x 64

None

16MB

(1) 2M x 64

None

16MB

(1) 1M x 64

(1) 1M x 64

24MB

(1) 2M x 64

(1) 1M x 64

32MB

(1) 4M x 64

None

32MB

(1) 2M x 64

(1) 2M x 64

40MB

(1) 4M x 64

(1) 1M x 64

48MB

(1) 4M x 64

(1) 2M x 64

64MB

(1) 8M x 64

None

64MB

(1) 4M x 64

(1) 4M x 64

72MB

(1) 8M x 64

(1) 1M x 64

80MB

(1) 8M x 64

(1) 2M x 64

96MB

(1) 8M x 64

(1) 4M x 64

128MB

(1) 8M x 64

(1) 8M x 64

CACHE CONFIGURATION

Size

Bank 0

SL1

256KB

(2) 32K x 32

Not installed

512KB

(2) 32K x 32

256KB module installed

Note: The location of the TAG chip is unidentified.

VIDEO MEMORY CONFIGURATION

Size

Bank 0

Bank 1

1MB

1MB

None

2MB

1MB

(2) 256K x 16

Note: Bank 0 is factory installed and is not configurable.

CPU SPEED SELECTION

CPU speed

Clock speed

Multiplier

J9C1C

J9C1D

75MHz

50MHz

1.5x

2 & 3, 5 & 6

1 & 2, 4 & 5

90MHz

60MHz

1.5x

2 & 3, 4 & 5

1 & 2, 4 & 5

100MHz

66MHz

1.5x

1 & 2, 5 & 6

1 & 2, 4 & 5

120MHz

60MHz

2x

2 & 3, 4 & 5

2 & 3, 4 & 5

133MHz

66MHz

2x

1 & 2, 5 & 6

2 & 3, 4 & 5

150MHz

60MHz

2.5x

2 & 3, 4 & 5

1 & 2, 5 & 6

166MHz

66MHz

2.5x

1 & 2, 5 & 6

1 & 2, 5 & 6

200MHz

66MHz

3x

1 & 2, 5 & 6

2 & 3, 5 & 6

Note: Pins designated should be in the closed position.

CPU TYPE SELECTION

Type

J6M1

VR

Pins 2 & 3 closed

VRE

Pins 1 & 2 closed