MICRONICS COMPUTERS, INC.

M7S-HI

Processor

AM K5/AM K6/Pentium

Processor Speed

75/90/100/120/133/150/166/200MHz

Chip Set

Intel

Video Chip Set

None

Maximum Onboard Memory

256MB (EDO supported)

Maximum Video Memory

None

Cache

256/512KB

BIOS

Phoenix

Dimensions

305mm x 244mm

I/O Options

32-bit PCI slots (4), CD-ROM audio in connector, floppy drive interface, game port, green PC connector, IDE interfaces (2), parallel port, PS/2 mouse port, serial ports (2), IR connector, VRM connector, USB connectors (2), ATX power connector, microphone in connector, line in connector, line out connector, telephony connector, wavetable connector

NPU Options

None

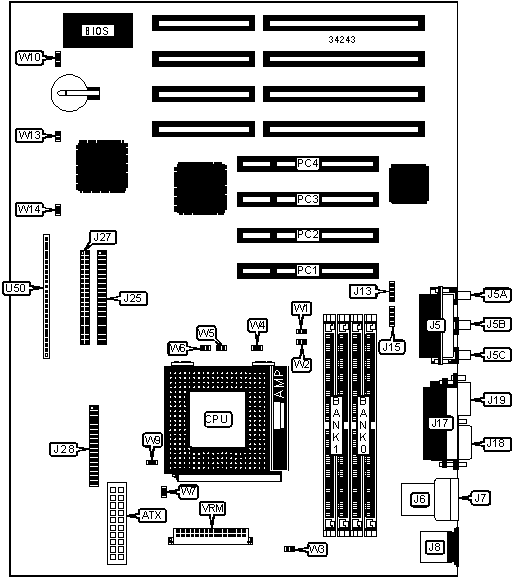
CONNECTIONS

Purpose

Location

Purpose

Location

ATX power connector

ATX

IDE interface 2

J25

Game port

J5

IDE interface 1

J27

Microphone in connector

J5A

Floppy drive interface

J28

Line in connector

J5B

32-bit PCI slots

PC1 – PC4

Line out connector

J5C

Soft off power supply

U50/pins 1 & 2

USB connector 1

J6

Green PC connector

U50/pins 3 & 4

USB connector 2

J7

IR connector

U50/pins 6 - 11

PS/2 mouse port

J8

IDE interface LED

U50/pins 13 - 16

CD-ROM audio in connector

J13

Power LED

U50/pins 19 - 21

Wavetable connector

J14

Reset switch

U50/pins 22 & 23

Telephony connector

J15

Speaker

U50/pins 24 - 27

Parallel port

J17

VRM connector

VRM

Serial port 2

J18

Chassis fan power

W3

Serial port 1

J19

Chassis fan power

W9

Note: The location of J14 is unidentified.

USER CONFIGURABLE SETTINGS

Function

Label

Position

»

CMOS memory normal operation

W10

Pins 1 & 2 closed

 

CMOS memory clear

W10

Pins 2 & 3 closed

»

Cacheable DRAM range select normal

W12

Open

 

Cacheable DRAM range select extended

W12

Closed

»

AT bus clock select 1/4

W13

Closed

 

AT bus clock select 1/3

W13

Open

»

Soft off power enabled

W14

Open

 

Soft off power disabled

W14

Closed

Note: The location of J12 is unidentified.

DRAM CONFIGURATION

Size

Bank 0

Bank 1

8MB

(2) 1M x 36

None

16MB

(2) 2M x 36

None

16MB

(2) 1M x 36

(2) 1M x 36

24MB

(2) 2M x 36

(2) 1M x 36

32MB

(2) 4M x 36

None

32MB

(2) 2M x 36

(2) 2M x 36

40MB

(2) 4M x 36

(2) 1M x 36

48MB

(2) 4M x 36

(2) 2M x 36

64MB

(2) 8M x 36

None

DRAM CONFIGURATION (CON’T)

Size

Bank 0

Bank 1

64MB

(2) 4M x 36

(2) 4M x 36

72MB

(2) 8M x 36

(2) 1M x 36

80MB

(2) 8M x 36

(2) 2M x 36

96MB

(2) 8M x 36

(2) 4M x 36

128MB

(2) 8M x 36

(2) 8M x 36

128MB

(2) 16M x 36

None

136MB

(2) 16M x 36

(2) 1M x 36

144MB

(2) 16M x 36

(2) 2M x 36

160MB

(2) 16M x 36

(2) 4M x 36

192MB

(2) 16M x 36

(2) 8M x 36

256MB

(2) 16M x 36

(2) 16M x 36

Note: Board accepts EDO memory.

CACHE CONFIGURATION

Size

Bank 0

256KB

(2) 32K x 32

512KB

(2) 64K x 32

Note: The location of bank 0 is unidentified.

CPU SPEED SELECTION (AMD)

CPU speed

Clock speed

Multiplier

W1

W2

W4

W5

W6

75MHz

50MHz

1.5x

N/A

N/A

N/A

Open

Open

90MHz

60MHz

1.5x

Closed

Open

Closed

Open

Open

100MHz

66MHz

1.5x

Open

Closed

Open

Open

Open

120MHz

60MHz

2x

Closed

Open

Closed

Open

Closed

133MHz

66MHz

2x

Open

Closed

Open

Open

Closed

150MHz

60MHz

2.5x

Closed

Open

Closed

Closed

Closed

166MHz

66MHz

2.5x

Open

Closed

Open

Closed

Closed

200MHz

66MHz

3x

Open

Closed

Open

Closed

Open

Note: If an AM K6 processor is installed, a VRM module must be installed. The jumper settings for W1 – W3 with a 75MHZ processor are unidentified.

CPU SPEED SELECTION (INTEL)

CPU speed

Clock speed

Multiplier

W1

W2

W4

W5

W6

90MHz

60MHz

1.5x

Closed

Open

Closed

Open

Open

100MHz

66MHz

1.5x

Open

Closed

Open

Open

Open

120MHz

60MHz

2x

Closed

Open

Closed

Open

Closed

133MHz

66MHz

2x

Open

Closed

Open

Open

Closed

150MHz

60MHz

2.5x

Closed

Open

Closed

Closed

Closed

166MHz

66MHz

2.5x

Open

Closed

Open

Closed

Closed

200MHz

66MHz

3x

Open

Closed

Open

Closed

Open

Note: If a MMX processor is installed, a VRM module must be installed.

CPU TYPE SELECTION

Type

W7

 

STD/VR

Open

»

VRE

Closed