QDI COMPUTER, INC.

P5I430TX/IIB TITANIUM IIB

Processor

CX 6X86/CX 6X86L/CX 686MX/AM K5/AM K6/Pentium

Processor Speed

75/90/100/120/133/150/166/180/200MHz

Chip Set

Intel

Video Chip Set

None

Maximum Onboard Memory

256MB (EDO supported)

Maximum Video Memory

None

Cache

512KB

BIOS

Award

Dimensions

305mm x 208mm

I/O Options

32-bit PCI slots (4), floppy drive interface, green PC connector, IDE interfaces (2), parallel port, PS/2 mouse port, serial ports (2), IR connector, USB connectors (2), ATX power connector

NPU Options

None

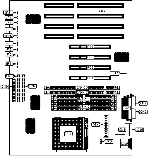
CONNECTIONS

Purpose

Location

Purpose

Location

ATX power connector

ATX

Green PC connector

JP3

Parallel port

CN1

Reset switch

JP4

Serial port 1

CN2

IDE interface LED

JP5

Serial port 2

CN3

Chassis fan power

JP6

USB connector 1

CN4

Green PC LED

JP7

USB connector 2

CN5

Speaker

JP8

PS/2 mouse port

CN6

Power LED

JP15

IDE interface 2

CN7

Fax/modem connector

JP17

IDE interface 1

CN8

Soft off power supply

JP31

Floppy drive interface

CN9

32-bit PCI slots

PC1 – PC4

IR connector

IR1

   

USER CONFIGURABLE SETTINGS

Function

Label

Position

»

CMOS memory normal operation

JP2

Open

 

CMOS memory clear

JP2

Closed

SIMM CONFIGURATION

Size

Bank 0

Bank 1

8MB

(2) 1M x 36

None

16MB

(2) 2M x 36

None

16MB

(2) 1M x 36

(2) 1M x 36

24MB

(2) 2M x 36

(2) 1M x 36

32MB

(2) 4M x 36

None

32MB

(2) 2M x 36

(2) 2M x 36

40MB

(2) 4M x 36

(2) 1M x 36

48MB

(2) 4M x 36

(2) 2M x 36

64MB

(2) 8M x 36

None

64MB

(2) 4M x 36

(2) 4M x 36

72MB

(2) 8M x 36

(2) 1M x 36

80MB

(2) 8M x 36

(2) 2M x 36

96MB

(2) 8M x 36

(2) 4M x 36

128MB

(2) 8M x 36

(2) 8M x 36

128MB

(2) 16M x 36

None

136MB

(2) 16M x 36

(2) 1M x 36

144MB

(2) 16M x 36

(2) 2M x 36

160MB

(2) 16M x 36

(2) 4M x 36

192MB

(2) 16M x 36

(2) 8M x 36

256MB

(2) 16M x 36

(2) 16M x 36

Note: Board accepts EDO memory.

DIMM CONFIGURATION

Size

Bank 0

Bank 1

8MB

(1) 1M x 64

None

16MB

(1) 2M x 64

None

16MB

(1) 1M x 64

(1) 1M x 64

24MB

(1) 2M x 64

(1) 1M x 64

32MB

(1) 4M x 64

None

32MB

(1) 2M x 64

(1) 2M x 64

40MB

(1) 4M x 64

(1) 1M x 64

48MB

(1) 4M x 64

(1) 2M x 64

64MB

(1) 8M x 64

None

64MB

(1) 4M x 64

(1) 4M x 64

72MB

(1) 8M x 64

(1) 1M x 64

80MB

(1) 8M x 64

(1) 2M x 64

96MB

(1) 8M x 64

(1) 4M x 64

128MB

(1) 16M x 64

None

128MB

(1) 8M x 64

(1) 8M x 64

136MB

(1) 16M x 64

(1) 1M x 64

144MB

(1) 16M x 64

(1) 2M x 64

160MB

(1) 16M x 64

(1) 4M x 64

192MB

(1) 16M x 64

(1) 8M x 64

256MB

(1) 16M x 64

(1) 16M x 64

CACHE CONFIGURATION

Size

Bank 0

512KB

(2) 64K x 32

Note: The location of the cache is unidentified.