TAKEN CORPORATION
ATX586
|
Processor |
CX M1/AM K5/AM K6/Pentium |
|
Processor Speed |
100/133/166/200/233MHz |
|
Chip Set |
Intel |
|
Video Chip Set |
None |
|
Maximum Onboard Memory |
256MB (EDO supported) |
|
Maximum Video Memory |
None |
|
Cache |
256/512KB |
|
BIOS |
Award |
|
Dimensions |
305mm x 244mm |
|
I/O Options |
32-bit PCI slots (4), floppy drive interface, green PC connector, IDE interfaces (2), parallel port, PS/2 mouse port, serial ports (2), IR connector, USB connector, ATX power connector |
|
NPU Options |
None |
|
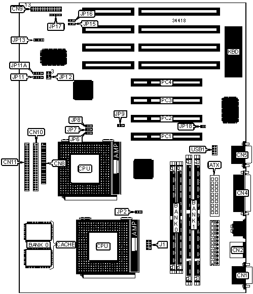
CONNECTIONS | |||
|
Purpose |
Location |
Purpose |
Location |
|
ATX power connector |
ATX |
Reset switch |
CN9/pins 22 & 23 |
|
Serial port 1 |
CN1 |
Turbo LED |
CN9/pins 25 & 26 |
|
PS/2 mouse port |
CN2 |
IDE interface 1 |
CN10 |
|
Parallel port |
CN4 |
IDE interface 2 |
CN11 |
|
Serial port 2 |
CN5 |
Chassis fan power |
JP11 |
|
Floppy drive interface |
CN8 |
Chassis fan power |
JP11A |
|
Power LED & keylock |
CN9/pins 1 –5 |
External battery |
JP13 |
|
Turbo switch |
CN9/pins 7 & 8 |
IR connector |
JP17 |
|
Speaker |
CN9/pins 10 - 13 |
32-bit PCI slots |
PC1 – PC4 |
|
IDE interface LED |
CN9/pins 14 & 15 |
USB connector |
USB1 |
|
Green PC connector |
CN9/pins 19 & 20 | ||
|
USER CONFIGURABLE SETTINGS | |||
|
Function |
Label |
Position | |
|
» |
CMOS memory normal operation |
JP13 |
Pins 2 & 3 closed |
|
CMOS memory clear |
JP13 |
Pins 3 & 4 closed | |
|
Battery type select external |
JP13 |
Open | |
|
» |
Factory configured - do not alter |
JP15 |
Pins 2 & 3 closed |
|
» |
Flash BIOS voltage select 5v |
JP16 |
Pins 2 & 3 closed |
|
Flash BIOS voltage select 12v |
JP16 |
Pins 1 & 2 closed | |
|
Power supply select AT |
JP18 |
Closed | |
|
Power supply select ATX |
JP18 |
Open | |
|
DIMM/DRAM CONFIGURATION | ||
|
Size |
Bank 0 |
Bank 1 |
|
8MB |
(2) 1M x 32 |
None |
|
16MB |
(2) 1M x 32 |
(2) 1M x 32 |
|
16MB |
(2) 2M x 32 |
None |
|
24MB |
(2) 1M x 32 |
(2) 2M x 32 |
|
24MB |
(2) 2M x 32 |
(2) 1M x 32 |
|
32MB |
(2) 2M x 32 |
(2) 2M x 32 |
|
32MB |
(2) 4M x 32 |
None |
|
40MB |
(2) 1M x 32 |
(2) 4M x 32 |
|
40MB |
(2) 4M x 32 |
(2) 1M x 32 |
|
48MB |
(2) 2M x 32 |
(2) 4M x 32 |
|
48MB |
(2) 4M x 32 |
(2) 2M x 32 |
|
64MB |
(2) 4M x 32 |
(2) 4M x 32 |
|
64MB |
(2) 8M x 32 |
None |
|
72MB |
(2) 1M x 32 |
(2) 8M x 32 |
|
72MB |
(2) 8M x 32 |
(2) 1M x 32 |
|
80MB |
(2) 2M x 32 |
(2) 8M x 32 |
|
DIMM/DRAM CONFIGURATION (CON’T) | ||
|
Size |
Bank 0 |
Bank 1 |
|
80MB |
(2) 8M x 32 |
(2) 2M x 32 |
|
96MB |
(2) 4M x 32 |
(2) 8M x 32 |
|
96MB |
(2) 8M x 32 |
(2) 4M x 32 |
|
128MB |
(2) 8M x 32 |
(2) 8M x 32 |
|
128MB |
(2) 16M x 32 |
None |
|
256MB |
(2) 16M x 32 |
(2) 16M x 32 |
|
Note: Board accepts EDO memory. | ||
|
CACHE CONFIGURATION | |
|
Size |
Bank 0 |
|
256KB |
(2) 32K x 32 |
|
512KB |
(2) 64K x 32 |
|
CACHE JUMPER CONFIGURATION | |
|
Size |
JP2 |
|
256KB |
Pins 1 & 2 closed |
|
512KB |
Pins 2 & 3 closed |
|
CPU SPEED SELECTION (CYRIX) | ||||||
|
CPU speed |
Clock speed |
Multiplier |
JP6 |
JP7 |
JP8 |
JP9 |
|
133MHz |
55MHz |
1.5x |
1 & 2 |
2 & 3 |
2 & 3 |
2 & 3 |
|
150MHz |
60MHz |
1.5x |
1 & 2 |
2 & 3 |
2 & 3 |
1 & 2 |
|
200MHz |
75MHz |
1.5x |
1 & 2 |
1 & 2 |
1 & 2 |
2 & 3 |
|
Note: Pins designated should be in the closed position. | ||||||
|
CPU SPEED SELECTION (AM K5) | ||||||
|
CPU speed |
Clock speed |
Multiplier |
JP6 |
JP7 |
JP8 |
JP9 |
|
100MHz |
66MHz |
1.5x |
1 & 2 |
1 & 2 |
1 & 2 |
1 & 2 |
|
166MHz |
66MHz |
2.5x |
2 & 3 |
2 & 3 |
1 & 2 |
1 & 2 |
|
Note: Pins designated should be in the closed position. | ||||||
|
CPU SPEED SELECTION (AM K6) | ||||||
|
CPU speed |
Clock speed |
Multiplier |
JP6 |
JP7 |
JP8 |
JP9 |
|
200MHz |
66MHz |
3x |
2 & 3 |
1 & 2 |
1 & 2 |
1 & 2 |
|
233MHz |
66MHz |
3.5x |
1 & 2 |
1 & 2 |
1 & 2 |
1 & 2 |
|
Note: Pins designated should be in the closed position. | ||||||
|
CPU SPEED SELECTION (INTEL) | ||||||
|
CPU speed |
Clock speed |
Multiplier |
JP6 |
JP7 |
JP8 |
JP9 |
|
100MHz |
66MHz |
1.5x |
1 & 2 |
1 & 2 |
1 & 2 |
1 & 2 |
|
166MHz |
66MHz |
2.5x |
2 & 3 |
2 & 3 |
1 & 2 |
1 & 2 |
|
200MHz |
66MHz |
3x |
2 & 3 |
1 & 2 |
1 & 2 |
1 & 2 |
|
233MHz |
66MHz |
3.5x |
1 & 2 |
1 & 2 |
1 & 2 |
1 & 2 |
|
Note: Pins designated should be in the closed position. | ||||||
|
CPU TYPE SELECTION | |
|
CPU installed |
JP12 |
|
Single |
Pins 1 & 2 closed |
|
Dual |
Pins 2 & 3 closed |
|
CPU VOLTAGE SELECTION | |
|
Voltage |
J1 |
|
2.8v |
Open |
|
3.3v |
Pins 1 & 2, 3 & 4, 5 & 6, 7 & 8 closed |