YOUNG MICRO SYSTEMS, INC.

TC430HX

Processor

Pentium

Processor Speed

75/90/100/120/133/150/166/180/200MHz

Chip Set

Intel

Video Chip Set

S3

Maximum Onboard Memory

128MB (EDO supported)

Maximum Video Memory

2MB

Cache

256KB

BIOS

Unidentified

Dimensions

330mm x 218mm

I/O Options

32-bit PCI slots (4), floppy drive interface, green PC connector, IDE interfaces (2), parallel port, PS/2 mouse port, serial ports (2), VESA feature connector, VGA port, IR connector, USB connectors (2), MIDI/game port, line out connector, line in connector, microphone connector, CD-ROM connector, wavetable connector

NPU Options

None

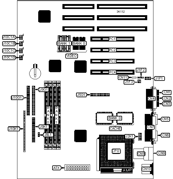
CONNECTIONS

Purpose

Location

Purpose

Location

Microphone connector

CN1

Serial port 2

J2K1

Line in connector

CN2

VESA feature connector

J5G1

Line out connector

CN3

IDE interface 1

J9G1

MIDI/game port

CN4

Chassis fan power

J9L1

VGA port

CN5

Floppy drive interface

J9K1

Serial port 1

CN6

IDE interface 2

J10G1

Parallel port

CN7

Power on connector

J10K1 pins 1 & 2

USB connector

CN8

Green PC connector

J10K1 pins 3 & 4

USB connector

CN9

IR connector

J10K1 pins 6 - 11

PS/2 mouse port

CN10

IDE interface LED

J10K1 pins 13 - 16

Audio connector

CN11

Green PC LED

J10K1 pins 18 - 21

Wave table connector

J1F1

Reset switch

J10K1 pins 22 & 23

CD-ROM connector

J1F2

Speaker

J10K1 pins 24 - 27

Modem connector

J1F3

32-bit PCI slots

PC1 - PC4

USER CONFIGURABLE SETTINGS

Function

Label

Position

 

Password normal operation

J10C1A

Pins 1 & 2 closed

 

Password clear

J10C1A

Pins 2 & 3 closed

»

CMOS memory normal operation

J10C1A

Pins 4 & 5 closed

 

CMOS memory clear

J10C1A

Pins 5 & 6 closed

 

Setup access enabled

J10C1B

Pins 1 & 2 closed

 

Setup access disabled

J10C1B

Pins 2 & 3 closed

DRAM CONFIGURATION

Size

Bank 0

Bank 1

8MB

(2) 1M x 32

None

16MB

(2) 2M x 32

None

16MB

(2) 1M x 32

(2) 1M x 32

24MB

(2) 2M x 32

(2) 1M x 32

24MB

(2) 1M x 32

(2) 2M x 32

32MB

(2) 4M x 32

None

32MB

(2) 2M x 32

(2) 2M x 32

40MB

(2) 4M x 32

(2) 1M x 32

40MB

(2) 1M x 32

(2) 4M x 32

48MB

(2) 4M x 32

(2) 2M x 32

48MB

(2) 2M x 32

(2) 4M x 32

64MB

(2) 8M x 32

None

64MB

(2) 4M x 32

(2) 4M x 32

72MB

(2) 8M x 32

(2) 1M x 32

DRAM CONFIGURATION (CON’T)

Size

Bank 0

Bank 1

72MB

(2) 1M x 32

(2) 8M x 32

80MB

(2) 8M x 32

(2) 2M x 32

80MB

(2) 2M x 32

(2) 8M x 32

96MB

(2) 8M x 32

(2) 4M x 32

96MB

(2) 4M x 32

(2) 8M x 32

128MB

(2) 8M x 32

(2) 8M x 32

Note: Board accepts EDO memory. Board also accepts x 32 SIMMs

CACHE CONFIGURATION

Size

Bank 0

256KB

(2) 32K x 32

VIDEO MEMORY CONFIGURATION

Size

Bank 0

Bank 1

1MB

1MB

None

2MB

1MB

(2) 256K x 16

Note: Bank 0 is factory installed and is not configurable.

CPU SPEED SELECTION

CPU speed

Clock speed

Multiplier

J10C1C

J10C1D

75MHz

50MHz

1.5x

2 & 3, 5 & 6

1 & 2, 4 & 5

90MHz

60MHz

1.5x

2 & 3, 4 & 5

1 & 2, 4 & 5

100MHz

66MHz

1.5x

1 & 2, 5 & 6

1 & 2, 4 & 5

120MHz

60MHz

2x

2 & 3, 4 & 5

2 & 3, 4 & 5

133MHz

66MHz

2x

1 & 2, 5 & 6

2 & 3, 4 & 5

150MHz

60MHz

2.5x

2 & 3, 4 & 5

2 & 3, 5 & 6

166MHz

66MHz

2.5x

1 & 2, 5 & 6

2 & 3, 5 & 6

180MHz

60MHz

3x

2 & 3, 4 & 5

1 & 2, 5 & 6

200MHz

66MHz

3x

1 & 2, 5 & 6

1 & 2, 5 & 6

Note: Pins designated should be in the closed position.