Allen-Bradley 1784-KT2
@60C6.ADF (Sendt to Wendt 30 Mar 02)
G14124 - 1784-KT2 Options & Diagnostics Disk  kt2o&d.exe 
1784221.pdf  Communication Interface Module Cat. No. 1784-KT2/B Installation Data
17846516.pdf  Communication Interface Module Cat. No. 1784–KT2/C Installation Data

Project SLC 5/04

KT2 to PLC-2 Hookup
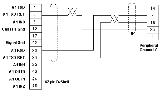
   1784-CP2 Cable Pinout
KT2 to PLC-3 Hookup
   1784-CP3 Pinout
KT2 to PLC-5 Hookup
   1784-CP Pinout

ADF Sections



1784-KT2 ver C
JPR1 unk
JPR2 unk
P1 AMP 748367-1 D-Sub 62
T1 597692001
T2 Tokin 976242
U1,15 Sony CXK58257AM-70LL
U2 Toshiba TMPZ84C00AT-6
U3 Toshiba TMPZ84C30AT-6
U4 Toshiba TMPZ84C44AT-6
U7 95542301 V Reg?
U9 LT1039CS
U10-14 HP 2232
U16 A-B 4250424
U17 IDT 7132 
U19 A-B 4250623
U37 A-B 4250425
Y1 11.0592 MHz osc
1

IDT 7132 Dual-port SRAM module 
7132_DS_37556.pdf   7132/7142 Data Sheet 



Required Cables for Connecting to a Programmable Controller
Use cable:  When connecting to:
1784-CP2    PLC-2
1784-CP3    PLC-3
1784-CP     PLC-5
1784-CP6    PLC-5/40 and PLC-5/60 (refer to pub 1784-2.26)
1784-CP7    PLC-5/40 & PLC-5/60 (refer to pub 1784-2.29)
Adapter w/1784-CP Cable


KT2 to PLC-2 Hookup

Cable Pinouts for the 1784-CP2 Cable



KT2 to PLC-3 Hookup

Cable Pinouts for the 1784-CP3 Cable



KT2 to PLC-5 Hookup

Cable Pinouts for the 1784-CP Cable

Pin Assignments for 1784-KT, -KT2, -KL Cables
 



   Make sure your network or PLC is not connected to a 1784-KT2 while the diagnostic program is running. Make sure other programs are not running at the same time the diagnostic program is running. Do not run the diagnostic program in a windowing or multi-tasking environment. The diagnostic program does not support these environments. Make sure there are no terminate-stay-resident (TSR) software programs loaded in your PS/2 before you run the diagnostic program.


AdapterID 60C6 Allen-Bradley 1784-KT2

Memory Address
    Memory base address
        <"0C0000h-0C3FFFh">, C400-C7FF, C800-CBFF, CC00-CFFFh, D000-D3FF, D400-D7FF, D800-DBFF, DC00-DFFF

Interrupt Level
   Avoid sharing interrupts with other adapter boards if possible. Sharing of interrupts may degrade the PS/2 performance.
     <"IRQ  9">, 10, 11, 12

Auxilary Communication Port
   NOTE:  Currently, there is only one option available for the Auxiliary Communication Port.
        <"PLC-2/-3 Direct Connect" >, Reserved

 This port, one of the two communication ports available through a single 1784-KT2 connector, is used for communication with a PLC-2 or PLC-3
connected to the 1784-KT2.

The other communication port, the main port, is used for Data Highway Plus communication when the 1784-KT2 is connected to the Data Highway Plus network. You do not need to configure the main port.
 
 

9595 Main Page