Odds 'n' Ends Welcome to a selection of programs with a difference -- they are either unfinished or have errors in them. The reason I have put these on the site is because you may want to finish the programs yourself and improve them (if you do, send them back to me so they can be put back on this site!), or you can use parts of them in your own programs.
Programs marked 'From ANUW' are taken from Mark Ray's Amstrad Notepad Users Web.
BBALLS.TXT ...7.6kb In this game you have to keep the ball in the air for as long as possible. Use the left and right cursor keys to move. There is a level developer so you can make your own levels, plus a hi-score record. Why it's in here: The ball usually takes the same path each time, and sometimes you don't get to hit it at all!
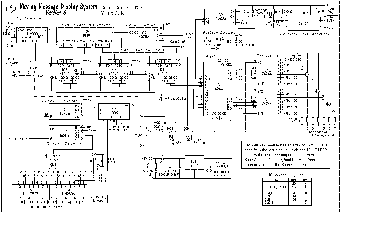
MMDSEDIT.TXT ...17.3kb This program is in fact complete (I think!), but the reason it's in this section is that it's probably not much use without the electronics to go with it. The 'Moving Message Display System' was my Eletronics A-level major project, and the newer version (version 6) uses a RAM to store the messages. This is the program to write and download messages to the RAM. BOLD.SET ... 359 bytes These are some example messages : MES1.MES ... 396 bytes Also, if you are interested in the MMDS project, here is the circuit diagram for the original EPROM version, and my A-level report showing how the system works : Version 5 Circuit Diagram ... EPROM Version ... 40.9kb |
||||||||||||||||||||||||||||||||||
|
||||||||||||||||||||||||||||||||||
| Home | Features | Data Sheets | Questions | BBC BASIC | Software | |