A collection of a few PIC-related tools
Please, don't ask me for more than what is written in these
pages. I quit working on the PIC in 1996 .
Schematics and software for a PIC 16C84programmer to be connected
to the serial port. Largely based on the "prog84" software and
information gathered on the pic list. Written in C, developed
under FreeBSD, compiles with gcc and should be easily portable to
other OS. Full sources
and schematics (chunky
graphics) are available.
For DOS users: DOS executable
(don't forget the configuration file).
Sources for the PIC assembler developed by
Timo Rossi.
Minor differences in the syntax from the Microchip
Assembler, but full source code available, and it can be
used on Unix systems.
C++ source for a PIC16C84 simulator, developed as a student project
by Tommaso Cucinotta and Alessandro Evangelista. Command line interface,
very powerful trace facilities. Compiles with g++/djgpp.
A reference sheet for the PIC16C84 containing HW and SW data
(courtesy of Giuseppe Di Termine).
Some PIC projects
This is a simple 50 MHz auto-ranging Frequency meter, developed as
a course project by Simone Benvenuti and Andrea Geniola. It uses
a single PIC 16C84 and 4 displays to measure frequencies in the
0Hz..50MHz range. Output is shown in exponential format (XXX E) in
order to have enough significant digits. The PIC shuts down when
the input is idle for some time, and turns on automatically when
a frequency is applied to the input.
Source code and schematics
available.
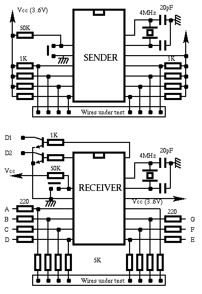
This is a cable tester made of two modules, useful to test network or
phone or other cables where the two ends are far away from each other.
Partly developed as a course project by Maurizio Fabbri, Fabio Raso.
Schematics and
full source and documentation. The sources
should be assembled with Timo Rossi's picasm.
NOTE: the archive is a gzipped tar file. gzip != zip.
If you have trouble to
handle it, all files can be found in the
tester directory.
Ths project implements a MIDI pedal keyboard with Program Change
Function. It can change sounds and/or effects of your musical
devices (keyboard, expander, ...) with the only action of your
foot. This work was done by
Maila Fatticcioni
and
Massimo Grasso
Luigi Rizzo
Dipartimento di Ingegneria dell'Informazione -- Univ. di Pisa
via Diotisalvi 2 -- 56126 PISA
tel. +39-050-2211611BR>
email:
rizzo@iet.unipi.it
Some interesting PIC links
Back to my home page