YUAN TECHNOLOGY, INC.
VGA TV ENCODER (FCN-102/FCP-102)
|
Card Type |
TV Card |
|
Video Chip Set |
Unidentified |
|
Highest Resolution Supported |
640 x 480 |
|
Maximum Video Memory |
None |
|
Data Bus |
8-bit ISA |
|
Video Types Supported |
XVGA |
|
Video Format Supported |
640 x 480 (NTSC), 800 x 600 (PAL) |
|
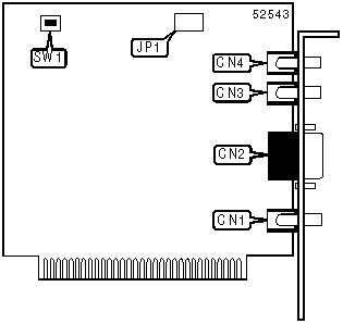
CONNECTIONS | |||
|
Function |
Label |
Function |
Label |
|
VGA in/out |
CN1 |
AV in |
CN4 |
|
15-pin analog video connector |
CN2 |
Brightness control |
SW1 |
|
SVHS in |
CN3 |
Horizontal noise adjustment |
JP1 |