DENSITRON CORPORATION

PCX510

Card Type

Video card

Video Chip Set

Chips and Technology

Maximum Video Memory

Unidentified

Data Bus

16-bit ISA

Video Types Supported

VGA,EGA, CGA, MDA

Highest Resolution Supported

640 x 480

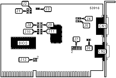
CONNECTIONS

Function

Label

Function

Label

Serial port

CN1

15-pin video analog video port

CN2

USER CONFIGURABLE SETTINGS

Function

Label

Position

 

Vee reference select +5v

J1

Pins 1 & 2 closed

 

Vee reference select ground

J1

Pins 2 & 3 closed

 

Vee polarity select positive

J2

Pins 1 & 2 closed

 

Vee polarity select negative

J2

Pins 2 & 3 closed

»

Factory configured - do not alter

J3

Closed

 

Shift lock select normal

J4

Pins 2 & 3 closed

 

Shift lock select inverted

J4

Pins 1 & 2 closed

 

Backlight control select normal

J5

Pins 2 & 3 closed

 

Backlight control select inverted

J5

Pins 1 & 2 closed

 

Serial port enabled

J6

Closed

 

Serial port disabled

J6

Open

»

Factory configured - do not alter

J8

Unidentified

»

Factory configured - do not alter

J9

Unidentified

»

Factory configured - do not alter

J10

Unidentified

»

Factory configured - do not alter

J11

Unidentified

SERIAL PORT SELECTION

Setting

J12

COM1

Open

COM2

Pins 2 & 4 closed

COM3

Pins 1 & 3 closed

COM4

Pins 1 & 3, 2 & 4 closed

IRQ SELECTION

IRQ

J7

IRQ3

Pins 7 & 8 closed

IRQ4

Pins 9 & 10 closed

IRQ6

Pins 11 & 12 closed

IRQ7

Pins 1 & 2 closed

IRQ10

Pins 3 & 4 closed

IRQ11

Pins 5 & 6 closed

None

Open