VEN-TEL, INC.

ECECV.32BIS-II

Modem Type

Data (synchronous/asynchronous)

Maximum Data Rate

14400bps

Data Bus

External

Fax Class

Class I & II

Data Modulation Protocol

Bell 103A/212A

ITU-T V.21, V.22, V.22bis, V.23, V.32, V.32bis

Fax Modulation Protocol

Unidentified

Error Correction/Compression

MNP5, V.42, V.42bis

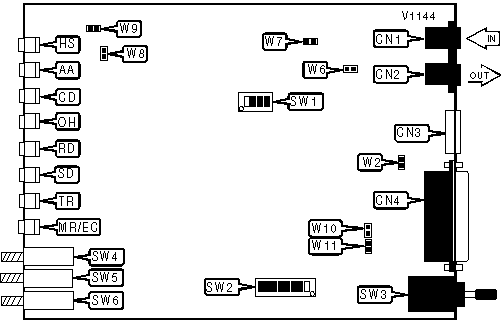
CONNECTIONS

Purpose

Location

Purpose

Location

Line in

CN1

Power switch

SW3

Line out

CN2

Stored profile

SW4

DC power

CN3

Voice/Data

SW5

RS-232/422

CN4

Auto dial/Disconnect

SW6

LINE TYPE

Setting

SW1/1

» Enable switched line

On

Enable leased line

Off

LINE TYPE

Setting

SW1/2

» Enable switched line

On

Enable leased line

Off

MI SIGNAL

Setting

SW1/3

Disabled

Off

Enabled

On

MIC SIGNAL

Setting

SW1/4

Disabled

Off

Enabled

On

CTS SIGNAL

Setting

SW2/1

» CTS normal

Off

CTS forced high

On

DCD SIGNAL

Setting

SW2/2

» DCD normal

Off

DCD forced high

On

DSR SIGNAL

Setting

SW2/3

» DSR normal

Off

DSR forced high

On

AT

Setting

SW2/4

» AT command set enabled

Off

At command set disabled

On

LEASED LINE WIRE TYPE

Setting

SW2/5

» Two wire

Off

Four wire

On

RESET

Setting

SW2/6

Asynchronous

On

Synchronous

Off

Note: Set to on before powering modem.

DTR SIGNAL

Setting

SW2/7

» DTE sends DTR signal

Off

Modem sends DTR signal

On

STORED PROFILE

Setting

Condition

SW4

Select stored profile

Off line

Closed

Display stored profile

On line

Closed

Inactive

N/A

Open

Note: Pressing SW4 in select mode causes the LEDs to display which profile is active by lighting individually.

VOICE/DATA

Setting

Condition

SW5

Data transmission Enabled

Voice mode

Closed

Inactive

N/A

Open

AUTO DIAL/DISCONNECT

Setting

Condition

SW6

Auto dial

Off line

Closed

Disconnect

On line

Closed

Inactive

N/A

Open

SIGNAL LEVEL

Setting

W2

» Signal ground normal

Closed

Set signal ground equal to chassis ground

Open

RECEIVE CLOCK

Setting

W10

» Receive clock on pin 17 disabled

Open

Receive clock on pin 17 enabled

Closed

TRANSMIT CLOCK

Setting

W11

» Transmit clock on pin 15 disabled

Open

Transmit clock on pin 15 enabled

Closed

FACTORY CONFIGURED SETTINGS

JUMPER

SETTING

W6

Open

W7

Open

W8

Open

W9

Open

SW2/8

Not used

DIAGNOSTIC LED(S)

LED

Color

Status

Mode

Condition

HS

Green

On

N/A

Modem is operating at 9600bps or faster

HS

Red

On

N/A

Modem is operating at 1200bps or 2400bps

HS

Green/Red

Blinking

N/A

E-Mail messages stored

HS

N/A

Off

N/A

Modem is operating at slower than 1200bps

AA

Red

On

Off-line

Auto-answer enabled

AA

Red

Off

Off-line

Auto-answer disabled

AA

N/A

Blinking

Off-line

Phone is ringing

AA

Green

On

On-line

Modem is using TCM modulation

AA

Green

Blinking

On-line

Modem is training TCM modulation

AA

Red

On

On-line

Modem is using QAM or FSK modulation

AA

Red

Blinking

On-line

Modem is training QAM or FSK modulation

AA

Green/Red

Blinking

On-line

Remote modem has initiated a retrain

AA

Green/Off

Blinking

On-line

Local modem has initiated a retrain

CD

Red

On

N/A

Carrier signal detected

CD

Red

Off

N/A

Carrier signal not detected

OH

Red

On

N/A

Modem is off-hook

OH

Red

Off

N/A

Modem is on-hook

RD

Red

On

N/A

Modem is receiving data

RD

Red

Off

N/A

Modem is not receiving data

SD

Red

On

N/A

Modem is transmitting data

SD

Red

Off

N/A

Modem is not transmitting data

TR

Red

On

N/A

DTR signal is high

TR

Red

Off

N/A

DTR signal is low

MR/EC

Red

On

Off-line

Power on

MR/EC

Red

Blinking

Off-line

Off-line diagnostic test has failed

MR/EC

N/A

Off

Off-line

Power off

MR/EC

Red

Blinking

On-line

On-line diagnostic test in progress

OR

Modem is in ROAD mode

MR/EC

Green

On

On-line

Error correction activated

MR/EC

Green

Blinking

On-line

Error correction activated and modem is in ROAD mode

MR/EC

N/A

Off

On-line

Error correction disabled

Proprietary Command Set

RESULT CODE CARRIAGE RETURN

Type:

Configuration

Format:

AT [cmds] %Gn [cmds]

Example:

AT %G1 &W<CR>

Description:

Appends carriage return to result codes.

Command

Function

%G0

Do not append carriage return.

» %G1

Append carriage return.

BUSY OUT

Format

AT [cmds] *Kn [cmds]

Example:

AT*K1<CR>

Default:

None

Range:

0-15

Unit:

Rings.

Description:

Sends busy signal after n rings without DTR signal.

CHARACTER LENGTH

Type:

Configuration

Format:

AT [cmds] \Fn [cmds]

Example:

AT \F3<CR>

Description:

Sets length of character.

Command

Function

» \F0

8 data bits, 1 stop bit, null parity.

\F1

8 data bits, 1 stop bit, odd parity.

\F2

8 data bits, 1 stop bit, even parity.

\F3

8 data bits, 2 stop bits, null parity.

\F4

7 data bits, 1 stop bit, null parity.

\F5

7 data bits, 1 stop bit, odd parity.

\F6

7 data bits, 1 stop bit, even parity.

\F7

7 data bits, 2 stop bits, null parity.

\F8

7 data bits, 2 stop bits, odd parity.

\F9

7 data bits, 2 stop bits, even parity.

\F10

Set character length to register S13.

COMMUNICATION PROTOCOL

Type:

Configuration

Format:

AT [cmds] Bn [cmds]

Example:

AT B1 %B5<CR>

Description:

Selects the communication protocol for data calls.

Command

Function

B0

ITU-T protocols.

B1

Bell protocols.

COMPRESSION

Type:

Configuration

Format:

AT %Cn

Example:

AT %C0 *Y1<CR>

Description:

Selects data compression.

Command

Function

» %C0

Data compression disabled.

%C1

Data compression enabled.

CONNECT MODE

Type:

Configuration

Format:

AT [cmds] \Nn [cmds]

Example:

AT \N1 DT555-1212<CR>

Description:

Sets connect mode.

Command

Function

\N1

Direct mode.

\N0

Normal mode.

\N2

Reliable mode.

» \N3

Auto-reliable mode.

CONNECTION SPEED RESTRICT

Type:

Configuration

Format:

AT [cmds] *Cn [cmds]

Example:

AT *C1 DT555-1212<CR>

Description:

Limits speed of connection to last detected DTE speed or lower.

Command

Function

*C0

Disabled.

*C1

Enabled.

DISPLAY CURRENT COMMAND STATUS

Type:

Immediate

Format:

AT [cmds] \S [cmds]

Example:

AT &Z2=9W1-303-555-1212 \S<CR>

Description:

Displays current setting of modem commands.

DTR DIALING

Type:

Configuration

Format:

AT [cmds] %Dn [cmds]

Example:

AT %D1 DT555-1212<CR>

Description:

Selects DTR dialing.

Command

Function

» %D0

DTR dialing disabled.

%D1

DTR dialing enabled.

ERROR CORRECTION MODE

Type:

Configuration

Format:

AT [cmds] *Yn [cmds]

Example:

AT *Y1 %C1<CR>

Description:

Selects active error-correction protocols.

Command

Function

*Y0

Auto-detect mode.

» *Y1

MNP and V.42bis enabled.

*Y2

V.42bis only enabled.

*Y3

MNP only enabled.

FLOW CONTROL

Type:

Configuration

Format:

AT [cmds] %Fn [cmds]

Example:

AT %F1 &K3<CR>

Description:

Selects flow control.

Command

Function

%F0

Flow control disabled.

%F1

Flow control enabled for DTE and DCE

» %F2

Flow control enabled.

FLOW CONTROL PASSTHROUGH

Type:

Configuration

Format:

AT [cmds] *Pn [cmds]

Example:

AT *P0 &W<CR>

Description:

Allows modem to act on, then transmit XON/XOFF characters.

Command

Function

» *PO

Passthrough enabled.

*P1

Passthrough disabled.

FLOW CONTROL TYPE

Type:

Configuration

Format:

AT [cmds] \Qn [cmds]

Example:

AT \Q0 A<CR>

Description:

Sets type of flow control used by modem.

Command

Function

\Q0,\Q1,\Q2

XON/XOFF flow control enabled.

» \Q3

CTS/RTS flow control enabled.

INACTIVITY TIMER

Type:

Register

Format:

AT [cmds] \Tn [cmds]

Example:

AT\T20<CR>

Default:

0

Range:

0-255

Unit:

1 second

Description:

Sets the length of time that the modem does not receive information before it disconnects.

INITIALIZATION STRING

Type:

Configuration

Format:

AT [cmds] *Vn=<cmds>

Example:

AT *V1=ATS11=45 M0<CR>

Description:

Stores string to be executed on power up or reset.

INITIALIZATION STRING DISPLAY

Type:

Immediate

Format:

AT [cmds] *V?

Example:

AT *V?<CR>

Description:

Displays stored strings to be executed on power up or reset.

LEASED LINE BACK UP STATION ID

Type:

Configuration

Format:

AT [cmds] #En [cmds]

Example:

AT *D1 *L2 #E1<CR>

Description:

Allows modem to send and receive leased line back up ID.

Command

Function

» #E0

Disabled.

#E1

Enabled.

LEASED LINE DIAL BACKUP

Type:

Configuration

Format:

AT [cmds] *Dn [cmds]

Example:

AT *D1 *L2 #E1<CR>

Description:

Automatically establishes switched line connection if leased line fails

Command

Function

» *D0

Disabled.

*D1

Enabled.

LEASED LINE RECEIVE ATTENUATION

Type:

Configuration

Format:

AT [cmds] %Ln [cmds]

Example:

AT %L1 &W<CR>

Description:

Sets the attenuation for reception when in leased-line mode.

Command

Function

%L0

0 to -43 dB

» %L1

0 to -33 dB

%L2

0 to -26 dB

%L3

0 to -16 dB

LEASED LINE RECOVERY DELAY

Type:

Configuration

Format:

AT [cmds] *Ln [cmds]

Example:

AT *D1 *L2 #E1<CR>

Description:

After leased line failure, modem attempts to reconnect after specified delay.

Command

Function

» *L0

Disabled.

*L1

5 minute delay.

*L2

15 minute delay.

*L3

30 minute delay.

*L4

60 minute delay.

LEASED LINE STATION ID RECEIVE

Type:

Configuration

Format:

AT [cmds] #Qxxxx [cmds]

Example:

AT #Q0234567891 &W<CR>

Default:

None

Range:

ASCII

Unit:

Up to ten characters

Description:

Sets leased line backup receive station ID.

LEASED LINE STATION ID TRANSMIT

Type:

Configuration

Format:

AT [cmds] #Tn [cmds]

Example:

AT #T0234567891 &W<CR>

Default:

None

Range:

ASCII

Unit:

Up to ten characters

Description:

Sets leased line backup transmit station ID.

LEASED LINE TRANSMISSION ATTENUATION

Type:

Configuration

Format:

AT [cmds] %Tn [cmds]

Example:

AT T12<CR>

Default:

15

Range:

0 - 15

Unit:

.5 dB

Description:

Sets the attenuation for transmission when in leased-line mode.

PROTOCOL/SPEED

Type:

Configuration

Format:

AT [cmds] %Bn [cmds]

Example:

AT B1 %B5<CR>

Description:

Selects the current protocol and speed.

Command

Mode

Function

%B0

Bell

14400/9600bps V.32 Trellis encoding

%B0

ITU-T

14400/9600bps V.32 Trellis encoding

%B1

Bell

9600bps V.32

%B1

ITU-T

9600bps V.32

%B2

Bell

2400 bps v.22bis

%B2

ITU-T

2400 bps v.22bis

%B3

Bell

1200bps V.22

%B3

ITU-T

1200bps V.22

%B4

Bell

300bps V.21

%B4

ITU-T

300bps V.21

%B5

Bell

14400/9600/2400/1200/300bps

%B5

ITU-T

14400/9600/2400/1200/300bps

%B6

Bell

14400/9600/2400/1200

%B6

ITU-T

14400/9600/2400/1200

%B7

Bell

14400/9600/2400

%B7

ITU-T

14400/9600/2400

%B8

Bell

1200bps V.23 HDX

%B8

ITU-T

1200bps V.23 HDX

%B9

ITU-T

Transmit 1200bps, receive 75bps local serial port speed follows connect speed

%B10

ITU-T

Transmit 75bps, receive 1200bps local serial port speed follows connect speed

%B11

ITU-T

Transmit 1200bps, receive 75bps local serial port speed independent of connect speed

%B12

ITU-T

Transmit 75bps, receive 1200bps local serial port speed independent of connect speed

NEGOTIATE LINE SPEED

Type:

Configuration

Format:

AT [cmds] %Qn [cmds]

Example:

AT %Q1 &W<CR>

Description:

Allows modem to negotiate down to Bell 202/V.23 while in answer mode

Command

Function

» %Q0

Bell 202/V.23 mode disabled.

%Q1

Substitute 300bps modes with Bell 202/V.23 when answering.

NRZI INTERFACE

Type:

Configuration

Format:

AT [cmds] &Nn [cmds]

Example:

AT &N1 O<CR>

Description:

Configures DTE non return to zero interface

Command

Function

» &N0

NRZ command and connect modes.

&N1

NRZI command and connect modes.

&N2

NRZ command, NRZI connect.

&N3

NRZI command, NRZ connect.

PULSE MODE INTERDIGIT DELAY

Type:

Configuration

Format:

AT [cmds] %Pn [cmds]

Example:

AT %N1 %P1 P<CR>

Description:

Sets interval between digits in pulse mode.

Command

Function

» %P0

750ms

%P1

650ms

%P2

850ms

PULSES PER DIGIT

Type:

Configuration

Format:

AT [cmds] %Nn [cmds]

Example:

AT %N1 %P1 P<CR>

Description:

Sets the number of pulses per digit dialed while in pulse mode.

Command

Function

» %N0

Digit value is number of pulses (0 digit generates 10 pulses).

%N1

Digit value minus ten pulses generated (0 digit generates 10 pulses).

%N2

Digit value plus one pulses generated (0 digit generates 1 pulse).

REDIAL

Type:

Configuration

Format:

AT [cmds] *Rn

Example:

AT *R0<CR>

Default:

0

Range:

0-9

Unit:

1 redial

Description:

Automatically redials next number n times.

REDIAL ABORT

Type:

Immediate

Format:

AT [cmds] \H [cmds]

Example:

AT \H<CR>

Description:

Stops redial.

REDIAL LAST NUMBER

Type:

Immediate

Format:

AT [cmds] *R

Example:

AT *R<CR>

Description:

Redials last number dialed.

CD SIGNAL

Type:

Configuration

Format:

AT [cmds] %Vn [cmds]

Example:

AT %V0 Q0<CR>

Description:

CD signal state reflects remote modem’s RTS status.

Command

Function

» %V0

CD normal.

%V1

CD controlled by remote RTS signal.

RESET MODEM TO STORED PROFILE

Type:

Immediate

Format:

AT [cmds] %Sn [cmds]

Example:

AT%S6<CR>

Description:

Resets modem to stored profile.

RESULT CODE FORMAT

Type:

Configuration

Format:

AT [cmds] \Vn [cmds]

Example:

AT \V0 Q0<CR>

Description:

Selects word or numeric format for information-text and result codes.

Command

Function

» \V1

Numeric format enabled.

\V0

Verbose (word) format enabled.

ROAD INITIATE

Type:

Immediate

Format:

AT [cmds] *U [cmds]

Example:

AT *B0 *U O<CR>

Description:

Commands the modem to transmit stored Remote Access Options and Downloading key. The modem must have already connected.

ROAD KEY CUSTOMIZE

Type:

Configuration

Format:

AT [cmds] *A^x^x^x^x [cmds]

Example:

AT *A^M^H^I^I &W<CR>

Description:

Sets the key for Remote Options Access and Downloading (^ indicates ctrl key depressed). The default is ^R^O^A^D.

ROAD KEY ENABLE

Type:

Configuration

Format:

AT [cmds] *Bn [cmds]

Example:

AT *B0 *U O<CR>

Description:

Enables Remote Options Access and Downloading.

Command

Function

» *B0

R.O.A.D. disabled.

*B1

R.O.A.D. enabled.

S-REGISTER DISPLAY

Type:

Immediate

Format:

AT [cmds] %R [cmds]

Example:

AT %R &W<CR>

Description:

Display contents of all S-registers.

SOFTWARE SETUP

Type:

Configuration

Format:

AT [cmds] *Sn [cmds]

Example:

AT *S1<CR>

Description:

Configures modem to communicate with specific communications software.

Command

Function

» *S0

Normal mode, Crosstalk compatible.

*S1

Smartcom II Ver. 3.0 compatible.

*S3

Smartcom III Ver. 1.0 compatible.

*S4

AS400 HDLC dialer EIA handler.

TEST/BUSY OUT

Type:

Configuration

Format:

AT [cmds] *Tn [cmds]

Example:

AT *T1 &W<CR>

Description:

Configures pin 25 for testing or busy out.

Command

Function

» *T0

Disabled.

*T1

Enable ALB w/self test when pin 25 is true.

*T2

Enable busy out when pin 25 is true.

TIME AND DATE DISPLAY

Type:

Immediate

Format:

AT [cmds] \D? [cmds]

Example:

AT \D0=12:30 \D1=03/26 \D?<CR>

Description:

Display time and date.

TIME AND DATE SET

Type:

Configuration

Format:

AT [cmds] \Dn=xxxx [cmds]

Example:

AT \D0=12:30 \D1=03/26 \D?<CR>

Description:

Sets time and date.

Command

Function

\D0

Set time.

\D1

Set date.

STATUS REGISTER BIT

Type:

Configuration

Format:

Read: AT [cmds] Sn;m=0 or 1 [cmds]

Write: AT [cmds] Sn;m=? [cmds]

Example:

AT S40.4=1 S51.3?<CR>

Description:

Sets/clears or reads bit m of register n.

TURBO MODE

Format

AT [cmds] S94=n [cmds]

Example:

ATS94;5=1<CR>

Default:

None

Range:

0-16

Unit:

Bit-mapped

Description:

Allows 12Kbps connection with compatible remote modem.

Command

Function

S94=0

Modem will not make 12Kbps connection.

S94=32

Modem will make 12Kbps connection.

COMMAND SET - V.25bis

Type:

Configuration

Format:

AT [cmds] V.25

Example:

AT V.25<CR>

Description:

Enables V.25bis mode.

V.25bis COMMAND MODE SPEED

Type:

Configuration

Format:

AT [cmds] *Wn [cmds]

Example:

AT *W0 &W<CR>

Description:

V.25bis mode only. DTE sets off line speed for sync command processing.

Command

Function

» *W0

Last auto baud speed, 9600bps if none.

*W1

1200bps.

*W2

2400bps.

*W3

4800bps.

*W4

9600bps.

*W5

19.2Kbps.

*W6

38.4Kbps.

*W7

Use pin 24 external clock control.

Proprietary V.25bis Command Set

AT COMMAND SET

Type:

Immediate

Format:

ATC

Example:

ATC<CR>

Description:

Switch to AT command set.

CLEAR STORED NUMBER

Type:

Configuration

Format:

CLAnn

Example:

CRI 07 <CR>

Description:

Deletes number stored at memory location n.

DISPLAY STORED NUMBERS

Type:

Immediate

Format:

RLNn

Example:

RLN2<CR>

Description:

Display insecure number in memory location n. If no number is given, all insecure numbers will be displayed.

REDIAL

Type:

Immediate

Format:

DLN

Example:

DLN<CR>

Description:

Redial last number dialed by CRN command.

STORED NUMBERS LIST

Type:

Result code

Format:

LSNxxxx

Example:

LSN 443-3388

Description:

Displays stored numbers. xxxx may specify a memory location, phone number, or status. If no code was specified with RLN, all stored numbers are displayed.