SIIG, INC.

SI-1414RI

Modem Type

Data (synchronous/asynchronous)/Fax

Maximum Data Rate

14.4Kbps

Maximum Fax Rate

14.4Kbps

Data Bus

Internal

Fax Class

Class I & II

Data Modulation Protocol

ITU-T V.22, V.22bis, V.23, V.32, V.32bis

Fax Modulation Protocol

ITU-T V.17, V.21CH2, V.27ter, V.29

Error Correction/Compression

MNP5, V.42, V.42bis

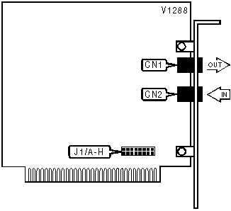
BASE I/O ADDRESS SELECTION

Port

J1/A

J1/B

J1/C

COM1: (3F8h)

Open

Open

Open

COM2: (2F8h)

Closed

Open

Open

COM3: (3E8h)

Open

Closed

Open

» COM4: (2E8h)

Closed

Closed

Open

COM5: (2F0h)

Closed

Open

Closed

COM6: (3E0h)

Open

Closed

Closed

COM7: (2E0h)

Closed

Closed

Closed

INTERRUPT SELECTION

IRQ

J1/D

J1/E

J1/F

J1/G

J1/H

3

Open

Closed

Open

Open

Open

4

Open

Open

Closed

Open

Open

5

Open

Open

Open

Closed

Open

7

Open

Open

Open

Open

Closed

9

Closed

Open

Open

Open

Open

Proprietary AT Command Set

ACCEPT RELIABLE MODE

Type:

Immediate

Format:

AT [cmds] \U

Example:

AT \U<CR>

Description:

Accepts remote modem’s request for reliable link.

AUTO-RELIABLE FALLBACK CHARACTER

Type:

Configuration

Format:

AT [cmds] %An [cmds]

Example:

AT%A20<CR>

Default:

19

Range:

0-127

Unit:

ASCII

Description:

Sets the character used as the auto-reliable fallback character. %A0 will disable this function.

BREAK SEND

Type:

Configuration

Format:

AT [cmds] \Bn [cmds]

Example:

AT \B3 &W<CR>

Range:

1-9

Unit:

.1 second

Description:

Sends break to modem.

BREAK TYPE

Type:

Configuration

Format:

AT [cmds] \Kn [cmds]

Example:

AT \K1 <CR>

Description:

Configures action of break signal.

Command

Function

\K0

Online command mode enabled, send no break to remote modem.

\K1

Break sent to remote modem and buffered cleared.

\K2

Online command mode enabled, send no break to remote modem.

\K3

Send break to remote modem immediately.

\K4

Online command mode enabled, send no break to remote modem.

\K5

Send break with transmitted data.

COMMUNICATIONS MODE

Type:

Configuration

Format:

AT [cmds] &Mn [cmds]

Example:

AT &M0 &E1<CR>

Description:

Selects communications mode.

Command

Function

&M0

Asynchronous mode.

&M1

Synchronous connect mode and asynchronous off-line command mode.

&M2

Synchronous connect mode and asynchronous off-line command mode and set DTR high.

&M3

Synchronous connect mode.

» &M5

V.42 connection enabled.

COMPRESSION

Type:

Configuration

Format:

AT [cmds] %Cn [cmds]

Example:

AT *EC0 %C1 *AP0<CR>

Description:

Selects data compression.

Command

Function

%C0

Data compression disabled.

» %C1

Data compression enabled.

CONNECT MODE

Type:

Configuration

Format:

AT [cmds] \Nn [cmds]

Example:

AT \N1 DT555-1212<CR>

Description:

Sets connect mode.

Command

Function

\N0

Normal mode.

\N1

Direct mode.

\N2

Reliable mode.

\N3

Auto-reliable mode.

\N4

V.42bis reliable mode with phase detection.

\N5

V.42bis auto-reliable mode with phase detection.

\N6

V.42 reliable mode without phase detection.

\N7

V.42 auto-reliable mode without phase detection.

CONVERT TO RELIABLE MODE

Type:

Immediate

Format:

AT [cmds] \O [cmds]

Example:

AT \O<CR>

Description:

Initiates reliable mode link.

ECHO DATA

Type:

Configuration

Format:

AT [cmds] \En [cmds]

Example:

AT \E0<CR>

Description:

Enables modem to echo received data.

Command

Function

» \E0

Data echo disabled.

\E1

Data echo enabled.

FLOW CONTROL TYPE

Type:

Configuration

Format:

AT [cmds] &Kn [cmds]

Example:

AT *MF1 *DF1 &K5<CR>

Description:

Sets type of flow control used by modem.

Command

Function

&K0

Flow control disabled.

&K3

CTS/RTS flow control enabled.

» &K4

XON/XOFF flow control enabled.

&K5

XON/XOFF pass-through flow control enabled.

FLOW CONTROL TYPE

Type:

Configuration

Format:

AT [cmds] \Qn [cmds]

Example:

AT \Q0 A<CR>

Description:

Sets type of flow control used by modem.

Command

Function

\Q0

Flow control disabled.

\Q1

XON/XOFF flow control enabled.

\Q2

CTS flow control enabled.

» \Q3

CTS/RTS flow control enabled.

LOCK SERIAL PORT

Type:

Configuration

Format:

AT [cmds] \Jn [cmds]

Example:

AT %L3 %B14 \J0<CR>

Description:

Sets operation of serial port speed.

Command

Function

» \J0

Serial speed locked.

\J1

Serial speed follows connect speed.

MAXIMUM BLOCK SIZE FOR TRANSMISSION

Type:

Configuration

Format:

AT [cmds] \An [cmds]

Example:

AT \A3 %C1<CR>

Description:

Sets the maximum transmittable block size.

Command

Function

\A0

Maximum MNP block size is 64 characters.

\A1

Maximum MNP block size is 128 characters.

\A2

Maximum MNP block size is 192 characters.

» \A3

Maximum MNP block size is 256 characters.

MNP EXTENDED RESULT CODES

Type:

Configuration

Format:

AT [cmds] \Vn [cmds]

Example:

AT \V1 %C1<CR>

Description:

Selects MNP extended result codes.

Command

Function

\V0

MNP extended result codes disabled.

» \V1

MNP extended result codes enabled.

V.42 EXTENDED RESULT CODES

Type:

Configuration

Format:

AT [cmds] \Wn [cmds]

Example:

AT \W1 %C1<CR>

Description:

Selects V.42 extended result codes.

Command

Function

\W0

V.42 extended result codes disabled.

» \W1

V.42 extended result codes enabled.

XON/XOFF PASS-THROUGH

Type:

Configuration

Format:

AT [cmds] \Xn [cmds]

Example:

AT \X0 <CR>

Description:

Selects whether XON/XOFF signals are sent to remote modem.

Command

Function

\X0

XON/XOFF signals trapped by local modem.

\X1

XON/XOFF passed through local modem.