POWERCOM AMERICA, INC.

PM33V14I (CIRRUS LOGIC)

Card Type

Modem (asynchronous)

Chipset

Cirrus Logic

I/O Options

Voice, microphone in, speaker out

Maximum Data Rate

33.6Kbps

Maximum Fax Rate

14.4Kbps

Data Modulation

Bell 103A/212A

ITU-T V.21, V.22, V.22bis, V.23, V.32, V.32bis, V.34

Fax Modulation

Unidentified

Error Correction/Compression

MNP5, V.42, V.42bis

Fax Class

Unidentified

Data Bus

8-bit ISA

Card Size

Full height, one-third length

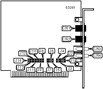
CONNECTIONS

Function

Label

Function

Label

Telephone line in

CN1

Speaker out

CN3

Telephone line out

CN2

Microphone in

CN4

USER CONFIGURABLE SETTINGS

Setting

Label

Position

í Factory configured - do not alter

J8

Unidentified

í Factory configured - do not alter

J9

Unidentified

í Factory configured - do not alter

J10

Unidentified

í Factory configured - do not alter

J11

Unidentified

í Factory configured - do not alter

J12

Unidentified

í Factory configured - do not alter

J13

Unidentified

í Factory configured - do not alter

J14

Unidentified

SERIAL PORT ADDRESS SELECTION

Setting

J1

J2

J3

J4

3F8h (COM1:)

Closed

Closed

Open

Open

2F8h (COM2:)

Closed

Open

Open

Closed

3E8h (COM3:)

Open

Closed

Closed

Open

2E8h (COM4:)

Open

Open

Closed

Closed

INTERRUPT SELECTION

Setting

J5

J6

J7

3

Closed

Open

Open

í 4

Open

Closed

Open

5

Open

Open

Closed

SUPPORTED STANDARD COMMANDS

Basic AT Commands

+++, ‘comma’, A/

A, D, E, H, L, M, N, O, P, Q, T, V, X, Y, Z

&C, &D, &F, &G, &K, &P, &Q, &R, &S, &T, &V, &W, &Y, &Z

Extended AT Commands

\A, \B, \C, \G, \J, \K, \N, \O, \Q, \T, \U, \V, \X, \Y, \Z

%A, %C, %E, %G

Special AT Commands

-C, "H, -J, +MS, "O

S-Registers

S0, S1, S2, S3, S4, S5, S6, S7, S8, S9, S10, S11, S12, S18, S25, S26, S30

Note: See MHI help file for complete information.

UNIDENTIFIED COMMANDS

Command

Default

S14

Read-only

S16

Read-only

S21

Read-only

S22

Read-only

S23

Read-only

S27

Read-only

S31

Read-only

S33

10

S37

0

Proprietary AT Command Set

COMMUNICATION PROTOCOLS

Type:

Configuration

Format:

AT [cmds] Bn [cmds]

Description:

Selects the communication protocol for 1200bps data calls.

Command

Protocol

B0

Modem will use ITU-T V.22 at 1200bps.

B1

Modem will use Bell 212A 1200bps.

B2

Modem will use V.23 at 1200/75bps.

DISPLAY CHIPSET MANUFACTURER

Type:

Immediate

Format:

AT [cmds] +GMI? [cmds]

Description:

Displays the chipset manufacturer’s name.

DISPLAY CHIPSET MODEL NAME

Type:

Immediate

Format:

AT [cmds] +GMM? [cmds]

Description:

Displays the model name of the modem's chipset.

DISPLAY CHIPSET REVISION

Type:

Immediate

Format:

AT [cmds] +GMR? [cmds]

Description:

Displays the revision level of the modem's chipset.

DISPLAY INFORMATION

Type:

Immediate

Format:

AT [cmds] In [cmds]

Description:

Displays information requested about the modem.

Command

Function

I0

Displays product identification code.

I1

Displays firmware version.

I2

Tests and displays ROM checksum result.

I3

Displays chipset manufacturer.

I4

Displays chipset feature bitmap.

 

Bit

Value

Function

 

0

0

1

Modem uses Hayes (Patent ‘302) escape sequence.

Modem uses TIES (+++AT [cmds]<CR>) escape sequence.

 

1

0

1

Modem does not contain V.42/MNP firmware.

Modem contains V.42/MNP firmware.

 

5, 2

00

01

10

Modem has serial interface.

Modem has parallel interface.

Modem has PCMCIA interface.

 

4, 3

00

10

11

Modem does not have SRAM installed.

Modem has 8K x 8 SRAMs installed.

Modem has 32K x 8 SRAMs installed.

 

6

0

1

Modem does not support Plug-N-Play.

Modem supports Plug-N-Play.

I6

Displays country code.

 

Value

Meaning

 

FR

Modem set for France.

 

GR

Modem set for Germany.

 

IT

Modem set for Italy.

 

JP

Modem set for Japan.

 

NT

Modem set for the Netherlands.

 

UK

Modem set for Great Britain.

 

US

Modem set for the United States.

DISPLAY INFORMATION (CON'T)

Command

Function

I7

Displays board firmware version.

I8

Displays firmware feature bitmap.

 

Bit

Value

Function

 

0

0

1

Modem supports VoiceView.

Modem does not support VoiceView.

 

1

0

1

Modem supports DSVD.

Modem does not support DSVD.

EXTENDED RESULT CODES

Type:

Configuration

Format:

AT [cmds] Wn [cmds]

Description:

Selects the format of the CONNECT result code.

Command

Function

í W0

CONNECT result codes to report DTE speed.

W1

CONNECT result codes to report DTE speed.

W2

CONNECT result codes to report DCE speed.

W3

CONNECT result codes to report DTE and DCE speeds, modulation, error correction/compression.