PHILIPS CONSUMER ELECTRONICS, CO.
PCA21IM (VER.2)
|
Card Type |
Fax, Modem (asynchronous) |
|
Chip Set |
Unidentified |
|
Maximum Data Rate |
28.8Kbps |
|
Maximum Fax Rate |
14.4Kbps |
|
Data Bus |
8-bit ISA |
|
Fax Class |
Class I & II |
|
Data Modulation Protocol |
Bell 103/212 ITU-T V.21, V.22, V.22bis, V.23, V.32, V.32bis, V.32terbo, V.34 |
|
Fax Modulation Protocol |
ITU-T V.17, V.21CH2, V.27ter, V.29 |
|
Error Correction/Compression |
MNP5, V.42, V.42bis |

|
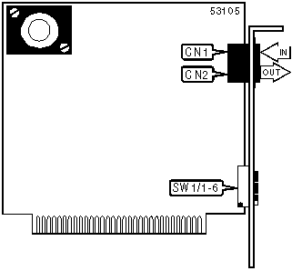
CONNECTIONS | ||||||
|
Function |
Label |
Function |
Label | |||
|
Line in |
CN1 |
Line out |
CN2 | |||
|
SERIAL PORT ADDRESS | ||
|
Setting |
SW1/1 |
SW1/2 |
|
COM1 (3F8h) |
On |
On |
|
COM2 (2F8h) |
Off |
On |
|
COM3 (3E8h) |
On |
Off |
|
í COM4 (2E8h) |
Off |
Off |
|
INTERRUPT | ||||
|
Setting |
SW1/3 |
SW1/4 |
SW1/5 |
SW1/6 |
|
2 |
On |
Off |
Off |
Off |
|
í 3 |
Off |
On |
Off |
Off |
|
4 |
Off |
Off |
On |
Off |
|
5 |
Off |
Off |
Off |
On |
|
SUPPORTED COMMAND SET |
|
Basic AT Commands |
|
AT, ‘+++’, ‘Comma’, A/ |
|
A, E, M, O, P, S, T, V, X, Y, Z |
|
&C, &D, &F, &G, &K, &P, &S, &T, &V, &W, &X, &Y, &Z |
|
Extended AT Commands |
|
\A, \B, \C, \G, \J, \N, \Q, \V, \X, %A, %C, %E |
|
S Registers |
|
S0, S1, S2, S3, S4, S5, S6, S7, S8, S9, S10, S11, S12, S16, S18, S25, S26, S27, S91 |
|
Note: See MHI Help file for full command documentation. |
Proprietary AT Command Set
For a full command summary, see PHILIPS CONSUMER ELECTRONICS, CO., PCA21EM