PATTON ELECTRONICS COMPANY

1080A

Modem Type

Data (synchronous/asynchronous)

Maximum Data Rate

57.6Kbps

Data Bus

External

Data Modulation Protocol

Proprietary

CONNECTIONS

Purpose

Location

Purpose

Location

Line in

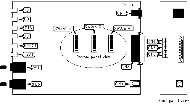
CN1

Transmit

CN4

RS-232/422

CN2

Ground

CN5

DC power

CN3

Receive

CN6

ANTISTREAMING

Setting

SW3/G

SW3/H

» Disabled

Off

Off

12.5 seconds

Off

On

50 seconds

On

Off

12.5 seconds

On

On

CARRIER SIGNAL

Setting

SW1/H

» Forced high

Off

Carrier signal follows RTS

On

CLOCK SOURCE

Setting

SW1/E

SW1/F

» Internal transmit

On

On

Receive recover

Off

On

External Transmit

On

Off

DATA RATE FLUCTUATION ALLOWED

Setting

SW2/C

» -2.5% to +1%

Off

-2.5% to +2.3%

On

DEVICE TYPE

Setting

SW3/D

» On

Point to point

On

Multipoint master

Off

Multipoint slave

IMPEDANCE

Setting

SW3/A

SW3/B

130 Ohms

On

On

» 200 Ohms

Off

On

320 Ohms

Off

On

Minimum 2K ohms

Off

Off

LOCAL ANALOG LOOPBACK TEST

Setting

SW3/E

Enabled

On

» Disabled

Off

LOOPBACK TEST SELCET

Setting

SW5

Local analog loopback

Up

Normal operation

Horizontal

Remote digital loopback

Down

LOOPBACK TEST

Setting

SW2/F

» Loopback test enabled

Off

Loopback test disabled

On

REMOTE DIGITAL LOOPBACK TEST

Setting

SW3/F

Enabled

On

» Disabled

Off

RTS/CTS DELAY

Setting

SW2/D

SW2/E

» 7ms

On

On

53ms

Off

On

Disabled

On

Off

Disabled

Off

Off

SPEED

Setting

SW1/A

SW1/B

SW1/C

SW1/D

1.2Kbps

On

On

On

On

1.8kbps

Off

On

On

On

2.4Kkbps

On

Off

On

On

3.6kbps

Off

Off

On

On

4.8kbps

On

On

Off

On

7.2kbps

Off

On

Off

On

» 9.6kbps

On

Off

Off

On

14.4kbps

Off

Off

Off

On

19.2kbps

On

On

On

Off

28.8kbps

Off

On

On

Off

38.4kbps

On

On

Off

Off

57.6kbps

Off

On

Off

Off

SYNCHRONOUS/ASYNCHRONOUS MODE

Setting

SW1/G

» Asynchronous

On

Synchronous

Off

TEST PATTERN

Setting

SW4

Generate 511 test pattern

Up

Normal operation

Horizontal

Test 511E test pattern generator

Down

WIRE TYPE

Setting

SW2/G

» 4 wire

Off

2 wire

On

WORD LENGTH

Setting

SW2/A

SW2/B

8 bit

Off

On

9 bit

On

On

» 10 bit

Off

Off

11 bit

On

Off

FACTORY CONFIGURED SETTINGS

Jumper

Setting

SW3/C

Not used

SW2/H

Not used

DIAGNOSTIC LED(S)

LED

Color

Status

Condition

TD

Red/Green

Blinking

Modem is transmitting data

TD

Red

Off

Modem connection is broken

TD

Red

On

Modem is not transmitting data

RD

Red/Green

Blinking

Modem is receiving data

RD

Green

Off

Modem connection is broken

RD

Red

On

Modem is not receiving data

RTS

Red

On

RTS signal is low

RTS

Green

Off

RTS signal is high

CD

Red

On

Carrier signal not detected

CD

Green

Off

Carrier signal detected

 

In Test Mode

Not In Test Mode

ERROR

Red

On

Bit errors detected

RTS streaming error

ERROR

Red

Off

No bit errors

No streaming error

TEST

Red

Off

Modem is not in test mode

TEST

Red

On

Modem is in test mode