MOTOROLA, INC.
VANGUARD 311, VANGUARD 312, VANGUARD 311 PLUS, VANGUARD 312 PLUS
|
Card Type |
ISDN to Ethernet router |
|
Processor |
Motorola 68360 |
|
Processor Speed |
Unidentified |
|
Chip Set |
Unidentified |
|
Maximum Onboard Memory |
4MB DRAM/2MB Flash RAM |
|
Network Transfer Rate |
10Mbps |
|
ISDN Transfer Rate |
64Kbps x 2 |
|
Data Bus |
External |
|
ISDN Protocol |
Unidentified |
|
Switch Type |
Unidentified |
|
Topology |
Linear Bus/Star |
|
Wiring Type |
Unshielded twisted pair RG-58A/U 50ohm coaxial |
|
Boot ROM |
Not available |
|
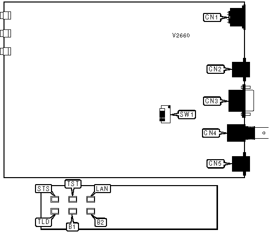
CONNECTIONS | |||
|
Function |
Label |
Function |
Label |
|
DC power |
CN1 |
RG-58A/U 50ohm coaxial connector |
CN4 |
|
ISDN U line in |
CN2 |
Unshielded twisted pair connector |
CN5 |
|
CTP port |
CN3 | ||
|
ISDN TERMINATION | ||||
|
Setting |
SW1/1 |
SW1/2 |
SW1/3 |
SW1/4 |
|
100 ohm termination |
On |
On |
On |
On |
|
Hi-Z termination |
Off |
Off |
Off |
Off |
|
DIAGNOSTIC LED(S) | |||
|
LED |
Color |
Status |
Condition |
|
STS |
Green |
On |
Software is running |
|
STS |
Green |
Off |
Software not running |
|
STS |
Green |
1s blink |
Card is booting |
|
STS |
Green |
.5s blink |
Software is downloading |
|
TST |
Red |
On |
Test failed |
|
TST |
Red |
Off |
No test in progress or test passed |
|
TST |
Red |
Blinking |
Test in progress |
|
LAN |
Unidentified |
Blinking |
Card is transmitting or receiving from network |
|
LAN |
Unidentified |
Off |
Card is not transmitting or receiving from network |
|
TLD |
Orange |
On |
Card is transmitting or receiving from ISDN D-channel or POTS line |
|
TLD |
Orange |
Off |
Card is not transmitting or receiving from ISDN D-channel or POTS line |
|
B1 |
Unidentified |
On |
Card is transmitting or receiving from ISDN B1-channel |
|
B1 |
Unidentified |
Off |
Card is not transmitting or receiving from ISDN B1-channel |
|
B2 |
Unidentified |
On |
Card is transmitting or receiving from ISDN B2-channel |
|
B2 |
Unidentified |
Off |
Card is not transmitting or receiving from ISDN B2-channel |
|
STS Status |
TLD Status |
Condition | |
|
Blinking |
On |
Software is downloading from remote | |