OMNITEL, INC.

T2400-PC1/PC2

Modem Type

Data (Asynchronous/Synchronous)

Maximum Data Rate

2400 bps

Maximum Fax Rate

N/A

Data Bus

8-bit ISA

Fax Class

N/A

Data Modulation Protocol

Bell 103A & 212A, CCITT V.22bis & V.22

Fax Modulation Protocol

N/A

Error Correction/Compression

Unidentified

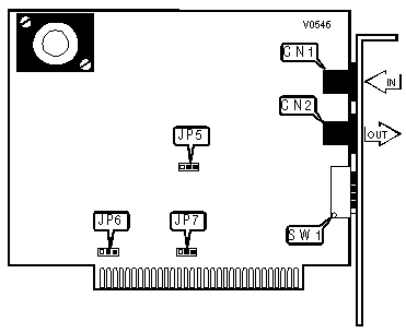
CONNECTIONS

Purpose

Location

Purpose

Location

Line in

CN1

Line out

CN2

COM PORT CONFIGURATIONS

COM

SW1/1

SW1/2

í COM1

On

On

COM2

On

Off

COM3

Off

On

COM4

Off

Off

DATA TERMINAL READY - DTR

Setting

SW1/3

í Disabled

Off

Enabled

On

CARRIER DETECT - CD

Setting

SW1/4

í Disabled

Off

Enabled

On

FACTORY CONFIGURED SETTINGS

Switch

Setting

SW1/5

Off

SW1/6

Off

CLEAR TO SEND OPTIONS

Setting

JP5

CTS follows RTS

Pins 2 & 3

CTS follows CD

Pins 1 & 2

INTERUPT SELECT

Setting

JP6

JP7

IRQ2

N/A

Pins 2 & 3 closed

IRQ3

N/A

Pins 1 & 2 closed

IRQ4

Pins 1 & 2 closed

N/A

IRQ5

Pins 2 & 3 closed

N/A