CREATIX POLYMEDIA

SIERRA VOICE PNP 28.8 (INTERNAL REV.2)

Card Type

Fax, Modem (asynchronous), Voice

Chip Set

Sierra

I/O Options

Voice

Maximum Data Rate

28.8Kbps

Maximum Fax Rate

14.4Kbps

Data Bus

8-bit ISA

Fax Class

Class I & II

Data Modulation Protocol

Bell 103A/212A

ITU-T V.21, V.22, V.22bis, V.32, V.32bis, V.34

Fax Modulation Protocol

ITU-T V.17, V.21CH2, V.27ter, V.29

Error Correction/Compression

MNP5, V.42, V.42bis

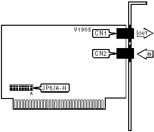
CONNECTIONS

Function

Label

Function

Label

Line out

CN1

Line in

CN2

SERIAL PORT ADDRESS

Setting

JP6/A

JP6/B

COM1 (3F8h)

Open

Open

COM2 (2F8h)

Closed

Open

COM3 (3E8h)

Open

Closed

í COM4 (2E8h)

Closed

Closed

INTERRUPT

Setting

JP6/C

JP6/D

JP6/E

JP6/F

JP6/G

JP6/H

í 3

Closed

Open

Open

Open

Open

Open

4

Open

Closed

Open

Open

Open

Open

5

Open

Open

Closed

Open

Open

Open

10

Open

Open

Open

Closed

Open

Open

11

Open

Open

Open

Open

Closed

Open

12

Open

Open

Open

Open

Open

Closed

Proprietary AT Command Set

See document V1896 for a full command summary.