ZERO ONE NETWORKING

ZOT-N100AT

NIC Type

ARCnet

Network Transfer Rate

2.5Mbps

Data Bus

8-bit ISA

Topology

Star

Wiring Type

Unshielded twisted pair

Boot ROM

Available

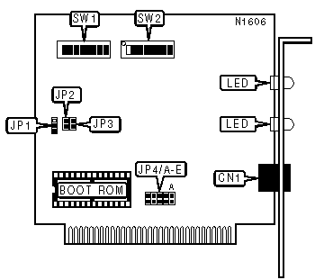
CONNECTIONS

Function

Label

Unshielded twisted pair port

CN1

BASE I/O ADDRESS SELECTION

Address

SW2/1

SW2/2

SW2/3

 

260-26Fh

On

On

On

 

290-29Fh

On

On

Off

»

2E0-2EFh

On

Off

On

 

2F0-2FFh

On

Off

Off

 

300-30Fh

Off

On

On

 

350-35Fh

Off

On

Off

 

380-38Fh

Off

Off

On

 

3E0-3EFh

Off

Off

Off

INTERRUPT SELECTION

IRQ

JP4/A

JP4/B

JP4/C

JP4/D

JP4/E

»

2

Closed

Open

Open

Open

Open

 

3

Open

Closed

Open

Open

Open

 

4

Open

Open

Closed

Open

Open

 

5

Open

Open

Open

Closed

Open

 

7

Open

Open

Open

Open

Closed

NODE ADDRESS

Node

SW1/1

SW1/2

SW1/3

SW1/4

SW1/5

SW1/6

SW1/7

SW1/8

1

On

On

On

On

On

On

On

Off

2

On

On

On

On

On

On

Off

On

3

On

On

On

On

On

On

Off

Off

4

On

On

On

On

On

Off

On

On

5

On

On

On

On

On

Off

On

Off

251

Off

Off

Off

Off

Off

On

Off

Off

252

Off

Off

Off

Off

Off

Off

On

On

253

Off

Off

Off

Off

Off

Off

On

Off

254

Off

Off

Off

Off

Off

Off

Off

On

255

Off

Off

Off

Off

Off

Off

Off

Off

Note: SW1/1 is unidentified.

RAM ADDRESS RANGE CONFIUGRATION

RAM Address

SW2/4

SW2/5

SW2/6

SW2/7

SW2/8

 

C:0000-C:07FFh

On

On

On

On

On

 

C:0800-C:0FFFh

On

On

On

On

Off

 

C:1000-C17FFh

On

On

On

Off

On

 

C:1800-C:1FFFh

On

On

On

Off

Off

 

C:4000-C:47FF

On

On

Off

On

On

 

C:4800-C:4FFFh

On

On

Off

On

Off

 

C:5000-C:57FFh

On

On

Off

Off

On

 

C:5800-C:5FFFh

On

On

Off

Off

Off

 

C:C000-C:C7FFh

On

Off

On

On

On

 

C:C800-C:CFFFh

On

Off

On

On

Off

»

C:D000-C:D7FFh

On

Off

On

Off

On

 

C:D800-C:DFFFh

On

Off

On

Off

Off

 

D:0000-D:07FFh

On

Off

Off

On

On

 

D:0800-D:07FFh

On

Off

Off

On

Off

 

D:1000-D17FFh

On

Off

Off

Off

On

 

D:1800-D:1FFFh

On

Off

Off

Off

Off

 

D:4000-D:47FFh

Off

On

On

On

On

 

D:4800-D:4FFFh

Off

On

On

On

Off

 

D:5000-D:57FFh

Off

On

On

Off

On

 

D:5800-D:5FFFh

Off

On

On

Off

Off

 

D:8000-D:87FFh

Off

On

Off

On

On

 

D:8800-D:8FFFh

Off

On

Off

On

Off

 

D:9000-D:97FFh

Off

On

Off

Off

On

 

D:9800-D:9FFFh

Off

On

Off

Off

Off

 

D:C000-D:C7FFh

Off

Off

On

On

On

 

D:C800-D:CFFFh

Off

Off

On

On

Off

 

D:D000-D:D7FFh

Off

Off

On

Off

On

 

D:D800-D:DFFFh

Off

Off

On

Off

Off

 

E:0000-E:07FFh

Off

Off

Off

On

On

 

E:0800-E:0FFFh

Off

Off

Off

On

Off

 

E:1000-E:17FFh

Off

Off

Off

Off

On

 

E:1800-E:1FFFh

Off

Off

Off

Off

Off

BOOT ROM CONFIGURATION

Setting

JP1

»

Disabled

Pins 1 & 2 closed

 

Enabled

Pins 2 & 3 closed

EXTENDED TIMEOUT CONFIGURATION

Setting

JP2

JP3

Normal

Open

Open

Med. L

Open

Closed

Med. H

Closed

Open

Maximum

Closed

Closed

DIAGNOSTIC LED(S)

LED

Status

Condition

LED1

On

Power is on

LED1

Off

Power is off

LED2

On

Data is being transmitted/received

LED2

Off

Data is not being transmitted/received

Note: The relative locations of LED1 and LED2 are unidentified.