SYSTRAN CORPORATION

SCRAMNET+ VME6U

NIC Type

Proprietary

Chipset

Systran Corporation

Maximum Onboard Memory

8MB DRAM

I/O Options

Bypass connector

Network Transfer Rate

150Mbps

Data Bus

VME double

Topology

Linear Bus/Ring

Wire Type

RG-58A/U 50ohm coaxial

Fiber optic cable

Boot ROM

Not available

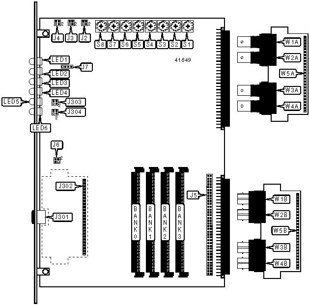
CONNECTIONS

Function

Label

Function

Label

Header for cabinet connection

J5

RG-58A/U 50ohm coaxial receive connector 1

W1A

Auxiliary connector (see pinout below)

J7

Fiber optic ST receive connector 1

W1B

Bypass connector

J301

RG-58A/U 50ohm coaxial receive connector 2

W2A

Daughterboard header

J302

Fiber optic ST receive connector 2

W2B

CONNECTIONS (CON’T)

Function

Label

Function

Label

RG-58A/U 50ohm coaxial transmit connector 1

W3A

Fiber optic ST transmit connector 2

W4B

Fiber optic ST transmit connector 1

W3B

Header to main board J302

W5A

RG-58A/U 50ohm coaxial transmit connector 2

W4A

Header to main board J302

W5B

J7 PINOUT

Function

Pin

Function

Pin

Ground

1

Trigger 1 signal

3

Trigger 1 and Trigger 2 signal

2

Trigger 2 signal

4

USER CONFIGURABLE SETTINGS

Setting

Label

Position

»

Card is not software compatible with ScramNET Classic cards

J2

Pins 1 & 3 closed

 

Card is software compatible with ScramNET Classic cards

J2

Pins 2 & 4 closed

»

SIMM memory disabled, on-board memory enabled

J3

Pins 1 & 3 closed

 

SIMM memory enabled, on-board memory disabled

J3

Pins 2 & 4 closed

»

Variable length packets disabled

J4

Pins 1 & 3 closed

 

Variable length packets enabled

J4

Pins 2 & 4 closed

»

Chassis ground connected to signal ground

J6

Pins 2 & 4 closed

 

Chassis ground not connected to signal ground

J6

Pins 1 & 3 closed

»

EEPROM write protect disabled

J303

Pins 2 & 4 closed

 

EEPROM write protect enabled

J303

Pins 1 & 3 closed

»

EEPROM read protect disabled

J304

Pins 2 & 4 closed

 

EEPROM read protect enabled

J304

Pins 1 & 3 closed

DRAM CONFIGURATION

Size

Bank 0

Bank 1

Bank 2

Bank 3

128KB

None

None

None

None

512KB

(1) 512K x 9

None

None

None

1MB

(1) 512K x 9

(1) 512K x 9

None

None

2MB

(1) 512K x 9

(1) 512K x 9

(1) 512K x 9

(1) 512K x 9

2MB

(1) 2M x 9

None

None

None

4MB

(1) 2M x 9

(1) 2M x 9

None

None

8MB

(1) 2M x 9

(1) 2M x 9

(1) 2M x 9

(1) 2M x 9

Note:The SIMMs are proprietary and must be ordered from Systran.

ADDRESSING RESOLUTION SELECTION

Control/Status Registers

Memory

S8

 

16 bits

24 bits

Position 6

»

16 bits

32 bits

Position 7

 

24 bits

24 bits

Position A

 

24 bits

32 bits

Position B

 

32 bits

24 bits

Position E

 

32 bits

32 bits

Position F

CONTROL/STATUS REGISTER ADDRESS SELECTION

A total of 134,217,728 address settings are available. Switches S1 through S7 set the hexadecimal memory address. SW1 is the Most Significant Nibble and switch SW7 is the Least Significant Nibble, though the bottom two bits of SW7 are always 0. The switches have the following decimal weight values: SW1=4,194,304, SW2=2,097,152, SW3=1,048,576, SW4=65,536, SW5=4,096, SW6=256, SW7=16. Set the switches, multiply the number on the switch by its weight value, add the values obtained for each switch, and round down to the nearest multiple of 64 to obtain the correct memory address.

DIAGNOSTIC LED(S)

LED

Color

Status

Condition

LED1

Green

On

Network connection is good

LED1

Green

Off

Network connection is broken

LED2

Green

On

Message is waiting in transmit FIFO

LED2

Green

Off

Message is not waiting in transmit FIFO

LED3

Green

On

Carrier signal is detected

LED3

Green

Off

Carrier signal is not detected

LED4

Yellow

On

Error condition detected

LED4

Yellow

Off

Error condition not detected

LED5

Green

On

Message received from this node

LED5

Green

Off

Message not received from this node

LED6

Green

On

Message received from another node

LED6

Green

Off

Message not received from another node