TIARA COMPUTER SYSTEMS, INC.

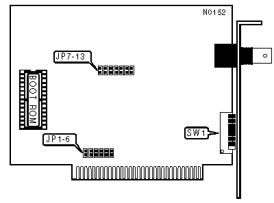
ARCNET LanCard PC

NIC Type

ARCnet

Transfer Rate

2.5Mbps

Data Bus

8-bit ISA

Topology

Star

Wiring Type

RG-62A/U 93ohm coaxial

Boot ROM

Available

NODE ADDRESS

Node

SW1/1

SW1/2

SW1/3

SW1/4

SW1/5

SW1/6

SW1/7

SW1/8

0

-

-

-

-

-

-

-

-

1

On

Off

Off

Off

Off

Off

Off

Off

2

Off

Off

Off

Off

Off

Off

On

Off

3

Off

Off

Off

Off

Off

Off

On

On

4

Off

Off

Off

Off

Off

On

Off

Off

251

On

On

On

On

On

Off

On

On

252

On

On

On

On

On

On

Off

Off

253

On

On

On

On

On

On

Off

On

254

On

On

On

On

On

On

On

Off

255

On

On

On

On

On

On

On

On

Note:Node address 0 is used for messaging between nodes and must not be used.

A total of 255 node address settings are available. The switches are a binary representation of the decimal node addresses. Switch 1 is the Least Significant Bit and switch 8 is the Most Significant Bit. The switches have the following decimal values: switch 1=1, 2=2, 3=4, 4=8, 5=16, 6=32, 7=64, 8=128. Turn on the switches and add the values of the on switches to obtain the correct node address. (On=1, off=0)

BOOT ROM

Setting

JP7

»

Disabled

Open

 

Enabled

Closed

INTERRUPT REQUEST

IRQ

JP1

JP2

JP3

JP4

JP5

JP6

»

2

Closed

Open

Open

Open

Open

Open

 

3

Open

Closed

Open

Open

Open

Open

 

4

Open

Open

Closed

Open

Open

Open

 

5

Open

Open

Open

Closed

Open

Open

 

6

Open

Open

Open

Open

Closed

Open

 

7

Open

Open

Open

Open

Open

Closed

RIM BUFFER ADDRESS CONFIGURATION

Buffer Address

JP8

JP9

JP10

 

C0000h

Closed

Closed

Closed

 

C4000h

Open

Closed

Closed

 

CC000h

Closed

Open

Closed

»

D0000h

Open

Open

Closed

 

D4000h

Closed

Closed

Open

 

D8000h

Open

Closed

Open

 

DC000h

Closed

Open

Open

 

E0000h

Open

Open

Open

I/O BASE ADDRESS

Address

JP11

JP12

JP13

 

260h

Closed

Closed

Closed

 

290h

Open

Closed

Closed

»

2E0h

Closed

Open

Closed

 

2F0h

Open

Open

Closed

 

300h

Closed

Closed

Open

 

350h

Open

Closed

Open

 

380h

Closed

Open

Open

 

3E0h

Open

Open

Open