INTERPHASE CORPORATION

5511 PCI FDDI ADAPTER (DAS SC DUPLEX PB05511-002)

Card Type

Network Interface Card

NIC Type

FDDI

Maximum Onboard Memory

Unidentified

Boot ROM

Unidentified

Network Transfer Rate

100Mbps

Topology

Ring, Peer-Peer

Wiring Type

Fiber optic cable

Data Bus

32-bit PCI

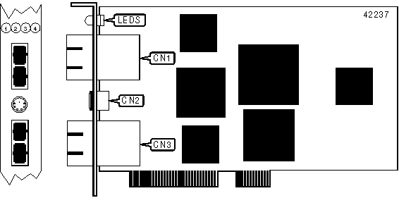
CONNECTIONS

Function

Label

Function

Label

Fiber optic connector - SC (Port A)

CN1

Fiber optic connector - SC (Port B)

CN3

6-pin DIN (Optical Bypass Switch)

CN2

   

DIAGNOSTIC LED(S)

LED1

Condition

On

Network connection good

Off

Network connection broken

DIAGNOSTIC LED(S) CONTINUED

LED2

LED3

LED4

Condition

Off

Off

On

Onboard SMT processor diagnostics in progress or failure (adapter not operational).

On

Blinking

Off

Onboard SMT processor providing Common Boot interface to host system.

Blinking

Off

Off

Onboard SMT processor providing Report Command interface to host system.

Blinking

On

Off

Network connection enabled and Report Command interface continuing.

Note: When the 5511 is either powered up or reset, the SMT processor automatically performs a series of onboard diagnostics. If the diagnostics complete successfully, LED4 (Error LED) will go to Off. If the diagnostics complete unsuccessfully, LED4 will remain on indicating processor initialization failure, and the adapter will be inoperational.