KODIAK TECHNOLOGY, INC.

KODIAK~8 10BT

NIC Type

Ethernet

Transfer Rate

10Mbps

Data Bus

8-bit ISA

Topology

Linear bus

Wiring Type

Unshielded twisted pair

Boot ROM

Available

CABLE LENGTH

Legth

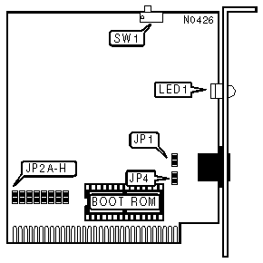
JP1

»

< 100 meters

Open

 

> 100 meters

Closed

Note:The hub must also support cable lengths greater than 100 meters if the >100m option is used.

BOOT ROM

Setting

JP2A

»

Disabled

Open

 

Enabled

Closed

Note:In earlier versions of this card there is no socket for a boot ROM. If you have one of these earlier socketless versions and you purchased it less than five years ago, you may return it to the manufacturer for an updated version. You can also solder in a socket for a boot ROM but you will void the warranty.

BOOT ROM ADDRESS

Address

JP2B

JP2C

C8000h

Closed

Closed

CC000h

Closed

Open

D8000h

Open

Closed

DC000h

Open

Open

I/O BASE ADDRESS

Address

JP2D

JP2E

 

200h

Closed

Closed

 

210h

Closed

Open

»

300h

Open

Closed

 

310h

Open

Open

INTERRUPT REQUEST

IRQ

JP2F

JP2G

JP2H

 

2

Closed

Open

Open

»

3

Open

Closed

Open

 

5

Open

Open

Closed

 

Programmed I/O

Open

Open

Open

TRANSMIT/RECEIVE WIRE POLARITY

Setting

SW1 (SW1/1 & SW1/2)

»

Normal

On

 

Reversed

Off

Note:If the transmit/receive wires are reversed, they can be corrected for by setting this option to reversed. On some earlier versions of this card there are two switches, SW1/1 & SW1/2. On these older cards each switch should be set the same.

FACTORY CONFIGURED SETTINGS

Jumper

Setting

JP4

Unused

DIAGNOSTIC LED(S)

LED1

Hub LED

Condition

On

On

Network connection is good

Off

Off

Tx/Rx polarity crossover at adapter

Note:The Hub LED is located on the Hub not the NIC.

If a crossover condition exists this can be corrected for by using switch SW1.