TOTEM TECHNOLOGY CO., LTD.

TM-P2BXATVA

Device Type

Mainboard

Processor

Pentium II

Processor Speed

233/266/300/333/350/400/450/500MHz

Chip Set

Intel 440BX

Maximum Onboard Memory

768MB (EDO & SDRAM supported)

Cache

256/512KB (located on Pentium II CPU)

BIOS

Award

Dimensions

220mm x 200mm

I/O Options

32-bit PCI slots (4), floppy drive interface, IDE interfaces (2), parallel port, PS/2 mouse interface, serial ports (2), IR connector, USB connector, ATX power connector, AGP slot, SB-link connector, wake on LAN connector

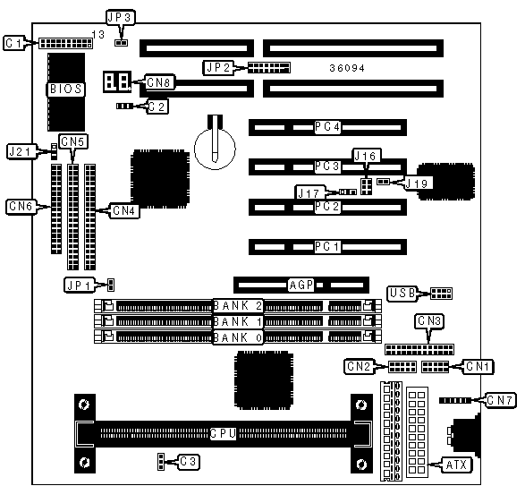
CONNECTIONS

Purpose

Location

Purpose

Location

AGP slot

AGP

Reset switch

C1/pins 11 & 12

ATX power connector

ATX

IR connector

C1/pins 13 - 16

Serial port 2

CN1

Speaker

C1/pins 17 - 20

Serial port 1

CN2

IDE interface LED

C1/pins 21 & 22

Parallel port

CN3

Soft off power supply

C1/pins 23 & 24

IDE interface 1

CN4

Chassis fan power

C2

IDE interface 2

CN5

CPU fan power

C3

Floppy drive interface

CN6

SB-link connector

J16

PS/2 mouse interface

CN7

Wake on LAN connector

J17

Debug display

CN8

Debug connector

JP2

IR connector

C1/pins 1 - 5

32-bit PCI slots

PC1 - PC4

Power LED & keylock

C1/pins 6 - 10

USB connector

USB

USER CONFIGURABLE SETTINGS

Function

Label

Position

»

Factory configured - do not alter

J19

Unidentified

»

CMOS memory normal operation

J21

Pins 1 & 2 closed

 

CMOS memory clear

J21

Pins 2 & 3 closed

 

Debug display type select on board

JP3

Closed

 

Debug display type select external

JP3

Open

DIMM CONFIGURATION

Size

Bank 0

Bank 1

Bank 2

8MB

(1) 1M x 64

None

None

16MB

(1) 2M x 64

None

None

16MB

(1) 1M x 64

(1) 1M x 64

None

24MB

(1) 2M x 64

(1) 1M x 64

None

24MB

(1) 1M x 64

(1) 1M x 64

(1) 1M x 64

32MB

(1) 4M x 64

None

None

32MB

(1) 2M x 64

(1) 1M x 64

(1) 1M x 64

32MB

(1) 2M x 64

(1) 2M x 64

None

40MB

(1) 4M x 64

(1) 1M x 64

None

40MB

(1) 2M x 64

(1) 2M x 64

(1) 1M x 64

48MB

(1) 4M x 64

(1) 1M x 64

(1) 1M x 64

48MB

(1) 4M x 64

(1) 2M x 64

None

48MB

(1) 2M x 64

(1) 2M x 64

(1) 2M x 64

56MB

(1) 4M x 64

(1) 2M x 64

(1) 1M x 64

64MB

(1) 8M x 64

None

None

64MB

(1) 4M x 64

(1) 2M x 64

(1) 2M x 64

64MB

(1) 4M x 64

(1) 4M x 64

None

72MB

(1) 8M x 64

(1) 1M x 64

None

72MB

(1) 4M x 64

(1) 4M x 64

(1) 1M x 64

80MB

(1) 8M x 64

(1) 1M x 64

(1) 1M x 64

80MB

(1) 8M x 64

(1) 2M x 64

None

80MB

(1) 4M x 64

(1) 4M x 64

(1) 2M x 64

88MB

(1) 8M x 64

(1) 2M x 64

(1) 1M x 64

96MB

(1) 8M x 64

(1) 2M x 64

(1) 2M x 64

96MB

(1) 8M x 64

(1) 4M x 64

None

96MB

(1) 4M x 64

(1) 4M x 64

(1) 4M x 64

104MB

(1) 8M x 64

(1) 4M x 64

(1) 1M x 64

112MB

(1) 8M x 64

(1) 4M x 64

(1) 2M x 64

128MB

(1) 16M x 64

None

None

128MB

(1) 8M x 64

(1) 4M x 64

(1) 4M x 64

128MB

(1) 8M x 64

(1) 8M x 64

None

136MB

(1) 16M x 64

(1) 1M x 64

None

136MB

(1) 8M x 64

(1) 8M x 64

(1) 1M x 64

144MB

(1) 16M x 64

(1) 1M x 64

(1) 1M x 64

144MB

(1) 16M x 64

(1) 2M x 64

None

144MB

(1) 8M x 64

(1) 8M x 64

(1) 2M x 64

152MB

(1) 16M x 64

(1) 2M x 64

(1) 1M x 64

160MB

(1) 16M x 64

(1) 2M x 64

(1) 2M x 64

160MB

(1) 16M x 64

(1) 4M x 64

None

160MB

(1) 8M x 64

(1) 8M x 64

(1) 4M x 64

168MB

(1) 16M x 64

(1) 4M x 64

(1) 1M x 64

176MB

(1) 16M x 64

(1) 4M x 64

(1) 2M x 64

192MB

(1) 16M x 64

(1) 4M x 64

(1) 4M x 64

192MB

(1) 16M x 64

(1) 8M x 64

None

192MB

(1) 8M x 64

(1) 8M x 64

(1) 8M x 64

200MB

(1) 16M x 64

(1) 8M x 64

(1) 1M x 64

208MB

(1) 16M x 64

(1) 8M x 64

(1) 2M x 64

224MB

(1) 16M x 64

(1) 8M x 64

(1) 4M x 64

256MB

(1) 32M x 64

None

None

272MB

(1) 32M x 64

(1) 1M x 64

(1) 1M x 64

272MB

(1) 32M x 64

(1) 2M x 64

None

288MB

(1) 32M x 64

(1) 2M x 64

(1) 2M x 64

288MB

(1) 32M x 64

(1) 4M x 64

None

320MB

(1) 32M x 64

(1) 4M x 64

(1) 4M x 64

320MB

(1) 32M x 64

(1) 8M x 64

None

384MB

(1) 32M x 64

(1) 8M x 64

(1) 8M x 64

384MB

(1) 32M x 64

(1) 16M x 64

None

384MB

(1) 16M x 64

(1) 16M x 64

(1) 16M x 64

512MB

(1) 32M x 64

(1) 16M x 64

(1) 16M x 64

512MB

(1) 32M x 64

(1) 32M x 64

None

768MB

(1) 32M x 64

(1) 32M x 64

(1) 32M x 64

Note: Board accepts EDO & SDRAM memory.

CACHE CONFIGURATION

Note: 256KB/512KB cache is located on the Pentium II CPU.

CPU SPEED SELECTION

CPU speed

Clock speed

Multiplier

JP1

233MHz

66MHz

3.5x

Closed

266MHz

66MHz

4x

Closed

300MHz

66MHz

4.5x

Closed

333MHz

66MHz

5x

Closed

350MHz

100MHz

3.5x

Open

400MHz

100MHz

4x

Open

450MHz

100MHz

4.5x

Open

500MHz

100MHz

5x

Open

DEBUG DISPLAY SELECTION

Error code

Display

Message

Solution

C1

None

Can't detect DRAM

Replace/reinstall SDRAM

C1

None

Can't detect DRAM

Replace/reinstall BIOS

C6

None

Can't detect DRAM

Replace/reinstall SDRAM

C6

None

Can't detect DRAM

Replace/reinstall BIOS

OD

None

Can't detect VGA card

Replace/reinstall VGA card

OD

None

Can't detect VGA card

Replace/reinstall BIOS

4E

Yes

Can't detect floppy drive

Replace BIOS

4E

Yes

Can't detect floppy drive

Enter BIOS menu to reset

4E

Yes

Can't detect floppy drive

Check that floppy is connected

4E

Yes

Can't detect floppy drive

Reconnect/reinstall floppy cable

61

Yes

L2 cache problem

Enter BIOS menu to disable cache