QDI COMPUTER, INC.

P6I440LX/ATX LEGEND-I

Processor

Pentium II

Processor Speed

233/266/300/333MHz

Chip Set

Intel

Video Chip Set

None

Maximum Onboard Memory

1GB (EDO & SDRAM supported)

Maximum Video Memory

None

Cache

256/512KB (located on Pentium II CPU)

BIOS

Award

Dimensions

305mm x 244mm

I/O Options

32-bit PCI slots (4), floppy drive interface, green PC connector, IDE interfaces (2), parallel port, PS/2 mouse port, serial ports (2), IR connector, USB connectors (2), ATX power connector, AGP slot

NPU Options

None

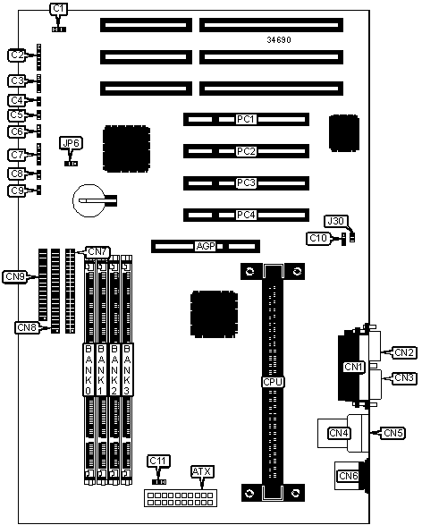
CONNECTIONS

Purpose

Location

Purpose

Location

AGP slot

AGP

CPU fan power

C11

ATX power connector

ATX

Parallel port

CN1

Chassis fan power

C1

Serial port 1

CN2

IR connector

C2

Serial port 2

CN3

Speaker

C3

USB connector 1

CN4

Reset switch

C4

USB connector 2

CN5

IDE interface LED

C5

PS/2 mouse port

CN6

Power LED

C6

IDE interface 2

CN7

Power LED & keylock

C7

IDE interface 1

CN8

Green PC connector

C8

Floppy drive interface

CN9

Turbo LED

C9

32-bit PCI slots

PC1 – PC4

CPU fan power

C10

   

USER CONFIGURABLE SETTINGS

Function

Label

Position

 

Chassis security open

J30

Closed

 

Chassis security closed

J30

Open

»

CMOS memory normal operation

JP6

Pins 2 & 3 closed

 

CMOS memory clear

JP6

Pins 1 & 2 closed

DIMM CONFIGURATION

Size

Bank 0

Bank 1

Bank 2

Bank 3

8MB

(1) 1M x 64

None

None

None

16MB

(1) 2M x 64

None

None

None

16MB

(1) 1M x 64

(1) 1M x 64

None

None

24MB

(1) 2M x 64

(1) 1M x 64

None

None

24MB

(1) 1M x 64

(1) 1M x 64

(1) 1M x 64

None

32MB

(1) 2M x 64

(1) 2M x 64

None

None

32MB

(1) 4M x 64

None

None

None

32MB

(1) 1M x 64

(1) 1M x 64

(1) 1M x 64

(1) 1M x 64

40MB

(1) 2M x 64

(1) 2M x 64

(1) 1M x 64

None

40MB

(1) 2M x 64

(1) 1M x 64

(1) 1M x 64

(1) 1M x 64

40MB

(1) 4M x 64

(1) 1M x 64

None

None

48MB

(1) 2M x 64

(1) 2M x 64

(1) 2M x 64

None

48MB

(1) 2M x 64

(1) 2M x 64

(1) 1M x 64

(1) 1M x 64

48MB

(1) 4M x 64

(1) 1M x 64

(1) 1M x 64

None

56MB

(1) 4M x 64

(1) 2M x 64

(1) 1M x 64

None

56MB

(1) 4M x 64

(1) 1M x 64

(1) 1M x 64

(1) 1M x 64

64MB

(1) 2M x 64

(1) 2M x 64

(1) 2M x 64

(1) 2M x 64

64MB

(1) 4M x 64

(1) 4M x 64

None

None

64MB

(1) 8M x 64

None

None

None

DIMM CONFIGURATION (CON’T)

Size

Bank 0

Bank 1

Bank 2

Bank 3

80MB

(1) 4M x 64

(1) 2M x 64

(1) 2M x 64

(1) 2M x 64

80MB

(1) 4M x 64

(1) 4M x 64

(1) 1M x 64

(1) 1M x 64

80MB

(1) 8M x 64

(1) 2M x 64

None

None

80MB

(1) 8M x 64

(1) 1M x 64

(1) 1M x 64

None

96MB

(1) 4M x 64

(1) 4M x 64

(1) 2M x 64

(1) 2M x 64

96MB

(1) 4M x 64

(1) 4M x 64

(1) 4M x 64

None

96MB

(1) 8M x 64

(1) 2M x 64

(1) 1M x 64

(1) 1M x 64

112MB

(1) 4M x 64

(1) 4M x 64

(1) 4M x 64

(1) 2M x 64

112MB

(1) 8M x 64

(1) 4M x 64

(1) 2M x 64

None

112MB

(1) 8M x 64

(1) 4M x 64

(1) 1M x 64

(1) 1M x 64

128MB

(1) 16M x 64

None

None

None

128MB

(1) 4M x 64

(1) 4M x 64

(1) 4M x 64

(1) 4M x 64

128MB

(1) 8M x 64

(1) 4M x 64

(1) 4M x 64

None

128MB

(1) 8M x 64

(1) 8M x 64

None

None

160MB

(1) 16M x 64

(1) 2M x 64

(1) 1M x 64

(1) 1M x 64

192MB

(1) 16M x 64

(1) 4M x 64

(1) 4M x 64

None

192MB

(1) 8M x 64

(1) 8M x 64

(1) 4M x 64

(1) 4M x 64

192MB

(1) 8M x 64

(1) 8M x 64

(1) 8M x 64

None

224MB

(1) 16M x 64

(1) 8M x 64

(1) 2M x 64

(1) 2M x 64

224MB

(1) 16M x 64

(1) 8M x 64

(1) 4M x 64

None

256MB

(1) 16M x 64

(1) 16M x 64

None

None

256MB

(1) 16M x 64

(1) 8M x 64

(1) 4M x 64

(1) 4M x 64

256MB

(1) 16M x 64

(1) 8M x 64

(1) 8M x 64

None

256MB

(1) 8M x 64

(1) 8M x 64

(1) 8M x 64

(1) 8M x 64

288MB

(1) 16M x 64

(1) 16M x 64

(1) 4M x 64

None

320MB

(1) 16M x 64

(1) 8M x 64

(1) 8M x 64

(1) 8M x 64

384MB

(1) 16M x 64

(1) 16M x 64

(1) 16M x 64

None

384MB

(1) 16M x 64

(1) 16M x 64

(1) 8M x 64

(1) 8M x 64

448MB

(1) 16M x 64

(1) 16M x 64

(1) 16M x 64

(1) 8M x 64

512MB

(1) 16M x 64

(1) 16M x 64

(1) 16M x 64

(1) 16M x 64

1024MB

(1) 32M x 64

(1) 32M x 64

(1) 32M x 64

(1) 32M x 64

Note: Board accepts EDO & SDRAM memory. EDO maximum is 1GB & SDRAM maximum is 512MB.

CACHE CONFIGURATION

Note: 256KB/512KB cache is located on the Pentium II CPU.