PACKARD BELL

PB25/PB33

Processor

80386DX

Processor Speed

25/33MHz

Chip Set

VLSI

Max. onboard DRAM

32MB

Cache

None

BIOS

Phoenix

Dimensions

340mm x 240mm

I/O Options

32-bit expansion slot, floppy drive interface, IDE interface, keyboard, parallel port, serial port (2)

NPU Options

80387DX

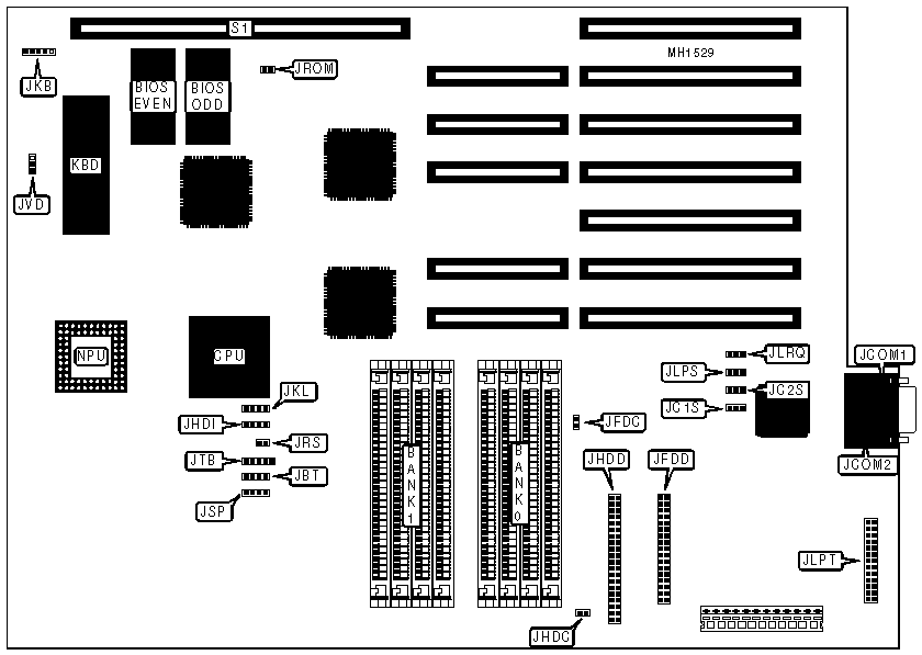
CONNECTIONS

Purpose

Location

Purpose

Location

External battery

JBT

Keylock

JKL

Serial port 1

JCOM1

Parallel port

JLPT

Serial port 2

JCOM2

Reset

JRS

Floppy drive interface

JFDD

Speaker

JSP

IDE interface

JHDD

Turbo LED

JTB

IDE interface LED

JHDI

32-bit expansion slot

S1

Keyboard

JKB

   

USER CONFIGURABLE SETTINGS

Function

Jumper

Position

»

Onboard floppy drive interface enabled

JFDC

Closed

 

Onboard floppy drive interface disabled

JFDC

Open

»

Onboard IDE interface enabled

JHDC

Closed

 

Onboard IDE interface disabled

JHDC

Open

»

BIOS type select 27256

JROM

Open

 

BIOS type select 27512

JROM

Closed

»

Monitor type select color

JVD

pins 2 & 3 closed

 

Monitor type select monochrome

JVD

pins 1 & 2 closed

SERIAL PORT CONFIGURATION

Port 1 (JCOM1)

Port 2 (JCOM2)

JC1S

JC2S

 

COM1

COM2

Closed

Closed

»

COM1

Disabled

Closed

Open

 

Disabled

COM2

Open

Closed

 

Disabled

Disabled

Open

Open

PARALLEL PORT CONFIGURATION

LPT

IRQ

JLPS

JLRQ

»

LPT1

IRQ7

pins 1 & 2 closed

pins 1 & 2 closed

 

LPT1

IRQ5

pins 1 & 2 closed

pins 2 & 3 closed

 

LPT2

IRQ7

pins 2 & 3 closed

pins 1 & 2 closed

 

LPT2

IRQ5

pins 2 & 3 closed

pins 2 & 3 closed

DRAM CONFIGURATION

Size

Bank 0

Bank 1

1MB

(4) 256K x 9

NONE

2MB

(4) 256K x 9

(4) 256K x 9

4MB

(4) 1M x 9

NONE

5MB

(4) 1M x 9

(4) 256K x 9

8MB

(4) 1M x 9

(4) 1M x 9

16MB

(4) 4M x 9

NONE

17MB

(4) 4M x 9

(4) 256K x 9

20MB

(4) 4M x 9

(4) 1M x 9

32MB

(4) 4M x 9

(4) 4M x 9