MICRO-STAR INTERNATIONAL CO., LTD.

MS-6123

Device Type

Mainboard

Processor

Pentium II

Processor Speed

200/233/266/300/333MHz

Chip Set

Intel 440EX

Audio Chip Set

Yamaha

Maximum Onboard Memory

256MB (EDO & SDRAM supported)

Cache

256/512KB (located on the Pentium II CPU)

BIOS

Unidentified

Dimensions

244mm x 190mm

I/O Options

32-bit PCI slots (2), floppy drive interfaceIDE interfaces (2), parallel port, PS/2 mouse port, serial ports (2), IR connector, USB connectors (2), ATX power connector, AGP slot

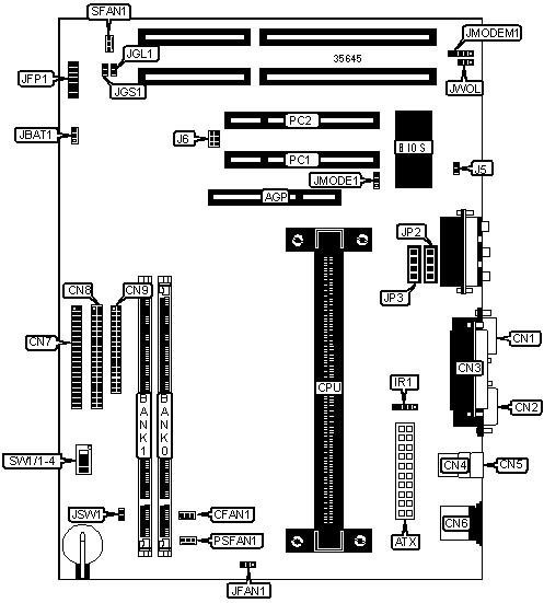
CONNECTIONS

Purpose

Location

Purpose

Location

AGP slot

AGP

CPU fan power

JFAN1

ATX power connector

ATX

IDE interface LED

JFP1/pins 1 & 8

CPU fan power

CFAN1

Power LED

JFP1/pins 2 - 4

Serial port 2

CN1

Power switch

JFP1/pins 5 & 6

Serial port 1

CN2

Speaker

JFP1/pins 9 - 12

Parallel port

CN3

Reset switch

JFP1/pins 13 & 14

USB connector 1

CN4

Suspend switch

JGS1

USB connector 2

CN5

Green PC LED

JGL1

PS/2 mouse port

CN6

Wake on modem connector

JMODEM1

IDE interface 1

CN7

Wake on LAN connector

JWOL1

IDE interface 2

CN8

Soft power off switch

JSW1

Floppy drive interface

CN9

32-bit PCI slots

PC1 - PC2

IR connector

IR1

Chassis fan power

PSFAN1

SB link connector

J6

Power supply fan power

SFAN1

USER CONFIGURABLE SETTINGS

Function

Label

Position

 

Flash BIOS voltage select 12v

JMODE1

Pins 1 & 2 closed

 

Flash BIOS voltage select 5v

JMODE1

Pins 2 & 3 closed

»

CMOS memory normal operation

JBAT1

Pins 1 & 2 closed

 

CMOS memory clear

JBAT1

Pins 2 & 3 closed

»

Boot up by switch

JP5

Closed

 

Immediate boot up

JP5

Open

DIMM CONFIGURATION

Size

Bank 0

Bank 1

Bank 2

Bank 3

8 MB

(1) 1M x 64

None

None

None

16 MB

(1) 1M x 64

(1) 1M x 64

None

None

16 MB

(1) 2M x 64

None

None

None

24 MB

(1) 1M x 64

(1) 1M x 64

(1) 1M x 64

None

32 MB

(1) 1M x 64

(1) 1M x 64

(1) 1M x 64

(1) 1M x 64

32 MB

(1) 2M x 64

(1) 2M x 64

None

None

32 MB

(1) 4M x 64

None

None

None

40 MB

(1) 2M x 64

(1) 2M x 64

(1) 1M x 64

None

48 MB

(1) 2M x 64

(1) 2M x 64

(1) 2M x 64

None

DIMM CONFIGURATION (CONT’)

Size

Bank 0

Bank 1

Bank 2

Bank 3

64 MB

(1) 2M x 64

(1) 2M x 64

(1) 2M x 64

(1) 2M x 64

64 MB

(1) 4M x 64

(1) 4M x 64

None

None

64 MB

(1) 8M x 64

None

None

None

80 MB

(1) 4M x 64

(1) 4M x 64

(1) 2M x 64

None

96 MB

(1) 4M x 64

(1) 4M x 64

(1) 4M x 64

None

128 MB

(1) 4M x 64

(1) 4M x 64

(1) 4M x 64

(1) 4M x 64

128 MB

(1) 8M x 64

(1) 8M x 64

None

None

130 MB

(1) 8M x 64

(1) 8M x 64

(1) 4M x 64

None

192 MB

(1) 8M x 64

(1) 8M x 64

(1) 8M x 64

None

256 MB

(1) 8M x 64

(1) 8M x 64

(1) 8M x 64

(1) 8M x 64

CACHE CONFIGURATION

Note: The 256/512KB cache is located on the Pentium II CPU.

CPU SPEED SELECTION (PENTIUM)

CPU speed

Clock speed

Multiplier

SW1/1

SW1/2

SW1/3

SW1/4

200MHz

66MHz

3x

On

On

Off

On

233MHz

66MHz

3.5x

On

Off

Off

On

266MHz

66MHz

4x

On

On

On

Off

300MHz

66MHz

4.5x

On

Off

On

Off

333MHz

66MHz

5x

On

On

Off

Off