GIGA-BYTE TECHNOLOGY CO., LTD.

GA-6LM7 (VER. 1.0)

Device Type

Mainboard

Processor

Celeron

Processor Speed

300/333/366/400/433MHz

Chip Set

Intel 440LX

Maximum Onboard Memory

768MB (EDO & SDRAM supported)

Cache

128KB (located on the Celeron CPU)

BIOS

Award

Dimensions

305mm x 244mm

I/O Options

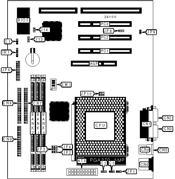
32-bit PCI slots (3), floppy drive interface, green PC connector, IDE interfaces (2), parallel port, PS/2 mouse port, serial ports (2), IR connector, USB connectors (2), ATX power connector, AGP slot, SB-link connector, wake on LAN connector, wake on modem connector

CONNECTIONS

Purpose

Location

Purpose

Location

AGP slot

AGP

IR connector

IR1

ATX power connector

ATX

Wake on modem connector

J14

Chassis fan power

C1

Green PC LED

JP6/pins 1 & 12

Power fan power

C2

Reset switch

JP6/pins 3 & 4

CPU fan power

C3

Speaker

JP6/pins 5 - 8

Parallel port

CN1

IDE interface LED

JP6/pins 9 & 20

Serial port 1

CN2

Green PC connector

JP6/pins 11 & 22

Serial port 2

CN3

Soft off power supply

JP6/pins 15 & 16

USB connector 1

CN4

Power LED

JP6/pins 17 - 19

USB connector 2

CN5

Wake on LAN connector

JP8

PS/2 mouse port

CN6

Case open connector

JP9

IDE interface 2

CN7

SB-link connector

JP10

IDE interface 1

CN8

32-bit PCI slots

PC1 - PC3

Floppy drive interface

CN9

 

 

USER CONFIGURABLE SETTINGS

Function

Label

Position

»

CMOS memory normal operation

J13

Pins 2 & 3 closed

 

CMOS memory clear

J13

Pins 1 & 2 closed

»

Keyboard power on disabled

JP1

Pins 2 & 3 closed

 

Keyboard power on enabled

JP1

Pins 1 & 2 closed

DIMM CONFIGURATION

Size

Bank 0

Bank 1

Bank 2

8MB

(1) 1M x 64

None

None

16MB

(1) 2M x 64

None

None

16MB

(1) 1M x 64

(1) 1M x 64

None

24MB

(1) 2M x 64

(1) 1M x 64

None

24MB

(1) 1M x 64

(1) 1M x 64

(1) 1M x 64

32MB

(1) 4M x 64

None

None

32MB

(1) 2M x 64

(1) 1M x 64

(1) 1M x 64

32MB

(1) 2M x 64

(1) 2M x 64

None

40MB

(1) 4M x 64

(1) 1M x 64

None

40MB

(1) 2M x 64

(1) 2M x 64

(1) 1M x 64

48MB

(1) 4M x 64

(1) 1M x 64

(1) 1M x 64

48MB

(1) 4M x 64

(1) 2M x 64

None

48MB

(1) 2M x 64

(1) 2M x 64

(1) 2M x 64

56MB

(1) 4M x 64

(1) 2M x 64

(1) 1M x 64

64MB

(1) 8M x 64

None

None

64MB

(1) 4M x 64

(1) 2M x 64

(1) 2M x 64

64MB

(1) 4M x 64

(1) 4M x 64

None

72MB

(1) 8M x 64

(1) 1M x 64

None

DIMM CONFIGURATION (CON'T)

Size

Bank 0

Bank 1

Bank 2

72MB

(1) 4M x 64

(1) 4M x 64

(1) 1M x 64

80MB

(1) 8M x 64

(1) 1M x 64

(1) 1M x 64

80MB

(1) 8M x 64

(1) 2M x 64

None

80MB

(1) 4M x 64

(1) 4M x 64

(1) 2M x 64

88MB

(1) 8M x 64

(1) 2M x 64

(1) 1M x 64

96MB

(1) 8M x 64

(1) 2M x 64

(1) 2M x 64

128MB

(1) 16M x 64

None

None

128MB

(1) 8M x 64

(1) 4M x 64

(1) 4M x 64

128MB

(1) 8M x 64

(1) 8M x 64

None

136MB

(1) 16M x 64

(1) 1M x 64

None

144MB

(1) 8M x 64

(1) 8M x 64

(1) 2M x 64

152MB

(1) 16M x 64

(1) 2M x 64

(1) 1M x 64

160MB

(1) 16M x 64

(1) 2M x 64

(1) 2M x 64

160MB

(1) 16M x 64

(1) 4M x 64

None

160MB

(1) 8M x 64

(1) 8M x 64

(1) 4M x 64

168MB

(1) 16M x 64

(1) 4M x 64

(1) 1M x 64

176MB

(1) 16M x 64

(1) 4M x 64

(1) 2M x 64

192MB

(1) 16M x 64

(1) 4M x 64

(1) 4M x 64

192MB

(1) 16M x 64

(1) 8M x 64

None

192MB

(1) 8M x 64

(1) 8M x 64

(1) 8M x 64

256MB

(1) 32M x 64

None

None

256MB

(1) 16M x 64

(1) 8M x 64

(1) 8M x 64

264MB

(1) 32M x 64

(1) 1M x 64

None

272MB

(1) 32M x 64

(1) 1M x 64

(1) 1M x 64

272MB

(1) 32M x 64

(1) 2M x 64

None

288MB

(1) 32M x 64

(1) 2M x 64

(1) 2M x 64

288MB

(1) 32M x 64

(1) 4M x 64

None

384MB

(1) 32M x 64

(1) 16M x 64

None

384MB

(1) 16M x 64

(1) 16M x 64

(1) 16M x 64

512MB

(1) 32M x 64

(1) 16M x 64

(1) 16M x 64

512MB

(1) 32M x 64

(1) 32M x 64

None

768MB

(1) 32M x 64

(1) 32M x 64

(1) 32M x 64

384MB

(1) 16M x 64

(1) 16M x 64

(1) 16M x 64

Note: Board accepts EDO & SDRAM memory. Maximum SDRAM is 384MB. Maximum EDO is 768MB.

CACHE CONFIGURATION

Note: 128KB cache is located on the Celeron CPU.

CPU SPEED SELECTION

CPU speed

Clock speed

Multiplier

JP2

JP3

JP4

300MHz

66MHz

4.5x

2 & 3

2 & 3

2 & 3

333MHz

66MHz

5x

2 & 3

2 & 3

2 & 3

366MHz

66MHz

5.5x

2 & 3

2 & 3

2 & 3

400MHz

66MHz

6x

2 & 3

2 & 3

2 & 3

433MHz

66MHz

6.5x

2 & 3

2 & 3

2 & 3

Note: Pins designated should be in the closed position.

CPU SPEED SELECTION (CON'T)

CPU speed

Clock speed

Multiplier

SW1/1

SW1/2

SW1/3

SW1/4

300MHz

66MHz

4.5x

Off

On

Off

On

333MHz

66MHz

5x

On

Off

Off

On

366MHz

66MHz

5.5x

Off

Off

Off

On

400MHz

66MHz

6x

On

On

On

Off

433MHz

66MHz

6.5x

Off

On

On

Off