EPOX COMPUTER CO., LTD.

P55-VP3

Device Type

Mainboard

Processor

CX 6X86L/IBM 6X86L/CX 686MX/IBM 6X86MX/AM K5/

AM K6/Pentium/Pentium MMX

Processor Speed

90/100/120/133/150/166/188/200/225/233/266/300/333MHz

Chip Set

VIA

Video Chip Set

None

Maximum Onboard Memory

384MB (EDO & SDRAM supported)

Maximum Video Memory

None

Cache

512KB

BIOS

Award

Dimensions

305mm x 244mm

I/O Options

32-bit PCI slots (4), floppy drive interface, IDE interfaces (2), parallel port, PS/2 mouse port, serial ports (2), IR connector, USB connectors (2), ATX power connector, AGP slot

NPU Options

None

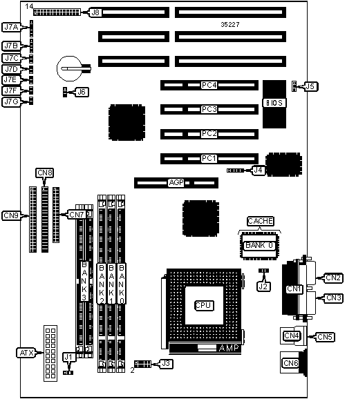
CONNECTIONS

Purpose

Location

Purpose

Location

AGP slot

AGP

CPU fan power

J2

ATX power connector

ATX

IR connector

J4

Parallel port

CN1

Power LED & keylock

J7A

Serial port 2

CN2

Speaker

J7B

Serial port 1

CN3

Reset switch

J7C

USB connector 1

CN4

Green PC LED

J7D

USB connector 2

CN5

Turbo LED

J7E

PS/2 mouse port

CN6

IDE interface LED

J7F

Floppy drive interface

CN7

Soft off power supply

J7G

IDE interface 1

CN8

32-bit PCI slots

PC1 – PC4

IDE interface 2

CN9

   

USER CONFIGURABLE SETTINGS

Function

Label

Position

 

Keyboard power on disabled

J1

Pins 1 & 2 closed

 

Keyboard power on enabled

J1

Pins 2 & 3 closed

»

Factory configured - do not alter

J5

Unidentified

»

Factory configured - do not alter

J6

Unidentified

SIMM CONFIGURATION

Size

Bank 3

8MB

(2) 1M x 36

16MB

(2) 2M x 36

32MB

(2) 4M x 36

64MB

(2) 8M x 36

128MB

(2) 16M x 36

Note: Board accepts EDO memory.

DIMM CONFIGURATION

Size

Bank 0

Bank 1

Bank 2

8MB

(1) 1M x 64

None

None

16MB

(1) 2M x 64

None

None

16MB

(1) 1M x 64

(1) 1M x 64

None

24MB

(1) 2M x 64

(1) 1M x 64

None

24MB

(1) 1M x 64

(1) 1M x 64

(1) 1M x 64

32MB

(1) 4M x 64

None

None

32MB

(1) 2M x 64

(1) 1M x 64

(1) 1M x 64

DIMM CONFIGURATION (CON’T)

Size

Bank 0

Bank 1

Bank 2

32MB

(1) 2M x 64

(1) 2M x 64

None

40MB

(1) 4M x 64

(1) 1M x 64

None

40MB

(1) 2M x 64

(1) 2M x 64

(1) 1M x 64

48MB

(1) 4M x 64

(1) 1M x 64

(1) 1M x 64

48MB

(1) 4M x 64

(1) 2M x 64

None

48MB

(1) 2M x 64

(1) 2M x 64

(1) 2M x 64

64MB

(1) 8M x 64

None

None

64MB

(1) 4M x 64

(1) 2M x 64

(1) 2M x 64

64MB

(1) 4M x 64

(1) 4M x 64

None

72MB

(1) 8M x 64

(1) 1M x 64

None

80MB

(1) 8M x 64

(1) 1M x 64

(1) 1M x 64

80MB

(1) 4M x 64

(1) 4M x 64

(1) 2M x 64

88MB

(1) 8M x 64

(1) 2M x 64

(1) 1M x 64

96MB

(1) 8M x 64

(1) 4M x 64

None

96MB

(1) 4M x 64

(1) 4M x 64

(1) 4M x 64

112MB

(1) 8M x 64

(1) 4M x 64

(1) 2M x 64

128MB

(1) 8M x 64

(1) 4M x 64

(1) 4M x 64

128MB

(1) 8M x 64

(1) 8M x 64

None

136MB

(1) 16M x 64

(1) 1M x 64

None

136MB

(1) 8M x 64

(1) 8M x 64

(1) 1M x 64

144MB

(1) 8M x 64

(1) 8M x 64

(1) 2M x 64

152MB

(1) 16M x 64

(1) 2M x 64

(1) 1M x 64

160MB

(1) 16M x 64

(1) 2M x 64

(1) 2M x 64

160MB

(1) 16M x 64

(1) 4M x 64

None

160MB

(1) 8M x 64

(1) 8M x 64

(1) 4M x 64

168MB

(1) 16M x 64

(1) 4M x 64

(1) 1M x 64

176MB

(1) 16M x 64

(1) 4M x 64

(1) 2M x 64

192MB

(1) 16M x 64

(1) 8M x 64

None

192MB

(1) 8M x 64

(1) 8M x 64

(1) 8M x 64

200MB

(1) 16M x 64

(1) 8M x 64

(1) 1M x 64

208MB

(1) 16M x 64

(1) 8M x 64

(1) 2M x 64

224MB

(1) 16M x 64

(1) 8M x 64

(1) 4M x 64

256MB

(1) 16M x 64

(1) 8M x 64

(1) 8M x 64

384MB

(1) 16M x 64

(1) 16M x 64

(1) 16M x 64

Note: Board accepts SDRAM memory.

CACHE CONFIGURATION

Size

Bank 0

512KB

(1) 64K x 64

CPU SPEED SELECTION (CX 6X86L)

CPU speed

Clock speed

Multiplier

JP3

150MHz

60MHz

2.5x

Pins 3 & 4 closed

166MHz

66MHz

2.5x

Pins 5 & 6 closed

200MHz

75MHz

3x

Pins 7 & 8 closed

CPU SPEED SELECTION (IBM 6X86L)

CPU speed

Clock speed

Multiplier

JP3

150MHz

60MHz

2.5x

Pins 3 & 4 closed

166MHz

66MHz

2.5x

Pins 5 & 6 closed

200MHz

75MHz

3x

Pins 7 & 8 closed

CPU SPEED SELECTION (CX 6X86MX)

CPU speed

Clock speed

Multiplier

JP3

166MHz

66MHz

2x

Pins 5 & 6 closed

166MHz

60MHz

2.5x

Pins 9 & 10 closed

200MHz

75MHz

2x

Pins 7 & 8 closed

200MHz

66MHz

2.5x

Pins 11 & 12 closed

233MHz

75MHz

2.5x

Pins 13 & 14 closed

233MHz

66MHz

3x

Pins 15 & 16 closed

266MHz

75MHz

3x

Pins 17 & 18 closed

266MHz

66MHz

3.5x

Pins 19 & 20 closed

CPU SPEED SELECTION (IBM 6X86MX)

CPU speed

Clock speed

Multiplier

JP3

166MHz

66MHz

2x

Pins 5 & 6 closed

166MHz

60MHz

2.5x

Pins 9 & 10 closed

200MHz

75MHz

2x

Pins 7 & 8 closed

200MHz

66MHz

2.5x

Pins 11 & 12 closed

233MHz

75MHz

2.5x

Pins 13 & 14 closed

233MHz

66MHz

3x

Pins 15 & 16 closed

266MHz

75MHz

3x

Pins 17 & 18 closed

266MHz

66MHz

3.5x

Pins 19 & 20 closed

CPU SPEED SELECTION (AM K5)

CPU speed

Clock speed

Multiplier

JP3

90MHz

60MHz

1.5x

Pins 27 & 28 closed

100MHz

66MHz

1.5x

Pins 1 & 2 closed

120MHz

60MHz

2x

Pins 3 & 4 closed

133MHz

66MHz

2x

Pins 5 & 6 closed

150MHz

60MHz

2.5x

Pins 9 & 10 closed

166MHz

66MHz

2.5x

Pins 11 & 12 closed

188MHz

75MHz

2.5x

Pins 13 & 14 closed

200MHz

66MHz

3x

Pins 15 & 16 closed

CPU SPEED SELECTION (AM K6)

CPU speed

Clock speed

Multiplier

JP3

166MHz

66MHz

2.5x

Pins 11 & 12 closed

200MHz

66MHz

3x

Pins 15 & 16 closed

225MHz

75MHz

3x

Pins 17 & 18 closed

233MHz

66MHz

3.5x

Pins 19 & 20 closed

266MHz

66MHz

4x

Pins 21 & 22 closed

300MHz

66MHz

4.5x

Pins 23 & 24 closed

333MHz

66MHz

5x

Pins 25 & 26 closed

CPU SPEED SELECTION (INTEL)

CPU speed

Clock speed

Multiplier

JP3

90MHz

60MHz

1.5x

Pins 27 & 28 closed

100MHz

66MHz

1.5x

Pins 1 & 2 closed

120MHz

60MHz

2x

Pins 3 & 4 closed

133MHz

66MHz

2x

Pins 5 & 6 closed

150MHz

60MHz

2.5x

Pins 9 & 10 closed

166MHz

66MHz

2.5x

Pins 11 & 12 closed

188MHz

75MHz

2.5x

Pins 13 & 14 closed

200MHz

66MHz

3x

Pins 15 & 16 closed

CPU SPEED SELECTION (INTEL MMX)

CPU speed

Clock speed

Multiplier

JP3

166MHz

66MHz

2.5x

Pins 11 & 12 closed

200MHz

66MHz

3x

Pins 15 & 16 closed

225MHz

75MHz

3x

Pins 17 & 18 closed

233MHz

66MHz

3.5x

Pins 19 & 20 closed

266MHz

66MHz

4x

Pins 21 & 22 closed

300MHz

66MHz

4.5x

Pins 23 & 24 closed

333MHz

66MHz

5x

Pins 25 & 26 closed

CPU VOLTAGE SELECTION

Voltage

JP2

 

2.1v

Pins 1 & 2 closed

 

2.2v

Pins 3 & 4 closed

»

2.8v

Pins 5 & 6 closed

 

2.9v

Pins 7 & 8 closed

 

3.2v

Pins 9 & 10 closed