ELITEGROUP COMPUTER SYSTEMS, INC.

P6KFX-A

Processor

Pentium II

Processor Speed

233/266MHz

Chip Set

Intel

Video Chip Set

None

Maximum Onboard Memory

384MB (EDO supported)

Maximum Video Memory

None

Cache

256/512KB (located on Pentium II CPU)

BIOS

Award

Dimensions

305mm x 244mm

I/O Options

32-bit PCI slots (5), floppy drive interface, green PC connector, IDE interfaces (2), parallel port, PS/2 mouse port, serial ports (2), IR connectors (2), USB connectors (2), ATX power connector

NPU Options

None

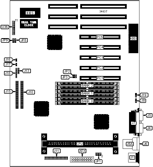
CONNECTIONS

Purpose

Location

Purpose

Location

ATX power connector

ATX

IDE interface 1

J15

PS/2 mouse port

J1

Soft off power supply

J16

Serial port 1

J4

IDE interface LED

J17

Serial port 2

J5

Fast IR connector

J18

USB connector

J6

CPU fan power

J19

USB connector

J6A

32-bit PCI slots

PC1 – PC5

Parallel port

J7

Green PC LED

U36/pins 2 & 3

Chassis fan power

J8

Green PC connector

U36/pins 4 & 5

IDE interface 2

J10

Reset switch

U36/pins 9 & 10

Floppy drive interface

J11

Power LED

U36/pins 11 - 13

IR connector

J13

Speaker

U36/pins 17 - 20

USER CONFIGURABLE SETTINGS

Function

Label

Position

»

Password normal operation

JP8

Pins 1 & 2 closed

 

Password clear

JP8

Pins 2 & 3 closed

»

CMOS memory normal operation

JP9

Pins 1 & 2 closed

 

CMOS memory clear

JP9

Pins 2 & 3 closed

SIMM CONFIGURATION

Size

Bank 0

Bank 1

Bank 2

8MB

(2) 1M x 36

None

None

16MB

(2) 1M x 36

(2) 1M x 36

None

16MB

(2) 2M x 36

None

None

24MB

(2) 2M x 36

(2) 1M x 36

None

24MB

(2) 1M x 36

(2) 1M x 36

(2) 1M x 36

32MB

(2) 4M x 36

None

None

32MB

(2) 2M x 36

(2) 2M x 36

None

40MB

(2) 4M x 36

(2) 1M x 36

None

48MB

(2) 4M x 36

(2) 2M x 36

None

48MB

(2) 4M x 36

(2) 1M x 36

(2) 1M x 36

56MB

(2) 4M x 36

(2) 2M x 36

(2) 1M x 36

64MB

(2) 8M x 36

None

None

64MB

(2) 4M x 36

(2) 4M x 36

None

80MB

(2) 8M x 36

(2) 2M x 36

None

80MB

(2) 8M x 36

(2) 1M x 36

(2) 1M x 36

88MB

(2) 8M x 36

(2) 2M x 36

(2) 1M x 36

96MB

(2) 8M x 36

(2) 4M x 36

None

96MB

(2) 4M x 36

(2) 4M x 36

(2) 4M x 36

96MB

(2) 8M x 36

(2) 2M x 36

(2) 2M x 36

104MB

(2) 8M x 36

(2) 4M x 36

(2) 1M x 36

SIMM CONFIGURATION

Size

Bank 0

Bank 1

Bank 2

112MB

(2) 8M x 36

(2) 4M x 36

(2) 2M x 36

128MB

(2) 8M x 36

(2) 4M x 36

(2) 4M x 36

128MB

(2) 16M x 36

None

None

128MB

(2) 8M x 36

(2) 8M x 36

None

136MB

(2) 8M x 36

(2) 8M x 36

(2) 1M x 36

136MB

(2) 16M x 36

(2) 1M x 36

None

144MB

(2) 16M x 36

(2) 2M x 36

None

144MB

(2) 16M x 36

(2) 1M x 36

(2) 1M x 36

152MB

(2) 16M x 36

(2) 2M x 36

(2) 1M x 36

160MB

(2) 16M x 36

(2) 4M x 36

None

160MB

(2) 16M x 36

(2) 2M x 36

(2) 2M x 36

168MB

(2) 16M x 36

(2) 4M x 36

(2) 1M x 36

176MB

(2) 16M x 36

(2) 4M x 36

(2) 2M x 36

192MB

(2) 16M x 36

(2) 8M x 36

None

192MB

(2) 16M x 36

(2) 4M x 36

(2) 4M x 36

200MB

(2) 16M x 36

(2) 8M x 36

(2) 1M x 36

208MB

(2) 16M x 36

(2) 8M x 36

(2) 2M x 36

224MB

(2) 16M x 36

(2) 8M x 36

(2) 4M x 36

256MB

(2) 16M x 36

(2) 16M x 36

None

256MB

(2) 16M x 36

(2) 8M x 36

(2) 8M x 36

264MB

(2) 16M x 36

(2) 16M x 36

(2) 1M x 36

272MB

(2) 16M x 36

(2) 16M x 36

(2) 2M x 36

288MB

(2) 16M x 36

(2) 16M x 36

(2) 4M x 36

320MB

(2) 16M x 36

(2) 16M x 36

(2) 8M x 36

384MB

(2) 16M x 36

(2) 16M x 36

(2) 16M x 36

Note: Board accepts EDO memory.

CACHE CONFIGURATION

Note: 256KB/512KB cache is located on the Pentium II CPU.

CPU SPEED SELECTION

CPU speed

Clock speed

Multiplier

JP1

JP2

JP3

233MHz

66MHz

3.5x

5 & 6, 7 & 8

1 & 2

2 & 3

266MHz

66MHz

4x

1 & 2, 3 & 4, 7 & 8

1 & 2

2 & 3

Note: Pins designated should be in the closed position.