EVEREX SYSTEMS, INC.

TEMPO LX (NOTEBOOK)

Processor

80386SX

Processor Speed

16/20/25MHZ

Chip Set

C & T

Max. Onboard DRAM

5MB

Cache

None

BIOS

Phoenix

Dimensions

355mm x 304mm

I/O Options

Floppy drive interface, IDE interface, modem card,

parallel port, serial port, VGA port

NPU Options

80387SX

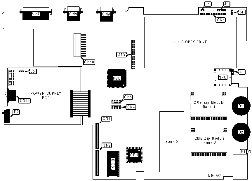
CONNECTIONS

Purpose

Location

Purpose

Location

IDE interface

CN1 & CN2

Modem (COM2)

CN10

Floppy drive interface

CN3

Power switch

CN11

Keyboard connector

CN4 & CN5

Contrast dial

D1

LCD display

CN6

Brightness dial

D2

Parallel port

CN7

Reset switch

R1

Serial port (COM1)

CN8

Circuit breaker reset switch

R2

VGA port

CN9

   

USER CONFIGURABLE SETTINGS

Function

Jumper

Position

»

Factory configured - do not alter

J1

N/A

»

Factory configured - do not alter

J2

N/A

»

Factory configured - do not alter

J3

N/A

»

Factory configured - do not alter

J4

N/A

»

Factory configured - do not alter

J5

N/A

DRAM CONFIGURATION

SIze

Bank 0

Bank 1

Bank 2

1MB

1MB

1MB

1MB

3MB

NONE

2MB ZIP Module

2MB ZIP Module

5MB

NONE

NONE

2MB ZIP Module

Note:1MB DRAM is soldered to the system board, 2MB ZIP modules can be installed the additional memory will be detected via the system BIOS.

CONNECTIONS

Purpose

Location

Purpose

Location

Speaker

CN1

RJ11

CN2

MODEM CONFIGURATION

Function

SW1/switch 1

SW1/switch 3

SW1/switch 4

MNP enabled

On

On

On

MNP disabled

Off

On

On

Normal

On

On

On

Self test

On

Off

On

Relay test

On

On

Off

Note:Switch #2 is factory configured and should not be altered.