COMPAQ COMPUTER CORPORATION

PROLIANT 6500/6500R

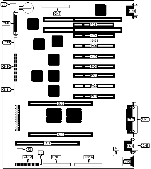
Device Type

Mainboard

Processor

Pentium Pro

Processor Speed

200MHz

Chip Set

Unidentified

Video Chip Set

Unidentified

Maximum Onboard Memory

4GB (EDO supported)

Maximum Video Memory

1MB

Cache

512/1024KB (located on Pentium Pro CPU)

BIOS

Unidentified

Dimensions

305mm x 244mm

I/O Options

32-bit PCI slots (8), floppy drive interface, IDE interface, SCSI interface, Wide Ultra SCSI interface, parallel port, PS/2 mouse port, serial ports (2), VGA port, CPU slots (2), memory slot

NPU Options

None

CONNECTIONS

Purpose

Location

Purpose

Location

VGA port

CN1

IDE interface

CN10

Parallel port

CN2

Power sense connector

CN11

SCSI interface

CN3

Floppy drive interface

CN12

Serial port 2

CN4

Power module connector

CN13

Serial port 1

CN5

Power module connector

CN14

PS/2 mouse port

CN6

Memory slot

SL1

I20 connector

CN7

CPU slot

SL2

Ultra Wide SCSI interface

CN8

CPU slot

SL3

Miscellaneous connector

CN9

32-bit PCI slots

PC1 – PC8

USER CONFIGURABLE SETTINGS

Function

Label

Position

»

Factory configured - do not alter

J1

Unidentified

»

Factory configured - do not alter

J2

Unidentified

»

Factory configured - do not alter

J3

Unidentified

»

Factory configured - do not alter

J4

Unidentified

»

On board video enabled

SW1/1

Off

 

On board video disabled

SW1/1

On

»

Setup access enabled

SW1/2

Off

 

Setup access disabled

SW1/2

On

»

System setup in a rack mount

SW1/3

Off

 

System setup in a tower

SW1/3

On

»

Floppy drive boot enabled

SW1/4

Off

 

Floppy drive boot disabled

SW1/4

On

»

Password normal operation

SW1/5

Off

 

Password clear

SW1/5

On

»

NVRAM is validated, configuration not lost

SW1/6

Off

 

NVRAM is invalidated, configuration is lost

SW1/6

On

DIMM CONFIGURATION

Size

Bank 0

Bank 1

Bank 2

Bank 3

64MB

(4) 2M x 64

None

None

None

128MB

(4) 4M x 64

None

None

None

128MB

(4) 2M x 64

(4) 2M x 64

None

None

192MB

(4) 2M x 64

(4) 2M x 64

(4) 2M x 64

None

DIMM CONFIGURATION (CON’T)

Size

Bank 0

Bank 1

Bank 2

Bank 3

256MB

(4) 8M x 64

None

None

None

256MB

(4) 2M x 64

(4) 2M x 64

(4) 2M x 64

(4) 2M x 64

256MB

(4) 4M x 64

(4) 4M x 64

None

None

384MB

(4) 4M x 64

(4) 4M x 64

(4) 4M x 64

None

512MB

(4) 16M x 64

None

None

None

512MB

(4) 4M x 64

(4) 4M x 64

(4) 4M x 64

(4) 4M x 64

512MB

(4) 8M x 64

(4) 8M x 64

None

None

768MB

(4) 8M x 64

(4) 8M x 64

(4) 8M x 64

None

1024MB

(4) 32M x 64

None

None

None

1024MB

(4) 8M x 64

(4) 8M x 64

(4) 8M x 64

(4) 8M x 64

1024MB

(4) 16M x 64

(4) 16M x 64

None

None

1536MB

(4) 16M x 64

(4) 16M x 64

(4) 16M x 64

None

2048MB

(4) 16M x 64

(4) 16M x 64

(4) 16M x 64

(4) 16M x 64

2048MB

(4) 32M x 64

(4) 32M x 64

None

None

3072MB

(4) 32M x 64

(4) 32M x 64

(4) 32M x 64

None

4096MB

(4) 32M x 64

(4) 32M x 64

(4) 32M x 64

(4) 32M x 64

Note: Board accepts EDO memory.

CACHE CONFIGURATION

Note: 512KB/1024KB cache is located on the Pentium Pro CPU.

VIDEO MEMORY CONFIGURATION

Note: The size and location of the video memory is unidentified.

CPU SPEED SELECTION

CPU speed

Clock speed

Multiplier

SW3/1

SW3/2

SW4/1

SW4/2

200MHz

66MHz

3x

On

Off

Off

On

Note: These switches are located on the processor board.

CPU SPEED SELECTION (CON’T)

CPU speed

Clock speed

Multiplier

SW4/3

SW5/1

SW5/2

SW5/3

200MHz

66MHz

3x

Off

Off

On

Off

Note: These switches are located on the processor board.