DTK COMPUTER, INC.

PAM-0070S (VER. 1.10)

Processor

CX 6X86/CX 6X86L/CX 6X86MX/AM K5/AM K6/Pentium/Pentium MMX

Processor Speed

90/100/110/120/133/150/166/200/233/266MHz

Chip Set

SIS 5598

Video Chip Set

SIS

Maximum Onboard Memory

384MB (EDO & SDRAM supported)

Maximum Video Memory

Unidentified

Cache

512KB

BIOS

Award

Dimensions

304mm x 218mm

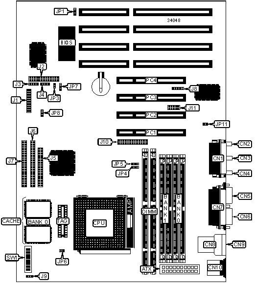
I/O Options

32-bit PCI slots (4), floppy drive interface, game port, IDE interfaces (2), parallel port, PS/2 mouse port, serial ports (2), IR connector, USB connectors (2), ATX power connector, wavetable connector, microphone in, line in, speaker out

NPU Options

None

CONNECTIONS

Purpose

Location

Purpose

Location

ATX power connector

ATX

Reset switch

J1/pins 9 & 10

Game port

CN1

Power LED & keylock

J1/pins 11 - 15

Microphone in

CN2

Speaker

J1/pins 17 - 20

Line in

CN3

Wavetable connector

J2

Speaker out

CN4

Audio in CD–ROM (Panasonic)

J3

VGA port

CN5

Audio in CD–ROM (Sony)

J4

Serial port 1

CN6

Floppy drive interface

J5

Parallel port

CN7

IDE interface 1

J6

USB connector 1

CN8

IDE interface 2

J7

USB connector 2

CN9

IR connector

J8

PS/2 mouse port

CN10

Chassis fan power

J9

IDE interface LED

J1/pins 1 & 2

VGA feature connector

J10

ACPI LED

J1/pins 3 & 4

Serial port 2

J11

Power button

J1/pins 5 & 6

32-bit PCI slots

PCI – PC4

Power switch

J1/pins 7 & 8

   

USER CONFIGURABLE SETTINGS

Function

Label

Position

 

Flash BIOS voltage select 12v

JP1

Pins 1 & 2 closed

 

Flash BIOS voltage select 5v

JP1

Pins 2 & 3 closed

 

On board audio enabled

JP3

Closed

 

On board audio disabled

JP3

Open

»

Factory configured - do not alter

JP6

Open

»

Factory configured - do not alter

JP7

Pins 2 & 3 closed

»

CMOS memory normal operation

JP8

Pins 1 & 2 closed

 

CMOS memory clear

JP8

Pins 2 & 3 closed

 

Ring in enabled

JP11

Open

 

Ring in disabled

JP11

Closed

DIMM/DRAM CONFIGURATION

Size

Bank 0

Bank 1

Bank 2

Bank 3

8MB

(2) 1M x 32

None

None

None

8MB

None

None

(1) 1M x 64

None

16MB

(2) 2M x 32

None

None

None

16MB

None

None

(1) 2M x 64

None

16MB

(2) 1M x 32

(2) 1M x 32

None

None

16MB

(2) 1M x 32

None

None

(1) 1M x 64

16MB

None

None

(1) 1M x 64

(1) 1M x 64

24MB

None

(2) 2M x 32

(1) 1M x 64

None

32MB

(2) 4M x 32

None

None

None

32MB

None

None

(1) 4M x 64

None

32MB

(2) 2M x 32

None

None

(1) 2M x 64

DIMM/DRAM CONFIGURATION (CON’T)

Size

Bank 0

Bank 1

Bank 2

Bank 3

40MB

(2) 4M x 32

(2) 1M x 32

None

None

40MB

(2) 4M x 32

None

None

(1) 1M x 64

48MB

(2) 2M x 32

None

None

(1) 4M x 64

48MB

(2) 4M x 32

(2) 2M x 32

None

None

48MB

(2) 4M x 32

None

None

(1) 2M x 64

64MB

(2) 8M x 32

None

None

None

64MB

None

None

None

(1) 8M x 64

64MB

(2) 4M x 32

(2) 4M x 32

None

None

64MB

(2) 4M x 32

None

None

(1) 4M x 64

72MB

(2) 8M x 32

(2) 1M x 32

None

None

72MB

(2) 8M x 32

None

None

(1) 1M x 64

80MB

(2) 2M x 32

None

None

(1) 8M x 64

80MB

(2) 8M x 32

(2) 2M x 32

None

None

80MB

(2) 8M x 32

None

None

(1) 2M x 64

96MB

(2) 4M x 32

None

None

(1) 8M x 64

96MB

(2) 8M x 32

(2) 4M x 32

None

None

96MB

(2) 8M x 32

None

None

(1) 4M x 64

128MB

(2) 16M x 32

None

None

None

128MB

(2) 8M x 32

(2) 8M x 32

None

None

128MB

(2) 8M x 32

None

None

(1) 8M x 64

136MB

(2) 16M x 32

(2) 1M x 32

None

None

144MB

(2) 16M x 32

(2) 2M x 32

None

None

144MB

None

(2) 16M x 32

None

(1) 2M x 64

160MB

(2) 16M x 32

(2) 4M x 32

None

None

160MB

None

(2) 16M x 32

None

(1) 4M x 64

192MB

(2) 16M x 32

(2) 8M x 32

None

None

192MB

None

(2) 16M x 32

None

(1) 8M x 64

256MB

(2) 16M x 32

(2) 16M x 32

None

None

264MB

(2) 16M x 32

(2) 16M x 32

None

(1) 1M x 64

384MB

None

(2) 16M x 32

(1) 16M x 64

(1) 16M x 64

Note: SIMM slots accept EDO memory. DIMM slots accept EDO & SDRAM memory.

CACHE CONFIGURATION

Size

Bank 0

TAG

512KB

(2) 64K x 32

Unidentified

CPU SPEED SELECTION (CX 6X86)

CPU speed

Clock speed

Multiplier

SW1/3

SW1/4

SW1/5

SW1/6

SW1/7

SW1/8

133MHz

55MHz

2x

On

Off

Off

On

On

Off

150MHz

60MHz

2x

On

Off

Off

On

Off

Off

CPU SPEED SELECTION (CX 6X86L/MX)

CPU speed

Clock speed

Multiplier

SW1/3

SW1/4

SW1/5

SW1/6

SW1/7

SW1/8

166MHz

66MHz

2x

On

Off

Off

Off

Off

Off

200MHz

75MHz

2x

On

Off

Off

Off

On

Off

CPU SPEED SELECTION (AM K5)

CPU speed

Clock speed

Multiplier

SW1/3

SW1/4

SW1/5

SW1/6

SW1/7

SW1/8

90MHz

60MHz

1.5x

Off

Off

Off

On

Off

Off

100MHz

66MHz

1.5x

Off

Off

Off

Off

Off

Off

120MHz

60MHz

1.5x

Off

Off

Off

On

Off

Off

133MHz

66MHz

2x

On

Off

Off

Off

Off

Off

150MHz

60MHz

1.5x

Off

Off

Off

Off

Off

Off

166MHz

66MHz

2.5x

On

On

Off

Off

Off

Off

CPU SPEED SELECTION (AM K6)

CPU speed

Clock speed

Multiplier

SW1/3

SW1/4

SW1/5

SW1/6

SW1/7

SW1/8

166MHz

66MHz

2.5x

On

On

Off

Off

Off

Off

200MHz

66MHz

3x

Off

On

Off

Off

Off

Off

233MHz

66MHz

3.5x

Off

Off

Off

Off

Off

Off

266MHz

66MHz

4x

Off

Off

On

Off

Off

Off

CPU SPEED SELECTION (INTEL)

CPU speed

Clock speed

Multiplier

SW1/3

SW1/4

SW1/5

SW1/6

SW1/7

SW1/8

90MHz

60MHz

1.5x

Off

Off

Off

On

Off

Off

100MHz

66MHz

1.5x

Off

Off

Off

Off

Off

Off

120MHz

60MHz

2x

On

Off

Off

On

Off

Off

133MHz

66MHz

2x

On

Off

Off

Off

Off

Off

150MHz

60MHz

2.5x

On

On

Off

On

Off

Off

166MHz

66MHz

2.5x

On

On

Off

Off

Off

Off

200MHz

66MHz

3x

Off

On

Off

Off

Off

Off

233MHz

66MHz

3.5x

Off

Off

Off

Off

Off

Off

CPU TYPE SELECTION

Type

SW1/1

SW1/2

CX 6X86

On

On

CX 6X86L

Off

Off

CX 6X86MX

Off

Off

AM K5

On

On

AM K6-166/200

On

Off

AM K6-233/266

Off

Off

P54C

On

Off

P55C

Off

Off

ON BOARD VGA SELECTION

Setting

JP4

JP5

Enabled

Pins 2 & 3 closed

Pins 1 & 2 closed

Disabled

Pins 1 & 2 closed

Pins 2 & 3 closed