CAF TECHNOLOGY, INC.
N342 (Ver. 1.0)
|
Processor |
80368SX |
|
Processor Speed |
25/33MHz |
|
Chip Set |
VLSI SCAMP |
|
Max. Onboard DRAM |
16MB |
|
SRAM Cache |
None |
|
BIOS |
AMI |
|
Dimensions |
240mm x 220mm |
|
I/O Options |
Floppy drive interface, game port, IDE interface, parallel port, serial port (2) |
|
NPU Options |
80387SX |
|
CONNECTIONS | |||
|
Purpose |
Location |
Purpose |
Location |
|
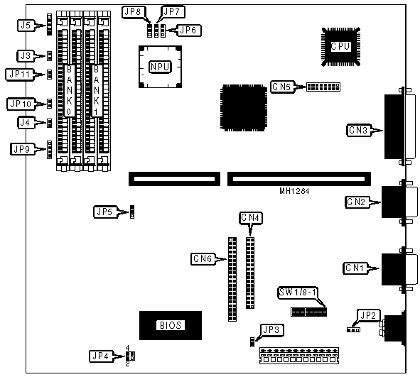
IDE interface LED |
J3 |
Serial port 1 |
CN1 |
|
Reset switch |
J4 |
Serial port 2 |
CN2 |
|
Power LED & keylock |
J5 |
Parallel port |
CN3 |
|
Speaker |
JP9 pins 3 & 4 |
Floppy drive interface |
CN4 |
|
Turbo switch |
JP10 |
Game port |
CN5 |
|
Turbo LED |
JP11 |
IDE interface |
CN6 |
|
USER CONFIGURABLE SETTINGS | |||
|
Function |
Jumper/Switch |
Position | |
| » |
Battery select internal (3.6VDC) |
JP2 |
pins 1 & 2 closed |
|
Battery select external (6.0VDC) |
JP2 |
pins 2 & 3 closed | |
| » |
SYSCLK normal operation |
JP3 |
open |
|
SYSCLK select 12MHz |
JP3 |
closed | |
| » |
CMOS memory normal operation |
JP4 |
pins 1 & 2 closed |
|
CMOS memory clear |
JP4 |
pins 3 & 4 closed | |
| » |
Turbo mode controlled by JP10 |
JP5 |
pins 2 & 3 closed |
|
Turbo mode selectable at keyboard |
JP5 |
pins 1 & 2 closed | |
| » |
Speaker select internal |
JP9 |
pins 1 & 2 closed |
|
Speaker select external |
JP9 |
connected | |
| » |
Monitor type select monochrone |
SW1/Switch 8 |
open |
|
Monitor type select color |
SW1/Switch 8 |
closed | |
| » |
Factory configured - do not alter |
SW1/Switch 3 |
unknown |
|
CPU CONFIGURATION | ||||
|
CPU |
Clock Speed |
JP6 |
JP7 |
JP8 |
|
80386SX/33 |
66MHz |
pins 1 & 2 closed |
pins 2 & 3 closed |
pins 1 & 2 closed |
|
80386SX/25 |
50MHz |
pins 2 & 3 closed |
pins 2 & 3 closed |
pins 1 & 2 closed |
|
80386SX/20 |
40MHz |
pins 1 & 2 closed |
pins 1 & 2 closed |
pins 2 & 3 closed |
|
DRAM CONFIGURATION | ||
|
Size |
Bank 0 |
Bank 1 |
|
512KB |
(2) 256K x 9 |
NONE |
|
1MB |
(2) 256K x 9 |
(2) 256K x 9 |
|
2MB |
(2) 1M x 9 |
NONE |
|
4MB |
(2) 1M x 9 |
(2) 1M x 9 |
|
8MB |
(2) 4M x 9 |
NONE |
|
16MB |
(2) 4M x 9 |
(2) 4M x 9 |
|
I/O CONTROLLER CONFIGURATION | |||
|
Device |
SW1 |
Enabled |
Disabled |
|
COM1 (CN1) |
switch 1 |
open |
closed |
|
COM2 (CN2) |
switch 2 |
open |
closed |
|
Floppy drive interface (CN4) |
switch 4 |
open |
closed |
|
Parallel port (CN3) |
switch 5 |
open |
closed |
|
IDE interface (CN6) |
switch 6 |
open |
closed |
|
Game port (CN5) |
switch 7 |
open |
closed |