ACER, INC.

AP57

Device Type

Mainboard

Processor

CX 6X86/AM K5/AM K6/Pentium/Pentium MMX

Processor Speed

75/90/100/120/133/150/166/200/233MHz

Chip Set

SIS

Video Chip Set

None

Maximum Onboard Memory

256MB (EDO supported)

Maximum Video Memory

None

Cache

256/512KB

BIOS

Award

Dimensions

250mm x 220mm

I/O Options

32-bit PCI slots (4), floppy drive interface, green PC connector, IDE interfaces (2), parallel port, PS/2 mouse interface, serial ports (2), IR connector, USB connector

NPU Options

None

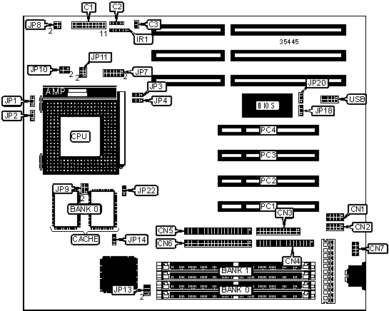
CONNECTIONS

Purpose

Location

Purpose

Location

Power LED & keylock

C1/pins 1 – 5

Parallel port

CN3

Speaker

C1/pins 7 – 10

Floppy drive interface

CN4

Green PC LED

C1/pins 12 & 13

IDE interface 2

CN5

Green PC connector

C1/pins 15 – 17

IDE interface 1

CN6

Reset switch

C1/pins 19 & 20

PS/2 mouse interface

CN7

IDE interface LED

C2

IR connector

IR1

CPU fan power

C3

32-bit PCI slots

PC1 – PC4

Serial port 1

CN1

USB connector

USB

Serial port 2

CN2

   

USER CONFIGURABLE SETTINGS

Function

Label

Position

»

CMOS memory normal operation

JP14

Pins 1 & 2 closed

 

CMOS memory clear

JP14

Pins 2 & 3 closed

»

On board I/O enabled

JP18

Pins 1 & 2 closed

 

On board I/O disabled

JP18

Pins 2 & 3 closed

»

PS/2 mouse enabled

JP20

Pins 1 & 2 closed

 

PS/2 mouse disabled

JP20

Pins 2 & 3 closed

 

CPU burst mode select linear

JP22

Pins 1 & 2 closed

 

CPU burst mode select toggle

JP22

Pins 2 & 3 closed

SIMM CONFIGURATION

Size

Bank 0

Bank 1

8MB

(2) 1M x 36

None

16MB

(2) 2M x 36

None

16MB

(2) 1M x 36

(2) 1M x 36

24MB

(2) 2M x 36

(2) 1M x 36

32MB

(2) 4M x 36

None

32MB

(2) 2M x 36

(2) 2M x 36

40MB

(2) 4M x 36

(2) 1M x 36

48MB

(2) 4M x 36

(2) 2M x 36

64MB

(2) 8M x 36

None

64MB

(2) 4M x 36

(2) 4M x 36

72MB

(2) 8M x 36

(2) 1M x 36

80MB

(2) 8M x 36

(2) 2M x 36

96MB

(2) 8M x 36

(2) 4M x 36

SIMM CONFIGURATION (CON’T)

Size

Bank 0

Bank 1

128MB

(2) 8M x 36

(2) 8M x 36

128MB

(2) 16M x 36

None

136MB

(2) 16M x 36

(2) 1M x 36

144MB

(2) 16M x 36

(2) 2M x 36

160MB

(2) 16M x 36

(2) 4M x 36

192MB

(2) 16M x 36

(2) 8M x 36

256MB

(2) 16M x 36

(2) 16M x 36

Note: Board accepts EDO memory.

CACHE CONFIGURATION

Size

Bank 0

256KB

(2) 32K x 32

512KB

(2) 64K x 32

CPU SPEED SELECTION (CX 6X86)

CPU speed

Clock speed

Multiplier

JP1

JP2

JP3

JP4

JP13

120MHz

50MHz

2x

1 & 2

1 & 2

2 & 3

2 & 3

1 & 2, 5 & 6

150MHz

60MHz

2x

2 & 3

1 & 2

1 & 2

2 & 3

1 & 2, 3 & 4

166MHz

66MHz

2x

2 & 3

1 & 2

2 & 3

1 & 2

3 & 4

Note: Pins designated should be in the closed position.

CPU SPEED SELECTION (AM K5)

CPU speed

Clock speed

Multiplier

JP1

JP2

JP3

JP4

JP13

90MHz

60MHz

1.5x

1 & 2

1 & 2

1 & 2

2 & 3

1 & 2, 3 & 4

100MHz

66MHz

1.5x

1 & 2

1 & 2

2 & 3

1 & 2

3 & 4

120MHz

60MHz

1.5x

1 & 2

1 & 2

1 & 2

2 & 3

1 & 2, 3 & 4

133MHz

66MHz

1.5x

1 & 2

1 & 2

2 & 3

1 & 2

3 & 4

166MHz

66MHz

1.75x

2 & 3

2 & 3

2 & 3

1 & 2

3 & 4

Note: Pins designated should be in the closed position.

CPU SPEED SELECTION (AM K6)

CPU speed

Clock speed

Multiplier

JP1

JP2

JP3

JP4

JP13

166MHz

66MHz

2.5x

2 & 3

2 & 3

2 & 3

1 & 2

3 & 4

200MHz

66MHz

3x

1 & 2

2 & 3

2 & 3

1 & 2

3 & 4

Note: Pins designated should be in the closed position.

CPU SPEED SELECTION (INTEL)

CPU speed

Clock speed

Multiplier

JP1

JP2

JP3

JP4

JP13

75MHz

50MHz

1.5x

1 & 2

1 & 2

2 & 3

2 & 3

1 & 2, 5 & 6

90MHz

60MHz

1.5x

1 & 2

1 & 2

1 & 2

2 & 3

1 & 2, 3 & 4

100MHz

66MHz

1.5x

1 & 2

1 & 2

2 & 3

1 & 2

3 & 4

120MHz

60MHz

2x

2 & 3

1 & 2

1 & 2

2 & 3

1 & 2, 3 & 4

133MHz

66MHz

2x

2 & 3

1 & 2

2 & 3

1 & 2

3 & 4

150MHz

60MHz

2.5x

2 & 3

2 & 3

1 & 2

2 & 3

1 & 2, 3 & 4

166MHz

66MHz

2.5x

2 & 3

2 & 3

2 & 3

1 & 2

3 & 4

200MHz

66MHz

3x

1 & 2

2 & 3

2 & 3

1 & 2

3 & 4

Note: Pins designated should be in the closed position.

CPU SPEED SELECTION (INTEL MMX)

CPU speed

Clock speed

Multiplier

JP1

JP2

JP3

JP4

JP13

150MHz

60MHz

2.5x

2 & 3

2 & 3

1 & 2

2 & 3

1 & 2, 3 & 4

166MHz

66MHz

2.5x

2 & 3

2 & 3

2 & 3

1 & 2

3 & 4

200MHz

66MHz

3x

1 & 2

2 & 3

2 & 3

1 & 2

3 & 4

233MHz

66MHz

3.5x

1 & 2

1 & 2

2 & 3

1 & 2

3 & 4

Note: Pins designated should be in the closed position.

CPU VOLTAGE SELECTION (SINGLE)

Voltage

JP7

JP8

JP9

JP10

JP11

3.45v

1 & 2

1 & 2

Closed

Open

Closed

Note: Pins designated should be in the closed position.

CPU VOLTAGE SELECTION (DUAL)

Voltage

V core

JP7

JP8

JP9

JP10

JP11

3.45v

2.8v

7 & 8

1 & 2

Open

Closed

Open

3.45v

2.9v

5 & 6

1 & 2

Open

Closed

Open

3.45v

3.52v

3 & 4

1 & 2

Closed

Open

Closed

Note: Pins designated should be in the closed position.