UNIDENTIFIED
ATIO-V8
|
Card Type |
Multi I/O card |
|
Chipset Controller |
N/A |
|
I/O Options |
Game/MIDI port, parallel port, serial port (2) |
|
Maximum DRAM |
N/A |
|
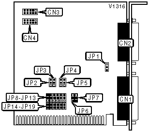
CONNECTIONS | |||
|
Purpose |
Location |
Purpose |
Location |
|
25-pin parallel port |
CN1 |
10-pin serial port 1 |
CN3 |
|
15-pin game/MIDI port |
CN2 |
10-pin serial port 2 |
CN4 |
|
GAME PORT CONFIGURATION | |
|
Setting |
JP1 |
|
Disabled |
Pins 1 & 2 closed |
|
Enabled |
Pins 2 & 3 closed |
|
SERIAL PORT 1 COM SELECTION | |
|
COM |
JP4 |
|
COM1 |
Pins 2 & 3 closed |
|
COM3 |
Pins 1 & 2 closed |
|
SERIAL PORT 1 CONFIGURATION | |
|
Setting |
JP5 |
|
Disabled |
Pins 1 & 2 closed |
|
Enabled |
Pins 2 & 3 closed |
|
SERIAL PORT 2 COM SELECTION | |
|
COM |
JP2 |
|
COM2 |
Pins 2 & 3 closed |
|
COM4 |
Pins 1 & 2 closed |
|
SERIAL PORT 2 CONFIGURATION | |
|
Setting |
JP3 |
|
Disabled |
Pins 1 & 2 closed |
|
Enabled |
Pins 2 & 3 closed |
|
PARALLEL PORT LPT SELECTION | |
|
LPT |
JP6 |
|
LPT1 |
Pins 2 & 3 closed |
|
LPT2 |
Pins 1 & 2 closed |
|
PARALLEL PORT CONFIGURATION | |
|
Setting |
JP7 |
|
Disabled |
Pins 2 & 3 closed |
|
Enabled |
Pins 1 & 2 closed |
|
SERIAL PORT 1 INTERRUPT SELECTION (PINS 1 & 2) | ||||||
|
IRQ |
JP8 |
JP9 |
JP10 |
JP11 |
JP12 |
JP13 |
|
3 |
Closed |
Open |
Open |
Open |
Open |
Open |
|
4 |
Open |
Closed |
Open |
Open |
Open |
Open |
|
5 |
Open |
Open |
Closed |
Open |
Open |
Open |
|
6 |
Open |
Open |
Open |
Closed |
Open |
Open |
|
7 |
Open |
Open |
Open |
Open |
Closed |
Open |
|
9 |
Open |
Open |
Open |
Open |
Open |
Closed |
|
SERIAL PORT 2 INTERRUPT SELECTION (PINS 2 & 3) | ||||||
|
IRQ |
JP8 |
JP9 |
JP10 |
JP11 |
JP12 |
JP13 |
|
3 |
Closed |
Open |
Open |
Open |
Open |
Open |
|
4 |
Open |
Closed |
Open |
Open |
Open |
Open |
|
5 |
Open |
Open |
Closed |
Open |
Open |
Open |
|
6 |
Open |
Open |
Open |
Closed |
Open |
Open |
|
7 |
Open |
Open |
Open |
Open |
Closed |
Open |
|
9 |
Open |
Open |
Open |
Open |
Open |
Closed |
|
PARALLEL PORT INTERRUPT SELECTION | ||||||
|
IRQ |
JP14 |
JP15 |
JP16 |
JP17 |
JP18 |
JP19 |
|
3 |
Closed |
Open |
Open |
Open |
Open |
Open |
|
4 |
Open |
Closed |
Open |
Open |
Open |
Open |
|
5 |
Open |
Open |
Closed |
Open |
Open |
Open |
|
6 |
Open |
Open |
Open |
Closed |
Open |
Open |
|
7 |
Open |
Open |
Open |
Open |
Closed |
Open |
|
9 |
Open |
Open |
Open |
Open |
Open |
Closed |