TEKNOR INDUSTRIAL COMPUTERS, INC.

TEK-857

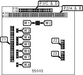
Card Type

Serial Expansion card

Chip Set

Unidentified

I/O Options

Serial ports (3), PC/104 connectors (2)

CONNECTIONS

Function

Label

Function

Label

Serial port A, B, C, D connector

J1

16-bit PC/104 connector

P1/C & D

Serial port E connector

J2

8-bit PC/104 connector

P2/A & B

Serial port F connector

J3

 

 

COM B TERMINATION RESISTOR SETTINGS

Function

Label

Position

CH.A termination enabled

W3

Closed

CH.A termination disabled

W3

Open

CH.B termination enabled

W4

Closed

CH.B termination disabled

W4

Open

COM C TERMINATION RESISTOR SETTINGS

Function

Label

Position

CH.A termination enabled

W6

Closed

CH.A termination disabled

W6

Open

CH.B termination enabled

W5

Closed

CH.B termination disabled

W5

Open

COM D TERMINATION RESISTOR SETTINGS

Function

Label

Position

CH.A termination enabled

W8

Closed

CH.A termination disabled

W8

Open

CH.B termination enabled

W7

Closed

CH.B termination disabled

W7

Open

BASE I/O ADDRESS SELECTION

Alternate

COM A

COM B

COM C

COM D

COM E

COM F

W1

398h

2E8h

258h

3E8h

338h

298h

3B8h

» Open

4D8h

438h

478h

418h

458h

498h

4B8h

Closed

SERIAL PORT INTERRUPT SELECTION

COM A

COM B

COM C

COM D

COM E

COM F

W2

IRQ11

IRQ15

IRQ10

IRQ9

IRQ11

IRQ11

» Open

Disabled

Disabled

Disabled

Disabled

Disabled

Disabled

Closed

Note: When the IRQ lines are enabled, COM A, COM E, and COM F share the same interrupt setting.