SEA LEVEL SYSTEMS, INC.

ACB-III

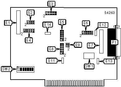
Card Type

Serial card

Chip Set

Unidentified

I/O Options

Serial port

Data Bus

8-bit ISA

CONNECTIONS

Function

Label

Serial port

P1

USER CONFIGURABLE SETTINGS

Function

Label

Position

»

Factory configured – do not alter

E1

Unidentified

»

Factory configured – do not alter

E7

Unidentified

 

DMA tri state drivers permanently enabled

E9

Pins 1 & 3 closed

 

DMA tri state drivers enabled by status control port bit 7

E9

Pins 2 & 4 closed

»

Factory configured – do not alter

E11

Unidentified

»

Factory configured – do not alter

E12

Unidentified

»

Factory configured – do not alter

E13

Unidentified

»

Factory configured – do not alter

E14

Unidentified

»

Factory configured – do not alter

SW2

Unidentified

SERIAL PORT 1 SELECTION

Setting

E6

»

Transmit clock output (TXC out)

Pins 1 & 2 closed

 

Transmit clock input (TXC in)

Pins 3 & 4 closed

 

Terminal timing source from SCC TRXC pin or input to TXC pin 24 on P1

Pins 5 & 6 closed

 

Terminal timing source input to RXC pins is echoed to pin 24 on P1

Pins 7 & 8 closed

 

Receive clock input

Pins 11 & 12 closed

SERIAL PORT 2 SELECTION

Setting

E3

»

Transmit clock output (TXC out)

Pins 1 & 2 closed

 

Transmit clock input (TXC in)

Pins 3 & 4 closed

 

Terminal timing source from SCC TRXC pin or input to TXC pin 24 on P1

Pins 5 & 6 closed

 

Terminal timing source input to RXC pins is echoed to pin 24 on P1

Pins 7 & 8 closed

 

Receive clock input

Pins 11 & 12 closed

INPUT/OUTPUT CLOCK MODE SELECTION (PORT 1)

Setting

E10

Transmit clock output

Pins 1 & 2 closed

Transmit clock input

Pins 3 & 4 closed

Not used

Pins 5 & 6 open

Receive clock input

Pins 7 & 8 closed

INPUT/OUTPUT CLOCK MODE SELECTION (PORT 2)

Setting

E2

Transmit clock output

Pins 1 & 2 closed

Transmit clock input

Pins 3 & 4 closed

Not used

Pins 5 & 6 open

Receive clock input

Pins 7 & 8 closed

SERIAL PORT INTERRUPT SELECTION

IRQ

E8

 

2/9

Pins 1 & 2 closed

 

3

Pins 3 & 4 closed

 

4

Pins 5 & 6 closed

»

5

Pins 7 & 8 closed

 

Normal IRQ mode

Pins 9 & 10 closed

 

Multi IRQ mode

Pins 11 & 12 closed

BASE I/O ADDRESS SELECTION

Setting

SW1/1

SW1/2

SW1/3

SW1/4

SW1/5

SW1/6

SW1/7

»

238

Off

On

On

On

Off

Off

Off

 

280

Off

On

Off

On

On

On

On

 

2A0

Off

On

Off

On

Off

On

On

 

2E8

Off

On

Off

Off

Off

On

Off

 

300

Off

Off

On

On

On

On

On

 

328

Off

Off

On

On

Off

On

Off

 

3E8

Off

Off

Off

Off

Off

On

Off

DMA CHANNEL SELECTION

Channel

E4

1 – two channel mode

Pins 1 & 2 closed

3 – two channel mode

Pins 1 & 2 closed

Two channel A/B mode A3B1

Pins 3 & 4 closed

Two channel A/B mode A1B3

Pins 5 & 6 closed

Closed = channel A, Open = channel B

Pins 7 & 8

3 – acknowledges channel 3

Pins 9 & 10 closed

1 – acknowledges channel 1

Pins 11 & 12 closed

DMA SELECTION

Setting

E5

SCC channel A/B uses channel 3

Pins 1 & 2 closed

SCC channel A uses channel 3

Pins 3 & 4 closed

SCC channel A/B uses channel 1

Pins 5 & 6 closed

SCC channel A uses channel 1

Pins 7 & 8 closed

SCC channel B enabled for half duplex DMA transfers

Pins 9 & 10 closed

SCC channel A – DMA channel 1/3 for full duplex transfers

Pins 11 & 12 closed