SIIG, INC.

I/O PROFESSIONAL

Card Type

Multi I/O card

Chipset Controller

Unidentified

I/O Options

Bi-directional parallel port, serial ports(2)

Maximum DRAM

N/A

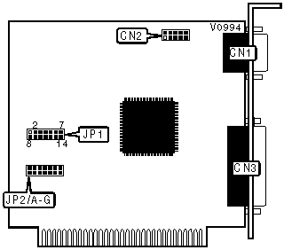
CONNECTIONS

Purpose

Location

Purpose

Location

9-pin serial port connector

CN1

25-pin bi-directional parallel port connector

CN3

10-pin serial port interface

CN2

   

SERIAL PORT 1 CONFIGURATION

Address

IRQ

JP2/A

JP2/B

JP1

»

3F8h-3FFh(COM1)

4

Open

Open

Pins 1 & 2 closed

 

3E8h-3EFh(COM3)

5

Closed

Open

Pins 2 & 3 closed

 

2E8h-2EFh(COM4)

2/9

Open

Closed

Pins 9 & 10 closed

 

Disabled

N/A

Closed

Closed

N/A

SERIAL PORT 2 CONFIGURATION

Address

IRQ

JP2/C

JP2/D

JP1

»

2F8h-2FFh(COM2)

3

Open

Open

Pins 4 & 5 closed

 

2E8h-2EFh(COM4)

2/9

Closed

Open

Pins 10 & 11 closed

 

3E8h-3EFh(COM3)

5

Open

Closed

Pins 3 & 4 closed

 

Disabled

N/A

Closed

Closed

N/A

PARALLEL PORT CONFIGURATION

Address

IRQ

JP2/E

JP2/F

JP1

»

378h-37Fh

7

Closed

Open

Pins 6 & 7 closed

 

278h-27Fh

5

Open

Closed

Pins 13 & 14 closed

 

Disabled

N/A

Closed

Closed

N/A

BI-DIRECTIONAL PARALLEL PORT COMPATIBILITY CONFIGURATION

Mode

JP2/G

»

Bi-directional

Open

 

Uni-directional

Closed