J-MARK COMPUTER CORPORATION

J-MED1931B

Card Type

Sound card

Chip Set

Opti

I/O Options

CD-ROM interface, game port

Data Bus

16-bit ISA

Card Size

Half-length, half-height

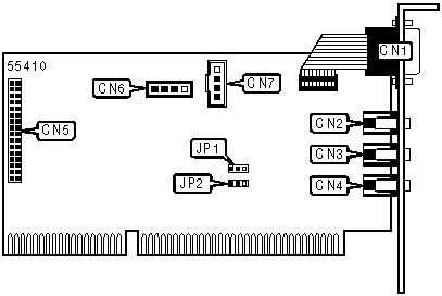
CONNECTIONS

Function

Label

Function

Label

Game/MIDI port

CN1

Wave table connector

CN5

Line/speaker out

CN2

Audio in - CD-ROM

CN6

Line in

CN3

Audio in - CD-ROM

CN7

Microphone in

CN4

   

USER CONFIGURABLE SETTINGS

Function

JP1

JP2

»

Speaker out via CN2

Pins 1 & 2 closed

Pins 1 & 2 closed

 

Line out via CN2

Pins 2 & 3 closed

Pins 2 & 3 closed