IRWIN

SC499R

Card Type

Tape drive controller

Hard Drives supported

None

Floppy drives supported

None

Data Bus

8-bit ISA

Card Size

Half-length, full-height

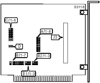
CONNECTIONS

Function

Label

Tape drive interface

J3

Note: Number of pins is unidentified.

USER CONFIGURABLE SETTINGS

Function

Label

Position

»

Factory configured - do not alter

A/8

Closed

»

Factory configured - do not alter (enables interrupt at 512 byte boundaries)

B/1

Open

»

POST enabled

C/1

Closed

 

POST disabled

C/1

Open

»

Factory configured - do not alter

C/2

Open

»

Factory configured - do not alter

C/3

Open

»

Factory configured - do not alter

C/4

Open

»

Factory configured - do not alter

C/5

Closed

»

Factory configured - do not alter

C/6

Closed

»

Factory configured - do not alter

D

Open

DMA CHANNEL SELECTION

Channel

B1/1

B1/2

B1/3

B2/1

B2/2

B2/3

1

Closed

Open

Open

Closed

Open

Open

2

Open

Closed

Open

Open

Closed

Open

3

Open

Open

Closed

Open

Open

Closed

BASE I/O ADDRESS SELECTION

Address

A/1

A/2

A/3

A/4

A/5

A/6

A/7

 

100h

Closed

Closed

Closed

Closed

Closed

Open

Closed

»

200h

Closed

Closed

Closed

Closed

Closed

Closed

Open

 

220h

Closed

Closed

Open

Closed

Closed

Closed

Open

 

280h

Closed

Closed

Closed

Closed

Open

Closed

Open

 

300h

Closed

Closed

Closed

Closed

Closed

Open

Open

 

338h

Open

Open

Open

Closed

Closed

Open

Open

 

350h

Closed

Open

Closed

Open

Closed

Open

Open

 

360h

Closed

Closed

Open

Open

Closed

Open

Open

 

370h

Closed

Open

Open

Open

Closed

Open

Open

INTERRUPT SELECTION

Setting

B/2

B/3

B/4

B/5

B/6

B/7

IRQ2

Closed

Open

Open

Open

Open

Open

IRQ3

Open

Closed

Open

Open

Open

Open

IRQ4

Open

Open

Closed

Open

Open

Open

IRQ5

Open

Open

Open

Closed

Open

Open

IRQ6

Open

Open

Open

Open

Closed

Open

IRQ7

Open

Open

Open

Open

Open

Closed

MISCELLANEOUS TECHNICAL NOTES

The SC499-R is used with FT60 tape drive. The tape drive cannot be used in EISA systems , 486 or 386 faster than 25MHz.