DECISION COMPUTER INTERNATIONAL CO., LTD.

PCCOM 8-BIT ISA 2-PORT RS422/485

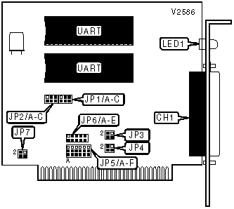
Card Type

Serial

Chipset

Unidentified

I/O Options

Serial ports (2)

Data Bus

8-bit ISA

CONNECTIONS

Function

Label

Serial ports via DB-37 port

CH1

Note:Standard DB-25 serial ports are provided on an included adapter cable.

SERIAL PORT ADDRESSES

Port 1 Address

Port 2 Address

JP7

»

3F8h (COM1:)

2F8h (COM2:)

Pins 1 & 3, 2 & 4 closed

 

3E8h (COM3:)

2E8h (COM4:)

Pins 1 & 3 closed

 

1A0h

1A8h

Pins 2 & 4 closed

PORT 1 INTERRUPT

Setting

JP5/A

JP5/B

JP5/C

JP5/D

JP5/E

JP5/F

 

IRQ2

Open

Open

Open

Open

Open

Pins 2 & 3

 

IRQ3

Open

Open

Open

Open

Pins 2 & 3

Open

»

IRQ4

Open

Open

Open

Pins 2 & 3

Open

Open

 

IRQ5

Open

Open

Pins 2 & 3

Open

Open

Open

 

IRQ6

Open

Pins 2 & 3

Open

Open

Open

Open

 

IRQ7

Pins 2 & 3

Open

Open

Open

Open

Open

Note:Pins designated are in the closed position.

PORT 2 INTERRUPT

Setting

JP5/A

JP5/B

JP5/C

JP5/D

JP5/E

JP5/F

 

IRQ2

Open

Open

Open

Open

Open

Pins 1 & 2

»

IRQ3

Open

Open

Open

Open

Pins 1 & 2

Open

 

IRQ4

Open

Open

Open

Pins 1 & 2

Open

Open

 

IRQ5

Open

Open

Pins 1 & 2

Open

Open

Open

 

IRQ6

Open

Pins 1 & 2

Open

Open

Open

Open

 

IRQ7

Pins 1 & 2

Open

Open

Open

Open

Open

Note:Pins designated are in the closed position.

PORT 1 TRANSMIT DRIVER

Setting

JP1/A

JP1/B

JP1/C

Always on

Closed

Open

Open

Follows RTS signal

Open

Closed

Open

Follows bit 0 of control register

Open

Open

Closed

PORT 2 TRANSMIT DRIVER

Setting

JP2/A

JP2/B

JP2/C

Always on

Closed

Open

Open

Follows RTS signal

Open

Closed

Open

Follows bit 0 of control register

Open

Open

Closed

PORT 1 RECEIVE DRIVER

Setting

JP3

Always on

Pins 1 & 3 closed

Follows bit 1 of control register

Pins 2 & 4 closed

PORT 2 RECEIVE DRIVER

Setting

JP4

Always on

Pins 1 & 3 closed

Follows bit 1 of control register

Pins 2 & 4 closed

WAIT STATES

Setting

JP6/A

JP6/B

JP6/C

JP6/D

JP6/E

0

Closed

Open

Open

Open

Open

1

Open

Closed

Open

Open

Open

2

Open

Open

Closed

Open

Open

3

Open

Open

Open

Closed

Open

4

Open

Open

Open

Open

Closed