BEHAVIOR TECH COMPUTER CORPORATION, INC.

1833/1835 SOUND CARD

Card Type

Sound card

Chip Set

Unidentified

Maximum Onboard Memory

None

I/O Options

Game/MIDI port, line out, volume control, microphone in, line in, Mitsumi CD-ROM port, Panasonic CD-ROM port, Sony CD-ROM port, wavetable

Data Bus

16-bit ISA

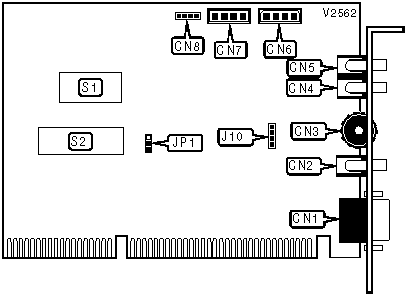
CONNECTIONS

Function

Label

Function

Label

Game/MIDI port

CN1

Panasonic CD-ROM port

CN7

Line out

CN2

Sony CD-ROM port

CN8

Volume control

CN3

Internal speaker out

J10

Microphone in

CN4

Wavetable

S1

Line in

CN5

Wavetable

S2

Mitsumi CD-ROM port

CN6

   

USER CONFIGURABLE SETTINGS

Function

Label

Position

»

Plug and Play enabled

JP1

Pins 1 & 2 closed

 

Plug and Play disabled

JP1

Pins 2 & 3 closed

TECHNICAL NOTE

Note: JP1 is not designed for 1833 sound card.