ARCO COMPUTER PRODUCTS

IDE I/O

Data Bus

16-bit ISA

Card Size

Half-length, full-height card

Hard Drives supported

Two IDE (AT) drives

Floppy drives supported

Two 360KB, 720KB, 1.2MB, or 1.44MB drives

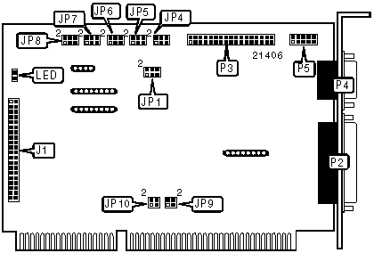
CONNECTIONS

Function

Location

Function

Location

40-pin IDE(AT) connector

J1

9-pin serial port 1 - external

P4

25-pin parallel port - external

P2

10-pin serial port 2 - internal

P5

34-pin cable connector - floppy drive

P3

2-pin connector - drive active LED

LED

USER CONFIGURABLE SETTINGS

Function

Label

Position

»

IDE(AT) primary address enabled

JP8

Pins 1 & 3, 4 & 6 closed

 

IDE(AT) interface disabled

JP8

Pins 3 & 5, 4 & 6 closed

»

Parallel port IRQ 7 select

JP9

Pins 1 & 2 closed

 

Parallel port IRQ 5 select

JP9

Pins 3 & 4 closed

FDD I/O ADDRESS SELECTION

Setting

IRQ

JP6

Primary (3F0-3F7h)

6

Pins 1 & 3, 4 & 6 closed

Secondary (370-377h)

6

Pins 1 & 3, 2 & 4 closed

Disabled

None

Pins 3 & 5, 4 & 6 closed

PARALLEL PORT ADDRESS SELECTION

Setting

JP7

LPT1 (3BCh)

Pins 2 & 4, 3 & 5 closed

LPT2 (378h)

Pins 1 & 3, 4 & 6 closed

LPT3 (278h)

Pins 1 & 3, 2 & 4 closed

Disabled

Pins 3 & 5, 4 & 6 closed

SERIAL PORT 1 ADDRESS SELECTION

Setting

JP4

COM1 (3F8h)

Pins 1 & 3, 2 & 4 closed

COM2 (2F8h)

Pins 1 & 3, 4 & 6 closed

COM3 (3E8h)

Pins 2 & 4, 3 & 5 closed

Disabled

Pins 3 & 5, 4 & 6 closed

SERIAL PORT 2 ADDRESS SELECTION

Setting

JP5

COM1 (3F8h)

Pins 1 & 3, 4 & 6 closed

COM2 (2F8h)

Pins 1 & 3, 2 & 4 closed

COM4 (2E8h)

Pins 2 & 4, 3 & 5 closed

Disabled

Pins 3 & 5, 4 & 6 closed

SERIAL PORT IRQ SELECTION

Com Port 1

Com Port 2

JP10

IRQ4

IRQ3

Pins 1 & 2, 3 & 4 closed

IRQ3

IRQ4

Pins 1 & 3, 2 & 4 closed

PARALLEL PORT MODE SELECTION

Setting

JP1

Standard

Pins 3 & 5, 4 & 6 closed

EPP

Pins 3 & 5, 2 & 4 closed

ECC + EPP

Pins 1 & 3, 4 & 6 closed

ECP

Pins 1 & 3, 2 & 4 closed